大倾角工作面顶板漏冒飞矸运动轨迹分析及防护装置

刘 明1,李 宽1,多依丽1,伍永平2

(1.辽宁石油化工大学 环境安全工程学院,辽宁 抚顺 113001;2.西安科技大学 能源学院,陕西 西安 710054)

摘 要:随着大倾角煤层开采强度的不断加大,飞矸灾害的发生也越发的普遍。在大倾角煤层开采工作中,飞矸会以多种运动形式威胁开采工作面的人和设备。为了提高工作面系统的安全性,减少飞矸对开采工作面的操作人员和设备的威胁,对飞矸滑落的运动特征进行了研究。通过某工作面的实际工况分析,对其因顶板漏冒产生飞矸的影响因素、运动轨迹和飞矸与工作面之间相互作用进行分析,利用Roc Fall软件,建立飞矸运动模型,分析飞矸滑落运动特征并对飞矸防治位置进行预测。根据模拟试验结果,在距离工作面起点水平位置16.27 m和55.57 m附近建立防护装置。结合防护位置飞矸的瞬时速度,设计一种自动化的气动式挡矸装置。结果表明,采用Roc Fall对工作面飞矸轨迹进行模拟试验,可准确有效地分析飞矸运动状态。以SNS柔性网作为防护网,搭载于气动式挡矸装置,结合模拟数据确定回采工作面内飞矸的拦截范围,布置挡矸装置数量和位置,依据飞矸在拦截点的瞬时速度和需要防护的工作面范围,设计的光栅预警的气动挡矸装置可以有效地对飞矸进行防护。

关键词:大倾角煤层;飞矸;Roc Fall软件;轨迹分析;防护装置

0 引 言

目前,大倾角煤层的开采强度在不断的增加,如何能够安全高效地开采大倾角煤层也得到广泛关注[1]。由于大倾角煤层的工作面系统可靠性较低,防护装置效率偏低,安全事故屡有发生,这严重制约了大倾角煤层的开采能力[2],其中较为普遍的事故就是飞矸[3]伤人和损坏设备。有学者分别针对具体的大倾角煤层长壁工作面出现的“飞矸”现象进行了一系列的研究与实践,设计提出了多种挡矸设备和飞矸防护技术,并取得了一定的效果[4]。罗生虎等[5]提出了“两封闭、两隔离”技术,这一技术不仅充分发挥了生产设备的作用,而且提高了工作面生产效率,降低了回采期间“飞矸”伤人事故发生的概率。吕晓等[6]在仔细研究大倾角煤层的工况特点后,研制了3款液压挡矸装置,布置在架间、机道和架前,减小了占地空间,提高了防矸效率。随着对飞矸综合治理能力的不断提升,邓柱林[7]、何贵荣等[8]均提出了改进型的“挡煤帘”、“易片帮处设置网状护帘”、“柔性防矸(煤)设施”等飞矸防护技术。李守瑸等[9]结合实际工况特点,在易发生飞矸伤害地点专门增加防护设施,减少飞矸对人员及设备的损害。

虽然目前对飞矸的研究已经取得了一定的成果[10],但是对于飞矸运动轨迹的分析,飞矸滑落至工作面最终位置的预测还很少有人研究[11-12]。因此,目前大倾角煤层开采工作面飞矸防护的方式过于被动,方法较为单一[13],大部分挡矸装置适用性较差[14],忽略了飞矸的块度、工作面的倾角和装置的配套尺寸等问题[15];还有一些装置因未考虑飞矸在回采空间运动时的能量耗散、弹跳位置和运动状态,造成了装置位置设定不恰当,增大了防护成本[16-18]。为研究飞矸在工作面的运动轨迹和预测矸石最终落点,提高飞矸防护效率,降低防护成本,笔者采用Roc Fall软件对某工作面进行实例分析,预测因顶板漏冒产生的飞矸的运动轨迹,并结合模拟试验得到的数据设计一种气动式挡矸装置。

1 影响飞矸运动轨迹的因素及预测方法

1.1 影响飞矸轨迹的因素

在大倾角煤层长壁开采工作面中,开采工作面是凹凸不平的,并不是简单的光滑斜坡,飞矸在开采工作面运动的终点位置不能精确计算,开采工作面底板材质力学性质不清等原因,使得飞矸在开采工作面运动轨迹的预测十分困难。根据工作面实际状况的地质考察和相关的试验验证表明,影响飞矸运动轨迹的主要原因包括:工作面剖面的形状、飞矸和工作面底板力学性质以及飞矸的初始状态。

1)工作面剖面的形状。一般情况下,开采工作面剖面形状是不规则的,而针对开采工作面进行详细的地质形状调查和绘图难度较大,只能针对某些典型工作面的剖面进行分析。因此在飞矸轨迹计算中,开采工作面的形状参数取值有一定的片面性。

2)飞矸和工作面底板力学属性。组成开采工作面及飞矸的岩性从工作面顶端到底端存在较大的差异。即使岩性相同,用于飞矸威胁风险分析的参数仍然不易确定。因飞矸轨迹和状态受到多种因素影响,为提高飞矸轨迹预测的准确性,应使用概率方法进行飞矸运动轨迹和运动状态的预测和分析。

3)飞矸初始状态。飞矸的初始状态主要受到形成原因的影响,为了提高飞矸轨迹和状态预测的准确性,将飞矸的初始状态可分为自由落体和平抛运动。

1.2 飞矸轨迹的预测和分析方法

1.2.1 飞矸轨迹预测的基本假设

1)与开采工作面相比,飞矸的体积很小,为方便计算飞矸运动轨迹,假设所有飞矸为无限小的颗粒,不考虑实际大小,仅考虑其质量。

2)飞矸在滑落过程中,其质量用于飞矸能量的计算,假设飞矸质量在滑落过程中不发生变化,即飞矸不解体。

3)工作面的底板看作由连续的不同夹角的直线段组成。

4)在飞矸弹跳和滑落过程中,空气阻力忽略不计。

1.2.2 飞矸概率分析方法

前述分析可知,影响飞矸运动轨迹计算的因素众多,且每个因素具有较大的不确定性,使得飞矸运动轨迹计算十分困难。采用Monte Carlo法,对工作面上端滚落飞矸进行随机分析,对矸石的块度、初速度、摩擦角和工作面力学等参数采用不确定值,得到概率分布函数,用以此计算飞矸运动轨迹的不确定性。

2 基于Roc Fall软件的飞矸运动仿真

2.1 工作面概况

工作面底板的岩性为砂岩,坡面的法向恢复系数平均值为0.32,切向恢复系数平均值为0.84,摩擦角值为30°,水平长度120 m,工作面平均倾角为40°。飞矸的密度ρ=2 580 kg/m3,每块飞矸的质量约为5 kg,其块度R0集中于0.02~0.03 m。顶板漏冒后的飞矸由工作面顶端5 m高处做自由落体运动,并与工作面底板做初始冲击运动。工作面底板倾向在铅垂方向投影与水平投影建立坐标系,工作面底板起伏状态如图1所示。

图1 工作面底板起伏状态
Fig.1 Floor ups and downs condition of working face

2.2 飞矸运动轨迹分析

根据工作面剖面图的尺寸,利用Roc Fall软件对工作面上端头发生顶板漏冒产生的飞矸采用Monte Carlo法进行200次模拟试验,并对其运动特征进行分析,工作面参数设置见表1。

表1 工作面参数设置

Table 1 Working face parameter setting

序号工作面水平距离/m标准偏差工作面高度/m底板材料100100.69砂岩27.67088.85砂岩316.27071.07砂岩430.52060.69砂岩555.57040.83砂岩687.51025.71砂岩7100.87012.96砂岩8120.0000砂岩

经过200次模拟计算,飞矸运动轨迹如图2所示,飞矸运动线速度如图3所示,矸石落点分布如图4所示。结果表明:在飞矸在下落过程中,发生了3次弹跳运动,其他过程为滚动。第1次发生在16.27 m,瞬时速度为16.39 m/s,第2次在55.57 m,瞬时速度为15.66 m/s,第3次在84.55 m处,瞬时速度为10.17 m/s。飞矸主要落在距离初始点水平距离70~90 m的位置和120 m外的位置。

图2 飞矸运动轨迹
Fig.2 Trajectory of flying gangue

图3 飞矸运动线速度
Fig.3 Linear velocity of flying gangue movement

图4 矸石落点分布
Fig.4 Distribution of landing sites of flying gangue

2.3 飞矸冲击能量分布

在模拟过程中可以看出,有3个冲击波峰,分别在3次弹跳运动的落点附近,第1次冲击动能达到902.0 J,第2次冲击动能为721.2 J,第3次冲击动能为391.1 J。飞矸冲击能量分布如图5所示。

图5 飞矸冲击能量分布
Fig.5 Impact energy distributionof flying gangue

3 飞矸防护范围预测及防护设计

3.1 飞矸防护范围预测及防护装置设定

工作面发生飞矸时,结合飞矸发生3次弹跳的位置和矸石最终滚落的位置,确定前2次弹跳点附近为防护装置设置的重点位置,即16.27 m和55.57 m附近。飞矸最快到达时间分别为1.6 s和5.6 s。根据模拟得到的飞矸冲击能量选择SNS防护网作为主要防护措施并搭载于挡矸装置[19]

3.2 防护装置结构设计

目前的挡矸装置存在着明显的缺点和不足:防护方法过于被动,隔绝了采煤作业区和操作作业区,影响工人操作,降低了生产效率,且防护效果差。因此,笔者设计了一种气动式挡矸装置可有效解决上述问题。

3.2.1 气动式挡矸装置结构

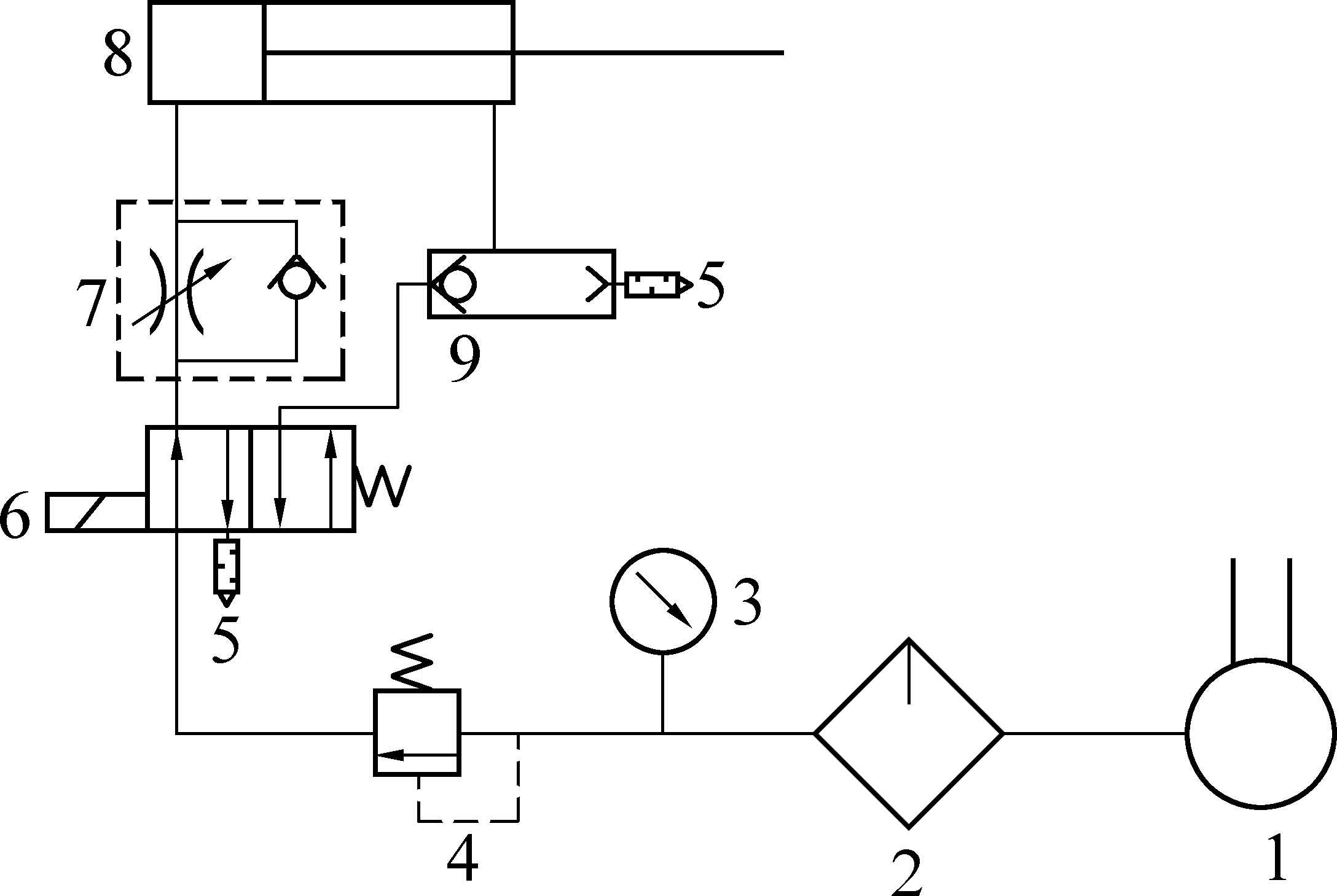
气动式挡矸装置如图6所示,气动原理如图7所示。

a—工作面;b—安全光栅;c—导轨;d—执行机构;
e—SNS防护网;f—气缸
图6 气动式挡矸装置示意
Fig.6 Drawing of pneumatic gangue retaining device

1—气源;2—油水分离器;3—仪表;4—安全阀;
5—消音器;6—2位4通换向阀;7—速度调节阀;
8—单作用气缸;9—单向阀。
图7 气动式档矸装置气动原理
Fig.7 Pneumatic principle of pneumatic gangue retaining device

气动式挡矸装置分为以下5个部分:

1)启动部分,即气源1。主要用于提供动力,气缸的启动动力来源。

2)预警部分,即安全光栅a。安全光栅主要是由发光器和受光器2大部分构成。当预警装置启动时,发光器会有调制红外光线发出,而红外光线会被受光器接收,这样就会成为一面光栅网。当上端头的飞矸进入了光栅网,飞矸就会遮挡发光器发出的红外光线,此时受光器内部的电路因为没有接收到红外光线而做出相应的反应,输出部分就会有一个控制信号给启动装置,装置开始动作实施拦截。

3)传动部分。气源输出压缩空气经过油水分离器2,再通过安全阀4调节至额定压力,再经过换向阀6,调节阀7调节至额定速度后进入单作用气缸8。气缸近执行机构部分方向内置压簧,当系统供气时,活塞向右,弹簧压缩;停止供气时,弹簧恢复初始状态,活塞也回到最初状态。

4)执行机构部分,如图8所示平行四边形机构d1。近气缸处机构绞点为固定点,远气缸处机构绞点为活绞点且与气缸伸缩杆相连,执行机构受控于气缸伸缩拉杆。SNS柔性挡矸网e由图9中圆环和滑动钩联接于执行机构上。滑动钩上端两头由深沟球轴承装配作导轮,下端与圆形吊环联接挡矸网,中间螺纹上方光杆联接平行四边形绞点作为2个平行四边形执行机构的联接销。导轮在导轨c内滑移,对上端过来的飞矸进行拦截捕捉。

d1—平行四边形机构;d2—滑动钩联接孔;d3—固定绞点联接孔;
d4—伸缩杆与气缸联接绞点;f—气缸
图8 执行机构装配
Fig.8 Actuator assembly

图9 滑动钩和圆环示意
Fig.9 Schematic of sliding hooks and rings

5)限制部分,即行程开关。当挡矸门移动到一定距离后,触碰限制装置,气缸会停止运动使挡矸门完全关闭以至实施拦截。当拦截动作结束后,经过时间继电器控制,再次动作,气源停止供气,气缸内弹簧将活塞推回最初位置。

3.2.2 气动式挡矸装置的运动过程及特点

当工作面上端头的光栅识别到飞矸进入工作面时,气源提供动力,经过过滤和调节压力后,气体进入单作用气缸,气缸中的活塞受到空气的推力,向另一侧推进,活塞的背进气方向连接执行机构运动拦截飞矸。挡矸网在停滞一段时间后,受到时间控制器的作用,气源停止空气,单作用气缸内压簧将气缸推回原位即开门,完成一次拦截。

气动式挡矸装置的特点如下:

1)气动式挡矸装置可以有效地解决防护过于被动、飞矸滑落时间不确定、成本过高等问题。

2)气动式挡矸装置启动速度快,动作灵敏,可以在规定的时间内快速完成挡矸动作,并自动恢复到初始位置,有效地实现了挡矸技术的自动化。

3)气动式挡矸装置的结构简单,传动方式简单,既能提高装置的可靠性,又便于检查和维修,使其长时间处于安全可靠的使用状态。

4)气动式挡矸装置质量较小,易于拆卸,安装方便,可以灵活地设置于大倾角煤层工作面的预定位置,并能达到良好的使用效果。

4 结 论

1)采用Roc Fall软件可以对飞矸运动轨迹进行有效模拟,预测了顶板漏冒飞矸从开始到停止滑落期间,飞矸每个时刻的总动能、速度、弹跳高度变化和落点范围区间。较准确地为因顶板漏冒引起的飞矸在回采工作面的防护提供依据。

2)通过对某工作面顶板漏冒产生的飞矸运动轨迹模拟分析可知,飞矸在工作面发生3次弹跳,分别位于水平位置的16.27、55.57和84.55 m处;对应的瞬时速度为16.39、15.66和10.17 m/s;对应的冲击动能分别为902.0、721.2和391.1 J。飞矸主要落在距离工作面水平方向70~90 m和120 m外的位置。所以建议布置挡矸网的位置在前2次弹跳点附近。

3)为提高对飞矸的拦截效率,以光栅识别作为预警部分,将SNS柔性挡矸网作为主要拦截工具,搭载于气动式挡矸装置。结合飞矸到达时的瞬时速度,确定气缸伸缩速度;结合拦截区域,确定气动装置执行机构的长度,笔者设计的自动化气动式挡矸装置,可对飞矸防治提供技术参考。

参考文献(References):

[1] 伍永平, 胡博胜, 解盘石, 等. 大倾角长壁工作面飞矸灾害区域治理技术[J]. 煤炭科学技术,2017, 45(2):1-5.

WU Yongping, HU Bosheng, XIE Panshi, et al. Flying gangue regional control technology in longwall mining face of steeply dipping seam[J].Coal Science and Technology, 2017, 45(2):1-5.

[2] 伍永平, 胡博胜, 王红伟, 等. 大倾角煤层飞矸运移能量演化特征仿真与实验研究[J]. 西安科技大学学报, 2018, 38(1):37-42.

WU Yongping, HU Bosheng, WANG Hongwei, et al. Simulation and experiment research on the evolution characteristics of flying gangue energy in steeply dipping coal seam[J]. Journal of XI’AN University of Science and Technology, 2018, 38(1):37-42.

[3] 伍永平, 刘孔智, 贠东风, 等. 大倾角煤层安全高效开采技术研究进展[J]. 煤炭学报, 2014, 39(8):1611-1618.

WU Yongping, LIU Kongzhi, YUN Dongfeng, et al. Research progress on the safe and efficient mining technology of steeply dipping seam[J]. Journal of China Coal Society, 2014, 39(8):1611-1618.

[4] 张 浩, 伍永平. 大倾角煤层长壁大采高采场煤壁片帮机制[J]. 采矿与安全工程学报, 2019, 36(2):331-337.

ZHANG Hao, WU Yongping. Coal wall caving mechanism of longwall large mining height stope in steeply dipping coal seams[J]. Journal of Mining & Safety Engineering, 2019, 36(2):331-337.

[5] 罗生虎, 伍永平, 刘孔智, 等. 大倾角大采高综采工作面煤壁非对称受载失稳特征[J]. 煤炭学报, 2018, 43(7):1829-1836.

LUO Shenghu, WU Yongping, LIU Kongzhi, et al. Asymmetric load and instability characteristics of coal wall at large mining height fully-mechanized face in steeply dipping seam[J]. Journal of China Coal Society, 2018, 43(7):1829-1836.

[6] 吕 晓, 庄建平. 大倾角薄煤层液压支架挡矸装置的设计及应用[J].煤矿机械, 2011, 32(12):178-180.

LYU Xiao, ZHUANG Jianping. Design and application of flying gangue prevention devices at high dip and thin seam working face[J]. Coal Mine Machinery, 2011, 32(12):178-180.

[7] 邓柱林. 大倾角综采工作面滚矸事故的研究与防治[J]. 科技信息, 2009(17):386-387.

DENG Zhulin. Research and prevention of gangue rolling accident in fully mechanized coal face with large inclination angle[J]. Science & Technology Information, 2009(17):386-387.

[8] 何贵荣, 张正鹏, 梁吉国. 大倾角综放工作面飞矸防治措施与实践[J]. 山东煤炭科技, 2014(12):67-68,71.

HE Guirong, ZHANG Zhengpeng, LIANG Jiguo. Flying waste prevention measures and practice of fully mechanized top coal caving (mining)face with large dip angle[J]. Shandong Coal Science and Technology, 2014(12):67-68,71.

[9] 李守瑸,申 兢, 魏利朋, 等. 泉店煤矿11采区运输巷防飞矸技术[J]. 煤矿机械, 2015, 36(3):121-122.

LI Shoubin, SHEN Jing, WEI Lipeng, et al. Fly bottles prevention technique of 11 quandian coal mine belt conveyor lane[J]. Coal Mine Machinery, 2015, 36(3):121-122.

[10] 李 冬, 常聚才, 史文豹, 等. 大倾角坚硬顶板冒落撞击摩擦试验研究[J]. 煤炭科学技术, 2019, 47(2):41-46.

LI Dong, CHANG Jucai, SHI Wenbao, et al. Experimental study on collision and friction of falling hard roof with large dip angle[J]. Coal Science and Technology, 2019, 47(02):41-46.

[11] 景玲玲, 屈钧利, 刘 明, 等. 大倾角煤层飞矸运动估计的非概率区间分析法[J]. 煤炭技术, 2019, 38(5):105-108.

JING Lingling, QU Junli, LIU Ming, et al. Non-probabilistic interval analysis method for estimation of flying gangue movement in steeply dipping seam[J]. Coal Technology, 2019, 38(5):105-108.

[12] 刘 明, 伍永平, 徐刚. 大倾角煤层开采飞矸运动规律研究[J]. 煤炭技术, 2016, 35(7):17-18.

LIU Ming, WU Yongping, XU Gang. Research on rule of flying gangue in steeply dipping seam mining[J]. Coal Technology, 2016, 35(7):17-18.

[13] 伍永平, 胡博胜, 王红伟, 等. 大倾角煤层长壁开采工作面飞矸致灾机理研究[J]. 煤炭学报, 2017, 42(9):2226-2234.

WU Yongping, HU Bosheng, WANG Hongwei, et al. Mechanism of flying gangue-caused disasters in longwall mining of steeply dipping seam[J]. Journal of China Coal Society, 2017, 42(9):2226-2234.

[14] 曹树刚, 李 毅, 雷才国, 等. 采煤工作面轻型架间挡矸装置研究[J]. 采矿与安全工程学报, 2013, 30(1):51-56.

CAO Shugang, LI Yi, LEI Caiguo, et al. Research on lightweight device for blocking gangue between hydraulic supports in steeply inclined coal face[J]. Journal of Mining & Safety Engineering, 2013, 30(1):51-56.

[15] 石汝银, 李增峰, 管伟明. 大倾角工作面防飞矸技术措施[J]. 山西焦煤科技, 2009(1):4-6.

SHI Ruyin,LI Zengfeng,GUAN Weiming. Technical measures for flying gangue prevention in high inclination face[J]. Shanxi Coking Coal Science and Tehnology, 2009(1):4-6.

[16] TU Hongsheng,TU Shihao,YUAN Yong,et al.Present situation of fully mechanized mining technology for steeply inclined coal seams in China[J].Arabian Journal of Geosciences,2015,8(7):4485-4494.

[17] LIU Ming, WU Yongping. Research on random property of impact force for flying gangue in steeply dipping seam mining[J]. Open Journal of Mechanical Engineering, 2014, 3(1):17-21.

[18] 宋阳平. 煤矿大倾角综放、综采工作面飞矸防治技术及其应用[J]. 中国高新技术企业, 2015(3):154-155.

SONG Yangping. Prevention and control technology of flying gangue in fully mechanized caving and fully mechanized coal mining face with steeply dipping seam mining and its application[J]. China High Tech Enterprises, 2015(3):154-155.

[19] 金海城. 钢丝绳挡矸网在倾斜综采工作面中的应用[J]. 江西煤炭科技, 2012(4):119-120.

JIN Haicheng. Application of wire-rope gangue-blocking net at inclined fully mechanized working face[J]. Jingxi Coal Science & Technogy, 2012(4):119-120.

Motion track analysis and protective device of flying gangue in roof leakage of steeply dipping working face

LIU Ming1, LI Kuan1, DUO Yili1,WU Yongping2

(1.School of Environment and safety EngineeringLiaoning Sichuan University, Fushun 113001,China; 2.College of Energy EngineeringXian University of Science and TechnologyXian 710054,China)

Abstract:With the increasing mining intensity of steeply dipping seam, the occurrence of flying gangue disasters has become more and more common. In the mining of steeply dipping seam, flying gangue will threaten the people and equipment of mining face in various forms of movement.In order to improve the safety of the working surface system and reduce the threat of the flying gangue to the operators and equipment of the mining face, the movement characteristics of the flying gangue were studied.Through the analysis of the actual working condition of a working face, the influencing factors, the trajectory of movement and the interaction between the flying gangue and the working face caused by the roof leakage are analyzed. Using Roc Fall software, the flying gangue movement model is established, the characteristics of the flying gangue sliding motion are analyzed, and the position of the flying gangue prevention and control is predicted.According to the simulation results, the protective devices are built near the horizontal positions of 16.27 m and 55.57 m at the starting point of the working face.An automatic pneumatic gangue retaining device is designed according to the instantaneous velocity of flying gangue in the protective position.The SNS flexible net is used as the protective net and is mounted on the pneumatic gangue retaining device. Combining with the simulation data, the interception range of flying gangue in the mining face is determined, and the number and location of the gangue retaining devices are arranged. According to the instantaneous speed of flying gangue at the interception point and the scope of the working face that needs protection, the pneumatic gangue retaining device designed by grating early warning can effectively protect flying gangue, which has certain application value.

Key words:steeply dipping seam;flying gangue;Roc Fall software;trajectory analysis;protective device

中图分类号:TD67;TD823

文献标志码:A

文章编号:0253-2336(2020)08-0139-06

收稿日期:2020-01-22责任编辑:赵 瑞

基金项目:国家自然科学基金资助项目(51604213,51634007,51974226)

作者简介:刘 明(1986—),男,黑龙江拜泉人,副教授,博士。E-mail:liuming1075@163.com

移动扫码阅读

刘 明,李 宽,多依丽,等.大倾角工作面顶板漏冒飞矸运动轨迹分析及防护装置[J].煤炭科学技术,2020,48(8):139-144.doi:10.13199/j.cnki.cst.2020.08.017

LIU Ming, LI Kuan, DUO Yili,et al.Motion track analysis and protective device of flying gangue in roof leakage of steeply dipping working face[J].Coal Science and Technology,2020,48(8):139-144.doi:10.13199/j.cnki.cst.2020.08.017