青年博士学术专栏

三软煤层巷道掘进防漏顶预注浆液扩散规律研究

支光辉1,姜彦军2,汪文刚3

(1.河南理工大学 能源科学与工程学院,河南 焦作 454003;2.河南省新郑煤电有限责任公司,河南 新郑 451100;3.雪松大宗商品供应链集团有限公司,北京 100025)

摘 要:针对三软煤层巷道围岩强度低和随掘随冒现象严重的问题,采用掘进工作面预注浆治理顶板冒落,根据达西定律和渗透注浆理论关于既定浆液在煤体中的扩散规律,试验测得赵家寨矿煤体的渗透系数、孔隙率和浆液的流体力学参数。以此参数为基础,通过数值模拟试验揭示了注浆孔周边孔隙压力分布与饱和度变化规律,分析了掘进工作面不同应力状态对浆液扩散的影响,对比了不同注浆压力下孔隙压力和饱和度分布曲线,发现应力状态对浆液最大扩散半径影响较小,提高注浆压力能在一定时间段内提高注浆效率,但并不能显著提高浆液扩散半径。综合理论计算和数值模拟结果,确定注浆量0.06 m3/min,注浆压力为2.5 MPa,与数值模拟计算结果较接近,因此扩散半径确定为1.4 m,并将该结果运用于赵家寨矿掘进巷道施工现场,通过钻孔取心检查注浆效果,发现浆液扩散与预期结果吻合良好。

关键词:渗透注浆理论;扩散半径;应力状态;注浆压力

0 引 言

三软煤层煤质松软,巷道围岩强度低,在巷道掘进时顶煤容易冒落[1],掘进工作面预注浆是治理顶板冒落的有效手段[2]。掘进工作面预注浆技术是在巷道掘进工作面打注浆孔,通过注浆对顶板进行加固,使下个掘进进尺内的巷道处在预加固的顶板之下。合理的钻孔布置与注浆参数能有效改善顶板煤体力学性能,进而有效预防掘进漏顶事故[3]

当前注浆材料主要包括有机材料和无机材料2类,有机注浆材料凝胶时间短,凝结强度高[4]。有关专家对无机注浆材料也进行了深入研究,开发了以超细硫铝酸盐水泥为主料,辅以各种外加剂的注浆材料,通过改变配比,可以达到早期加固强度高,凝结时间可控的目的[5]。根据浆液的扩散方式[6],形成了渗透、压密和劈裂注浆理论,其中渗透注浆理论较为成熟,但是3种注浆理论均不能完整揭示浆液扩散规律。地下煤岩体注浆效果与被注介质特征、浆体特性、运移规律、浆液与被注介质相互作用关系等因素有关[7]。而三软托顶煤巷道掘进工作面注浆效果不但与上述因素有关,而还与掘进工作面所处的力学环境、空间位置存在较大联系[8],因此实验室模拟结果还需要在实际工程中进一步验证。赵家寨矿煤层属于典型三软煤层,煤质松软,裂隙发育充分,根据实揭地质资料及钻孔资料可知,煤厚变化1.42~9.11 m,平均厚4.70 m,属于缓倾斜煤层。回采巷道沿煤层底板布置,顶板托顶煤厚度2~5 m厚度不等,随掘随冒现象比较严重,难以安装锚杆和金属支架,即使勉强安装巷道。变形量也很大且难以维护。为了验证浆液扩散理论在实际工程中的应用效果,论文将实验室试验所得参数用于浆液扩散半径的理论计算,并与数值模拟结果对比确定了浆液的扩散半径,最后将结果运用于赵家寨煤矿掘进巷道施工现场。

1 煤块注浆基础参数试验

1.1 煤块渗透系数试验

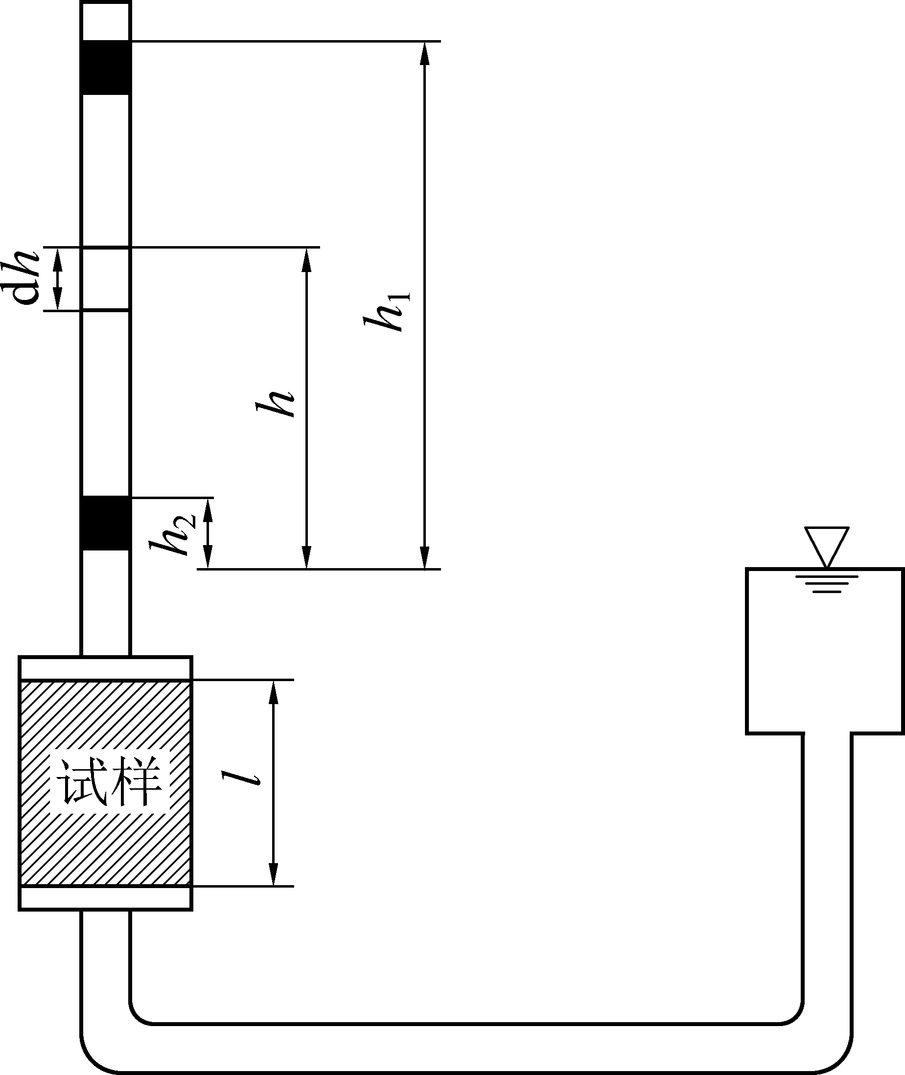
煤的渗透性是指流体在压力作用下,通过煤体的难易程度[9]。利用TST-55渗透仪测试煤样渗透性。

测试原理基于达西渗流定律。测试煤样分A、B、C三组,分别取自掘进巷道顶板煤体的左帮、中线位置和右帮。渗透系数测试示意渗透系数为

(1)

其中:a为变水头管内截面积,cm2A为测试煤样截面积,cm2l为试样长度,cm;t1t2分别为起始时刻与终了时刻;h1h2分别为起始水头与终止水头,cm。渗透系数测试如图1所示,图中h为水头变化过程中某时刻测压管水头。

图1 渗透系数测试示意

Fig.1 Principle of measurement for permeability coefficient

表1 渗透系数测试结果

Table 1 Measurement results of permeability coefficient

试验编号测记次数时间/s起始水头/cm终止水头/cm水温/℃kT/(10-4 cm·s-1)单值均值温度修正系数ηT/η20k20/(10-4 cm·s-1)单值均值A145.01144.0124.0292.28123.0103.03167.44102.082.04264.6281.061.05378.4960.040.0292.961.711.160.969.561.200.8152.421.400.950.780.780.98B131.25149.0129.02116.95125.0105.03277.37103.583.54275.8281.061.05380.6658.038.0284.121.331.020.920.991.070.8333.431.110.850.760.830.89C187.47148.0128.02121.87127.0107.03142.49107.087.04205.7186.066.05250.3865.045.0301.481.251.011.151.311.240.7981.181.000.810.921.050.99

渗透系数测试结果见表1,其中:k20为标准温度的渗透系数,cm/s;kT为温度T时的渗透系数,cm/s; k20=kT(ηT/η20),其中:ηT为温度T时水的动力黏滞系数,kPa·s; η20为温度20 ℃时水的动力黏滞系数,kPa·s。计算可得k20=9.533×10-5 cm/s。

1.2 煤块孔隙率测定

孔隙率是煤体中孔隙体积与总体积之比,是影响浆液扩散性能的重要指标。孔隙率按式(2)计算:

(2)

式中:为20 ℃时煤的视相对密度;为20 ℃时煤的真相对密度;n为孔隙率,结果见表2。

表2 煤的孔隙率测试结果

Table 2 Measurement results of porosity

组分煤的视相对密度/(g·cm-3)煤的真相对密度/(g·cm-3)孔隙率/%A1.451.556.45B1.451.6210.49C1.481.575.73

孔隙率取3组测试结果的平均值为7.56%。通常煤的孔隙率为5%,试验煤样孔隙率大于5%,为浆液扩散预留了丰富空间。

1.3 浆液黏度与密度测试

浆液以超细硫铝酸盐水泥为主料,辅以外加剂配置而成,利用ZNN-D6II型六速旋转黏度计测量浆液的表观黏度,并计算液表观黏度,塑性黏度,动、静切力等参数,见表3。同时,利用XYM-1型液体密度计测量浆液密度。

表3 浆液黏度测试结果

Table 3 Measurement results of viscosity

转速/(r·min-1)600300200100黏度/(MPa·s)7.54.02.51.5

表观黏度按式(3)计算:

ηb=w1/2

(3)

塑性黏度按式(4)计算:

ηs=w1-w2

(4)

动切力按式(5)计算:

τ0=0.511(w2-ηs)

(5)

其中:w1为转速600 r/min时黏度计的读数;w2为转速300 r/min时黏度计的读数。将表3中的读数代入式(3)—式(5),得浆液的表观黏度为3.75 MPa·s,塑性黏度为3.5 MPa·s,动切力为0.255 5 Pa。

取多次密度测量结果的算术平均值,测得浆液密度为1.23 g/cm3

2 软煤层预注浆液扩散理论分析

2.1 浆液扩散理论基础

注浆理论主要是建立压力、流量、扩散半径、注浆时间之间的关系[10-12],将浆液在煤体中的扩散过程理想化为流体在介质中做层流运动[13-15]。层流达西定律由法国学者根据沙土试验结果得到[16],其广义表达如公式(6)。达西定律假设流体在介质中做一维运动,即渗流速度和水力坡度的大小和方向沿程恒定。

(6)

式中:k为渗透系数;i为水头梯度;L′为水头空间中的方向。

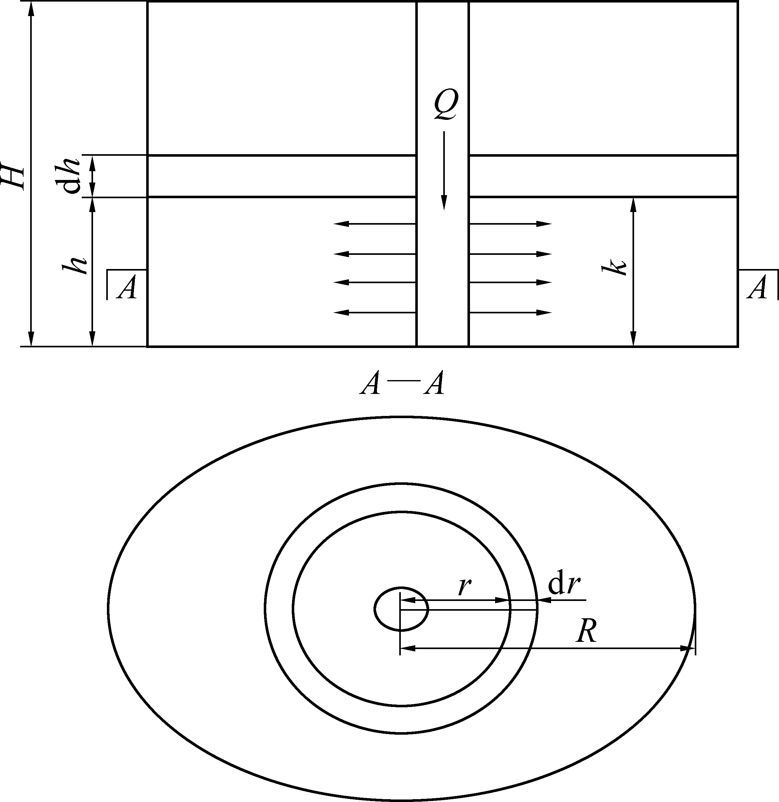
2.2 浆液柱形扩散规律

赵家寨煤矿煤质松软,裂隙充分,所需注浆压力较小,宜采用渗透注浆理论分析浆液在煤体中的扩散规律。现场采用注浆锚杆进行注浆,浆液流经杆体喷射孔,注浆源可简化为线性浆源,利用柱形扩散理论对浆液扩散进行定量分析[17-18]。浆液柱形扩散如图2所示。

单位时间内的浆液流量为

q=Av=Aki

(7)

式中:A′为浆液扩散柱体的截面积。

图2 浆液柱形扩散示意

Fig.2 Cylindrical diffusion of slurry

不考虑地下静水压力对注浆压力造成的影响,将浆液扩散沿注浆孔径向和轴向进行二重积分,积分域r[r0R],h[0,H],由此可得:

(8)

(9)

QR3LnQ=qt得:

(10)

(11)

其中:Q为浆液流量,cm;β为浆液黏度与水的黏度比;R为浆液的扩散半径,cm;r为至注浆中心的距离;L为柱状注浆的长度,cm;H为注浆压力水头之和,cm;r0为注浆管半径,cm;t为注浆时间,s。

3 三软煤层巷道掘进预注浆模拟分析

3.1 数值模型构建

以赵家寨煤矿12204工作面运输巷为研究对象,采用流固耦合模块对浆液在煤体中的扩散规律进行研究。注浆孔与掘进工作面空间关系模型如图3所示。

图3 注浆孔与掘进工作面层位关系

Fig.3 Stratigraphic relation between grouting hole and heading face

3.2 边界条件及数值计算参数

掘进巷道沿煤层底板推进,顶煤厚度2~5 m,浆液在煤体中的扩散半径一般小于3 m,将掘进工作面设为自由面,其余5个面固定。渗透系数与土力学中渗透系数之间的换算[19]后的渗透系数为9.72×10-11,孔隙率7.56%。浆液密度1.2 g/cm3,注浆量60 L/min。

3.3 注浆压力对浆液扩散的影响

3.3.1 浆液扩散机理

孔隙压力即饱和土体中孔隙水承担或传递的压力[20]。距离注浆孔壁较近的围岩体内裂隙或孔隙首先被浆液充满,然后浆液向距离注浆孔壁更远的围岩体扩散[21]。先充满浆液的孔隙或裂隙中孔隙压力会瞬间降低,但是浆源不断涌入,使得降低的孔隙压力瞬间恢复。因此一定位置的孔隙压力变化趋势为“增大-降低-恢复”型,如图4所示。

图4 一定点处孔隙压力随时间变化曲线

Fig.4 Pore pressure curve with time

3.3.2 注浆压力与孔隙压力关系分析

模拟了注浆压力分别为2.0、2.5、3.0、3.5、4.0 MPa时孔隙压力的变化,如图5所示,注浆压力对浆液扩散的影响随着与孔距离的增加越来越小,注浆10 min与注浆15 min的孔隙压力分布曲线差别很小,注浆15 min时距孔中心2 m处,注浆压力降为0。因此,在相同注浆时间下提高注浆压力能适当提高浆液的扩散效率,但对提高浆液的最大扩散半径不明显。

图5 不同注浆压力下孔隙压力分布曲线

Fig.5 Distribution curves of pore pressure under different grouting pressure

3.3.3 注浆压力与饱和度关系分析

饱和度为流体所占体积与孔隙体积之比。若一点处饱和度小于1,则认为该处孔隙尚未被浆液填满,则该点孔隙压力不足以压迫浆液继续扩散,因此孔隙压力为1的点为扩散有效区,小于1的点则表示浆液不能有效扩散。

不同注浆压力下饱和度分布曲线如图6所示,注浆5 min时5条曲线变化趋势及点坐标值近似重合,说明在注浆刚开始的一段时间内,不同注浆压力下浆液扩散速度及扩散半径相近。主要是起始阶段,注浆孔围岩破坏,裂隙充分,且浆液中的固相颗粒尚未充填孔隙及裂隙,浆液不需过高压力即可克服流动阻力。

当注浆10 min时,随着注浆压力的增大,浆液的扩散半径增大,扩散半径有效值达到1.5 m。其中3.5 MPa和4.0 MPa两条曲线近似重合,说明注浆压力达到3.5 MPa时,若继续提高注浆压力,对浆液扩散意义不大。

当注浆15 min,注浆压力为2.0 MPa和2.5 MPa时,浆液扩散半径仍然在1.5 m左右。但是注浆压力为3.0、3.5、4.0 MPa时,浆液扩散半径增大到1.8 m,此后饱和度迅速降低。因此,注浆15 min时,注浆压力达到3.0 MPa及以上,对浆液扩散半径增加并不明显,而且浆液饱和度出现降低现象,可能是压力增加导致孔内煤体出现突然破坏所致。因此,不论继续延长注浆时间,还是提高注浆压力,煤体中的有效扩散半径及最大扩散半径均不能得到显著提高,故最佳注浆压力范围在2.5~3.0 MPa。

图6 不同注浆压力下饱和度分布曲线

Fig.6 Distribution curves of saturation under different grouting pressure

3.4 应力状态对浆液扩散的影响

为保证浆液有效扩散,避免浆液在高压作用下造成煤体破坏,单孔浆液扩散时注浆压力取2.5 MPa,通过观测注浆孔周围的孔隙压力分布,确定浆液有效扩散范围,由于各种影响因素的相互作用对浆液扩散的影响无法定量计算,根据理论公式计算结果与现场注浆实例,注浆孔周围围岩体取孔隙压力1.0 MPa为临界值,孔隙压力高于该值认为浆液在该范围内有效扩散,孔隙压力低于该值认为浆液在该范围内扩散较差。为分析应力状态对浆液扩散的影响,设计了侧压系数分别为1.0、1.2和1.5的三种模拟方案。

3.4.1 应力状态对扩散速率的影响

浆液扩散轨迹呈“正多边形”,随着侧压系数增大,“正多边形”扩散轨迹更加明显,如图7所示。由于煤体为不均匀介质,因此浆液扩散速率不断变化,可用“平均扩散速率”衡量扩散快慢,“平均扩散速率”即单位时间内浆液的扩散半径。当注浆时间15 min,侧压系数为1.0时,扩散半径达1.41 m,当侧压系数为1.2时,扩散半径减少到1.15 m;当侧压系数为1.5倍时,扩散半径为0.90 m。因此,随着侧压系数增大,浆液扩散速率减小。

图7 注浆时间15 min时不同侧压下孔周围孔隙压力分布

Fig.7 Distribution of pore pressure around the grouting hole when grouting 15 minutes

3.4.2 应力状态与孔隙压力及饱和度关系分析

图8为3种应力状态下注浆5 min到15 min内,注浆孔周围孔隙压力分布特征。曲线的零点出现在距孔中心约2 m处,且零点位置未随时间增加而前移,说明在注浆压力一定时,浆液最大扩散范围相对固定。在相同注浆时间内,侧压系数越大,孔隙压力越小。

对比注浆5、10、15 min的孔隙压力分布曲线可知,前期延长注浆时间能在一定范围内增大浆液扩散半径,但随着注浆时间继续延长,浆液扩散速率会下降,注浆进入低扩散阶段,此时,如果继续延长注浆时间则对浆液的扩散影响不大。

图8 不同侧压系数时孔隙压力变化曲线

Fig.8 Variation curves of pore pressure under different lateral pressure

图9为3种应力状态下注浆5~15 min,注浆孔周围饱和度分布特征。与孔隙压力变化曲线不同,随着距孔中心距离的增大,饱和度降低率增大,距孔越远,浆液扩散衰减越快。注浆时间由5 min增加到10 min再到15 min时,饱和度临界值均出现在距孔中心约2 m处,并没有发生明显的变化,这与前文分析所得的浆液最大扩散范围结果基本一致。

图9 不同侧压系数时孔周围饱和度分布曲线

Fig.9 Variation curves of saturation under different lateral pressure

4 赵家寨掘进工作面注浆现场应用分析

4.1 浆液扩散半径确定

注浆量0.06 m3/min,注浆压力为2.5 MPa,依据实验室参数进行理论计算,与数值模拟计算结果比较见表4,理论与数值计算结果较接近,因此扩散半径确定为1.4 m。

4.2 工程布置与注浆参数

选赵家寨煤矿12204工作面运输巷掘进工作面为试验现场,巷道沿煤层底板掘进,巷道宽4 m,高度3 m,顶煤厚度1~3 m。注浆参数的确定基于数值计算与理论计算的总和分析结果。①注浆时间:注浆持续15 min左右,浆液已经进入低扩散阶段,

表4 理论计算与数值模拟扩散半径对比

Table 4 Comparation of diffusion radius under theoretical calculation and numerical calculation

注浆压力/MPa不同注浆时间的扩散半径/m5 min 10 min15 min2.50.81、0.67*1.07、1.14*1.40、1.49*

注:*表示前者为公式半径,后者为模拟半径。

因此注浆时间定为20 min能保证浆液充分扩散。②注浆压力:为防止浆液对软煤造成破坏,同时保证浆液扩散充分,注浆压力定为2.5 MPa。③注浆量:注浆量设定为0.06 m3/min。④注浆孔布置:注浆孔布置如图10所示,注浆孔深4 m,上仰角20°。

图10 注浆孔布置

Fig.10 Distibution of grouting holes

4.3 注浆效果检验

为检验浆液扩散效果,注浆24 h后沿巷道顶板进行岩心取样,取心钻孔深4 m,上仰角20°。取心钻孔分A(顶板左帮),B(顶板中部),C(顶板右帮)3组,每组在孔深1、4 m处取样2次(A组记为A1、A2、B组记为B1、B2、C组记为C1、C2),如图11所示。

图11 顶板取心样品

Fig.11 Samples extracted from the roof

观察图11的3组图片,发现注浆后的岩心质地致密,裂隙少,完整度明显提高。通过对比每组内两取样点的不同岩心发现,注浆孔浅部比注浆孔深部浆液扩散效果好。综合以上可以确定,在设计半径内,浆液扩散与预期分析结果吻合良好。

5 结 论

1)通过改变侧压系数,分析了不同应力状态下浆液扩散半径及扩散速率,在注浆压力一定时,侧压越大,浆液扩散速率越小,一定时间内浆液的扩散半径越小。浆液扩散范围有最大值,且最大值点不随应力状态改变而变化,即应力状态影响浆液扩散的有效范围,并不影响浆液的最大扩散范围。

2)通过改变注浆压力,分析了5种注浆压力下浆液扩散规律,增加注浆压力在一定范围内能提高浆液的扩散效率(即扩散速率和扩散半径),但并不能明显提高浆液的最大扩散半径。且较高的注浆压力作用可能破坏煤体。

3)无论延长注浆时间还是提高注浆压力,都不能显著提高浆液的最大扩散半径。

参考文献(References):

[1] 侯朝炯团队.巷道围岩控制[M].徐州:中国矿业大学出版社,2013:546-550.

[2] 边 强,金煜皓.综采工作面复合顶板失稳机理及深孔注浆控制技术[J].煤炭科学技术,2018,46(8):57-62.

BIAN Qiang,JIN Yuhao.Instability mechanism and deep hole grouting control technology of composite roof in fully-mechanized mining face[J].Coal Science and Technology,2018,46(8):57-62.

[3] 卢海军.管棚囊袋注浆超前支护技术在巷道过采空区中的应用[J].煤炭科学技术,2018,46(3):49-53.

LU Haijun.Application of advance supporting technology with pipe-shed and capsular bag grouting in roadway through goaf[J].Coal Science and Technology,2018,46(3):49-53.

[4] 刘永文,王新刚.注浆材料与施工工艺[M].北京:中国建材工业出版社2008:1-3.

[5] 彭英华,华攸金,李希建,等.破碎煤岩巷道注浆加固材料试验与应用研究[J/OL].煤炭科学技术:1-6[2020-04-04].http://kns.cnki.net/kcms/detail/11.2402.TD.20200207.1444.017.html.

PENG Yinghua,HUA Youjin,LI Xijian,et al.Experiment and application of grouting reinforcement material for broken coal and rock in roadway[J/OL].Coal Science and Technology:1-6[2020-04-04].http://kns.cnki.net/kcms/detail/11.2402.TD.20200207.1444.017.html.

[6] 李术才,张 霄.地下工程涌突水注浆止水浆液扩散机制和封堵方法研究[J].岩石力学与工程学报,2011,30(12):2377-2396.

LI Shucai,ZHANG Xiao.Research on mechanism of grout diffusion of dynamic grouting and plugging method in water inrush of underground engineering[J].Chinese Journal of Rock Mechanics and Engineering,2011,30(12):2377-2396.

[7] 李树刚,成小雨,刘 超,等.破碎围岩动压巷道锚索支护与注浆加固技术研究[J].煤炭科学技术,2016,44(1):67-72.

LI Shugang,CHENG Xiaoyu,LIU Chao,et al.Research on technology of anchor cable supporting and grouting reinforcement for dynamic pressurized tunnel with crushed surrounding rock[J].Coal Science and Technology,2016,44(1):67-72.

[8] 任海强,陶广美.受动压影响巷道注浆加固技术研究[J].煤炭科学技术,2016,44(3):22-25.

REN Haiqiang,TAO Guangmei.Study on grouting reinforced technology of roadway affected by dynamic pressure[J].Coal Science and Technology,2016,44(3):22-25.

[9] 董世举.赵固二矿大采高工作面煤壁片帮机理及注水防治技术研究[D].焦作:河南理工大学,2012.

[10] 孙斌堂,凌贤长.渗透注浆浆液扩散与注浆压力分布数值模拟[J].水利学报,2007,37(11):1402-1406.

SUN Bintang,LING Xianchang.Numerical simulation of slurry diffusion of penetration grouting and distribution of grouting pressure[J].Journal of Hydraulic Engineering,2007,37(11):1402-1406.

[11] 张忠苗,邹 健.黏土中压密注浆及劈裂注浆室内模拟试验分析[J].岩土工程学报,2009,31(12):1818-1824.

ZHANG Zhongmiao,ZHOU Jian.Laboratory tests on compaction grouting and fracture grouting of clay[J].Chinese Journal of Geotechnical Engineering,2009,31(12):1818-1824.

[12] 刘 健,刘人太.水泥浆液裂隙注浆扩散规律模型试验与数值模拟[J].岩石力学与工程学报,2012,31(12):2445-2452.

LIU Jian,LIU Rentai.Diffusion law model test and numerical simulation of cement fracture grouting[J].Chinese Journal of Rock Mechanics and Engineering,2012,31(12):2445-2452.

[13] 刘泉声,卢超波.深部巷道注浆加固浆液扩散机理与应用研究[J].采矿与安全工程学报,2014,31(3):333-339.

LIU Quansheng,LU Chaobo.Research on the grouting diffusion mechanism and its application of grouting reinforcement in deep roadway[J]. Journal of Mining & Safety Engineering,2014,31(3):333-339.

[14] 钱自卫,姜振泉.渗透注浆浆液扩散半径计算方法研究及应用[J].工业建筑,2012 ,42(7):100-104.

QIAN Ziwei,JIANG Zhenquan.Research and application penetration radius calculation method for permeation grouting[J].Industrial Construction,2012,42(7):100-104.

[15] 李慎举,王连国.破碎围岩锚注加固浆液扩散规律研究[J].中国矿业大学学报,2011,40(6):874-879.

LI Shenju,WANG Lianguo.Slurry diffusion within cracked wall rock during the bolt-grouting process[J].Journal of China University of Mining & Technology,2011,40(6):874-879.

[16] 赵树德.土力学[M].北京:高等教育出版社,2001:44-46.

[17] 王 乾,曲立清.青岛胶州湾海底隧道围岩注浆加固技术[J].岩石力学与工程学报,2011,30(4):790-802.

WANG Qian,QU Liqing.Grouting reinforcement technique of qingdao jiaozhou bay subsea tunnel[J].Chinese Journal of Rock Mechanics and Engineering,2011,30(4):790-802.

[18] 湛铠瑜,隋旺华.单一裂隙动水注浆扩散模型[J].岩土力学,2011,32(6):1659-1663.

ZHAN Kaiyu,SUI Wanghua.A model for grouting into single fracture with flowing water[J].Rock and Soil Mechanics,2011,32(6):1659-1663.

[19] 刘汉龙.FLAC3D基础与工程实例[M].北京:中国水利水电出版社2008:234-237

[20] 柳昭星,靳德武,尚宏波,等.矿区岩溶裂隙岩体帷幕截流注浆参数确定研究[J].煤炭科学技术,2019,47(6):81-86.

LIU Zhaoxing, JIN Dewu, SHANG Hongbo,et al.Study on determination of curtain closure grouting parameters of fractured rock mass in karst mining area[J].Coal Science and Technology, 2019,47(6):81-86.

[21] 赵万里,杨战标.深部软岩巷道强力锚注支护技术研究[J].煤炭科学技术,2018,46(12):92-97.

ZHAO Wanli,YANG Zhanbiao.Study on strength bolt grouting support technology in deep soft rock roadway[J].Coal Science and Technology,2018,46(12):92-97.

Study on diffusion law of pre-grouting slurry for leakproof roof of roadway development in coal seam with soft floor,soft roof and soft coal

ZHI Guanghui1,JIANG Yanjun2,WANG Wengang3

(1.School of Energy Science and Enginerrring,Henan Plytechnic University,Jiaozuo 454003,China;2.Xinzheng Coal Electricity Zhengzhou Coal Industry GroupXinzheng 451100,China;3.Ceder Commodities Supply Chain Group Co.,Ltd.,Beijing 100025,China)

Abstract:In view of the problems of low surrounding rock strength and serious roof falling during driving in three-soft coal seam, pre-grouting in driving face is adopted to control roof fall. According to Darcy's law and infiltration grouting theory about the diffusion law of established slurry in coal, the permeability coefficient, porosity and hydrodynamic parameters of the slurry in Zhaojiazhai coal mine were determined in the test. On the basis of these parameters, the numerical simulation experiment was used to reveal the change of pore pressure distribution and saturation around the grouting hole, and the effect of different stress states on the slurry diffusion in the driving face was analyzed. Compared with the distribution curves of pore pressure and saturation around the grouting hole under different grouting pressure and according to the degree distribution curve, it was found that the stress state has little effect on the maximum diffusion radius of slurry. Combining theoretical calculation and numerical simulation results, the grouting volume was determined to be 0.06 m3/min, and the grouting pressure was determined to be 2.5 MPa, which was close to the numerical simulation calculation results, so the diffusion radius was determined to be 1.4 m, and this result was applied to the Zhaojiazhai coal mine roadway development construction site, the grouting effect was checked by drilling cores, and it was found that the slurry diffusion was in good agreement with the expected results.

Key words:permeation grouting theory; diffusion radius; stress state; grouting pressure

中图分类号:TD322

文献标志码:A

文章编号:0253-2336(2020)06-0220-08

移动扫码阅读

支光辉,姜彦军.三软煤层巷道掘进防漏顶预注浆液扩散规律研究[J].煤炭科学技术,2020,48(6):220-227.doi:10.13199/j.cnki.cst.2020.06.029

ZHI Guanghui,JIANG Yanjun.Study on diffusion law of pre-grouting slurry for leakproof roof of roadway development in coal seam with soft floor,soft roof and soft coal[J].Coal Science and Technology,2020,48(6):220-227.doi:10.13199/j.cnki.cst.2020.06.029

收稿日期:2019-12-20责任编辑:杨正凯

基金项目:国家自然科学基金资助项目(51674098)

作者简介:支光辉(1981—),男,河南商水人,讲师,博士研究生。E-mail:zgh@hpu.edu.cn