特约综述

程卫民(1966—),男,山东曹县人,二级教授,博士生导师,博士(后),博士毕业于中国矿业大学北京研究生部安全技术及工程专业。 现为山东科技大学安全与环境工程学院院长,山东省泰山学者特聘教授、山东省有突出贡献的中青年专家、国家安全生产专家、山东省教学名师,教育部高等学校安全科学与工程学科教学指导委员会委员、中国职业安全健康协会第五届理事会理事、山东省安全生产管理协会副理事长、山东省煤炭学会副理事长、山东省安全生产标准化技术委员会副主任委员、《煤炭科学技术》编委,享受国务院政府特殊津贴。

程卫民及其团队长期从事矿山粉尘环境防治研究工作,建立了煤尘微观润湿理论,提出了细观喷雾降尘机制,研制了绿色高效抑尘材料,研发了矿山粉尘环境系列化防治技术与装备,研究成果已在全国100 多个矿山企业成功推广应用,取得了良好的经济和社会效益。

主持国家自然科学基金重点项目、国家重点研发计划课题、山东省重大基础研究项目和重大科技创新项目等5 项国家级、省部级项目。 2018 年获得山东省技术发明一等奖,2015 年获得国家安全生产监督管理总局科技成果一等奖,2017、2013、2012 年分别获得中国煤炭工业协会科学技术一等奖、中国职业安全健康协会科学技术一等奖、中国黄金协会科学技术一等奖。 2009、2018 年均获得国家级教学成果二等奖。 在国内外刊物及会议发表学术论文238 篇(SCI、Ei 收录131 篇),出版学术著作6 部,获国内外授权发明专利29 项。

我国煤矿粉尘防治理论与技术20年研究进展及展望

程卫民1,2,周 刚1,2,陈连军1,2,王 刚1,2,聂 文1,2,张清涛1,2

(1.山东科技大学安全与环境工程学院,山东青岛 266590;2.山东科技大学矿山灾害预防控制—省部共建国家重点实验室培育基地,山东青岛 266590)

摘 要:近年来,随着矿井开采机械化、自动化、智能化水平日益提高,作业环境粉尘污染日益严重。为了进一步提高矿井清洁化生产水平,推动煤矿安全保障能力和职业健康水平,分析了我国煤矿粉尘防治的研究现状,总结了20 年来粉尘防治理论及技术取得的成果,并提出了未来发展方向。 全面阐述了现有的防尘基础理论,主要包括:粉尘弥散污染规律、粉尘微观润湿理论、尘雾凝并湿式除尘理论、湿式喷射混凝土除尘理论。 基于上述理论,国内高校、科研院所研发了综采工作面局部雾化封闭与空气幕隔离、综掘工作面风雾双幕协同增效、煤层注水强渗-增润、矿山湿(潮)喷作业系统、高效环保抑尘剂等不同尘源控除尘技术工艺。 同时针对现有研究的不足,在智能化防尘、煤层注水减尘、采掘作业环境降尘、抑尘材料等4 个方面给出了下步研究展望。 研究与实践表明,我国煤矿已经初步形成了粉尘防治的理论和技术体系,未来要以智能化防尘为抓手,实现粉尘高精度传感-传输-评估与预警,开发集雾化除尘、干式、干湿混合式、小型化、吸风量大等于一体的组合式除尘器,实现综掘工作面、综采工作面等广域复杂空间微细粉尘高效通风控除尘技术与装备体系;同时,在低渗煤层水力强渗-增润技术、智能化防尘机器人、化学抑尘等技术与装备方面实现突破。 以此来实现矿山粉尘的分源高效治理,提升矿井的清洁化生产水平。

关键词:煤矿粉尘防治;除尘技术;湿式除尘;智能化防尘;注水防尘

0 引 言

我国煤炭资源丰富、品种齐全,且分布广泛,而石油、天然气资源相对匮乏,能源结构一直以煤为主。 根据国家统计局给出的详细数据显示,我国在2012 年至2018 年间的能源消费总量呈现逐年增长的趋势,虽然由于国家政策的调整以及对新能源的投入,导致我国的煤炭消费总量近几年有小幅度的波动情况,但是煤炭消费总量仍然占能源消费总量的60%左右,而且在接下来很长的一段时间内,煤炭将继续作为我国的主体能源为我国的经济发展提供重要作用[1-2]

近10 年以来,随着矿井智能化、机械化、自动化水平的日益提高,增加了瓦斯、煤尘、火灾等灾害发生的潜在隐患,尤其是矿井的粉尘污染,已经严重影响了企业的安全生产,威胁工人的职业卫生健康[3]。 而矿井粉尘主要来源于井下采煤、掘进、运输、提升等生产环节,但其产生量又受地质构造、开采方法、通风条件等因素的影响。

据统计,各生产环节所产生的浮游粉尘量占全部矿井的大致比例如下:采煤工作面50%,掘进工作面 35%,喷浆作业点 10%,装、运、卸煤环节5%[4]。 其中,采煤、掘进以及锚喷作业区的产尘量占矿井总产尘量的95%以上。 根据现场实测,在综采工作面没有任何防尘措施的情况下,当采煤机截割和移架等工序共同作业时,人员主要作业区域的时间加权总尘质量浓度可达500 ~850 mg/m3,呼尘可达300~500 mg/m3;即使采取了防尘措施,也仍然不能改变工作面作业环境的恶劣状况[5]。 再如,文献[6]中锚喷作业近年来主要采用干喷和湿喷工艺,虽然操作简单,但作业现场粉尘的游离二氧化硅含量高达80%以上,且时间加权呼尘质量浓度超过200 mg/m3。 上述粉尘浓度已大幅超出国家规定的上限值[7-8],矿工患尘肺病的风险极高。

煤矿粉尘的危害主要包括2 个方面:①煤尘的自燃性和爆炸性。 煤尘爆炸是煤矿中致灾性最严重的灾害,与瓦斯爆炸相比,煤尘爆炸的强度和致灾范围更大、破坏性更强,造成的灾难更严重[9]。我国的煤尘爆炸灾害十分严重,据统计,2000 年初至2019 年初,全国发生煤尘事故16 起,致使500多人死亡[10]。 ②煤尘导致尘肺病。 煤矿生产过程中产生的粉尘一部分通过喷雾降尘或通风排尘等措施进行消除,一部分粒度较小的尘粒飞扬悬浮在生产空间内,作业人员由于长期接触呼吸性粉尘,吸入的粉尘会慢慢沉积在人体肺部,例如细小支气管或是肺泡内,长时间接触呼尘会在生理、病理上产生一系列的变化,导致肺组织纤维化疾病[11],称为煤工尘肺病。 在煤炭类行业,尘肺病是一种多发的职业病,具有“隐性”矿难和“隐形杀手”的说法,比起瓦斯爆炸等“显性”矿难,它所具有的杀伤力更强,并且会损害更多、更广的群体,潜在危害性更重。 据统计,每年因尘肺病死亡人数是矿难和其他工伤事故死亡矿工数量6 倍之多[12]。 据国家卫健委公布,2010 年以来,我国年均报告职业病新病例2.8 万例,截至2018 年底,累计报告职业病97.5 万例,其中,职业性尘肺病87.3 万例,约占报告职业病病例总数的90%;2008—2018 年,全国尘肺病新增病例总数247 611 人,其中煤矿尘肺病新增125 418 人,约占 50.65%[13-14]

目前,大多学者只针对煤矿单一的防尘技术展开研究,对综合类煤矿粉尘防治理论技术体系的研究还较少。 因此,为了体现最新的研究成果,推进我国煤矿粉尘防治技术的发展,提高矿井安全保障能力和职业健康水平,笔者分析了我国煤矿粉尘防治的研究现状,总结了粉尘防治理论及技术取得的成果,并提出了未来发展方向。

1 我国煤矿粉尘防治理论研究现状

1.1 粉尘弥散污染规律

1.1.1 综采工作面粉尘污染

综采工作面粉尘污染一直是矿井粉尘防治的重点,对于综采工作面粉尘污染研究方法主要分为试验与数值模拟。 蒋仲安等[15]以气溶胶力学和流体动力学理论为基础,结合综采工作面实际环境和呼吸性粉尘二次飞扬特点,建立了与综采工作面移架产尘点与割煤产尘点耦合下的呼吸性粉尘扩散模型,并通过相似试验对模型进行了验证;刘毅等[16]基于气固两相流理论建立了粉尘运动的数学模型,根据综采工作面的具体性质和实测数据,明确综采工作面产生的粉尘运动规律;RENAUD 等[17]通过构建两阶段的数学模型,对矿井空间中的粉尘分布进行了相关模拟,研究了采煤工作面粉尘的扩散规律。相关学者亦采用CFD(计算流体力学)数值计算方法对综采工作面粉尘运移规律进行了研究。 PATANKAR 等[18]利用LES 大涡法对气体运动过程进行了仿真模拟,同时利用Eulerian-Lagrangin 法对粉尘颗粒的空间分布进行了数值模拟。 REN 等[19]采用计算流体力学(CFD)的方法,计算模拟了矿井内的风流和粉尘流动特性,并根据结果提出2 种可能的粉尘控制方案(图1);SUN 等[20]利用数值模拟的方法研究了风流扰流对粉尘污染的影响,同时提出了局部喷雾封闭控除尘技术,提高了除尘率(图2)。MAGESH 等[21]将工作面中运移的风流视作连续相,而将煤尘分别视作连续相与离散相进行了数值模拟,并对比分析了由不同模拟方法得到的煤尘分布规律。 谭聪等[22]将现场实测的粉尘质量浓度分布情况与模拟的综采工作面割煤粉尘运动规律进行对比,得出几个重要的对综采工作面粉尘质量浓度有影响的因素,主要是工作面风速、采煤机滚筒转速、刮板输送链条速度以及煤壁面条件;姚锡文等[23]针对不同通风条件下的综采工作面风流运动和煤尘分布规律进行了数值模拟,得到了上行通风与下行通风的降尘机理以及大倾角综采工作面的最优排尘风速。

图1 呼吸带高度处的风流速度分布[19]
Fig.1 Distribution of air flow velocity at the height of breathing zone [19]

图2 粉尘浓度迹线[20]
Fig.2 Trace of dust concentration[20]

综上所述,国内外学者通过试验与数值模拟等手段对综采工作面粉尘污染规律进行了研究。 根据综采工作面不同尘源产尘特点,建立了适用于综采工作面的风流-粉尘颗粒DPM 耦合流动数学模型,并采用欧拉-拉格朗日法来描述气载粉尘的湍流扩散,对综采工作面采煤机截割产尘,移架产尘以及通风携尘等多尘源粉尘的弥散过程进行了CFD 数值模拟,所得成果为综采工作面粉尘防治奠定了科学的理论基础。 但是随着综采机械化的不断推广,综采工作面粉尘污染也日益严重,过去的理论与技术不足以保障现有生产需要。 因此,在综采工作面粉尘弥散污染规律方面,目前较为前沿的理论是通过现场测定与试验测试相结合,同时,进行综采工作面风流-粉尘耦合运移的CFD 数值模拟,以确定综采工作面风流-粉尘运移、逸散规律。

1.1.2 综掘工作面粉尘污染

综合机械化掘进工作面粉尘弥散影响因素较多,例如产尘位置多变、技术工序繁杂等,对此,研究学者进行了深入细致的研究。 NAKAYAMA 等[24]采用试验和数值模拟结合的方法,对风流和粉尘在综掘工作面的运移情况进行了研究,结果表明:风流流线与粉尘迹线存在着对应关系,且试验和模拟结果与现场实测一致性较高。 在巷道粉尘弥散的试验研究中,NIE 等[25]得出了试验条件下粉尘浓度沿风向变化的曲线和流场与粉尘浓度场之间的关系,提出了实现风、尘分流的技术途径。 王德明等[26]分析了综掘工作面产尘机理,借助于Fluent 软件对工作面粉尘分布与运移规律进行数值模拟研究,获取整体横向和纵向上的粉尘运移分布规律。

YU 等[27-29]建立了掘进巷道的高仿真度三维模型,采用稳态解算方法分别对压入式、压抽混合式及添加附壁风筒等通风条件下粉尘分布规律进行了仿真模拟,对比了压抽风量比例、压抽风筒位置和风幕等对粉尘浓度分布范围及粒径沉积规律的影响,分析出合理风量压抽比例和风筒位置最佳布置方式,依据分析结果与实测数据对比,对除尘方法提出了指导建议,并对其降除尘效果进行了分析,明确了最优化的除尘技术(图 3、图 4、图 5)。

图3 单压通风时2.5 μm 粉尘迹线[27]
Fig.3 Movement trajectories of 2.5 μm dust particles when fored rentilation[27]

针对掘进工作面存在的粉尘扩散模型误差大、粉尘时空演化规律不明确等难题,国内外学者基于CFD(计算流体力学)-DEM(离散单元法)计算框架完善了粉尘细观运动受力,采用颗粒放大法建立了综掘工作面离散粉尘颗粒动态追踪模型,并结合现场实测对模型进行了校正,提出了以粉尘动态追踪模型为核心、宏观粉尘团与细观颗粒流联结的预测分析法,明确了综掘工作面单压、长压短抽及长压短抽结合传统附壁风筒通风方式下不同粒级粉尘颗粒运动迹线、风流诱导偏离流线、沉降行为以及累积质量分布等粉尘时空演化规律:单压的情况下,巷道内的风速随着距掘进工作面距离的增大逐渐衰减,掘进工作面附近的高浓度粉尘团随风流扩散至整个巷道,对整个工作面有严重的污染;在长压短抽的情况下,随着距掘进工作面距离的增大,巷道内的风速逐渐减小,一部分粉尘团随抽风而消除,一部分粉尘仍然聚集在掘进工作面附近,随风流逸散至整个巷道断面;长压短抽结合传统附壁风筒通风的情况下,靠近掘进工作面和附壁风筒径向出风口处的风速相对较大,中间区域风速相对较小,总体上沿巷道长度方向风速分布更为均匀,且旋流风幕会在附壁风筒处形成,对于封闭综掘机司机前方的高浓度粉尘团具有显著的效果,并由抽风筒抽出,避免了粉尘逸散,大幅降低粉尘浓度。

图4 长压短抽通风时风流-尘粒耦合场运移数值模拟[28]
Fig.4 Air-dust coupled field migration law in long pressure and short exhausted ventilation of attached wall duct [28]

图5 附壁风筒长压短抽通风时风流-粉尘逸散规律[29]
Fig.5 Wind-dust coupled field migration law in long pressure and short ventilation of attached wall windmill[29]

为了解决综掘工作面粉尘质量浓度超标的技术难题,国内学者蒋仲安等[30]运用计算流体力学的离散相问题(DPM)对岩巷综掘工作面通风除尘系统进行数值模拟(图6)。 确定了风量压轴比为2 ∶3的“以轴为抽,前压后抽”混合式通风除尘较优,并对现场进行了应用,验证了研究结论的正确性。

图6 压入式通风时流场分布[30]
Fig.6 Distribution of flow field in forced ventilation [30]

1.2 煤尘润湿理论

煤层注水和喷雾降尘是采掘工作面粉尘防治的主要措施,通过钻孔压向待开采煤层注水或高压雾化产生的雾场,使煤体(尘)湿润,从而减少采掘过程中浮煤的产生。 因此,煤粉润湿性是影响降尘效果的重要因素。

1.2.1 煤尘润湿特性

为此,要想更好地了解煤尘的润湿性,首先需要对煤尘与水之间的固-液关系进行分析研究。 对此,董平等[31]在对超细煤粉表面润湿性进行详细分析后发现,随着变质程度的不同,超细煤粉粉碎后的煤粉表面疏水性将不断增加。 聂百胜等[32]根据煤大分子和表面的结构特点分析了煤表面自由能的特征和煤吸附水的微观机理,得出煤吸附水分子是多层吸附的结论。 第1 层吸水主要是由于煤与水分子的氢键作用,而其他水分子层的吸附则是由分子间的长程作用力所致。 金龙哲等[33]分析了煤层注水时水在煤体内的运动过程,应用界面化学理论分析了水在煤表面的润湿过程,总结出煤体能够自行润湿的条件,并初步阐述了水在煤表面的润湿机理。KOLLIPARA 等[34]针对不同粉尘样品,研究了它们的物理、矿物学和润湿特性。 采用固定时间润湿率(试图模拟采矿环境周围的润湿性)和绝对时间润湿性(评估内在润湿率)来评估粉尘润湿率,得出煤尘的固定润湿率在57%~99%,大多数矿井的润湿率在90%以上,煤层中部的润湿性最差;粉尘颗粒与水滴的接触时间是提高煤尘润湿性的重要因素,结果表明,颗粒较大的粉尘完全润湿需要更多的时间。 ARKHIPOV 等[35]提出了一种估算细煤颗粒在水滴上润湿性的新方法,提高了颗粒润湿性估算的准确性。

湿式除尘和化学抑尘相结合,尤其是阴离子表面活性剂对煤润湿性的影响最为显著。 王德明等[36]分别研究了十二烷基硫酸钠(SDS)、十二烷基磺酸钠(SDDS)和十二烷基苯磺酸钠(SDBS)对煤尘的润湿能力,测试了煤尘接触角、表面张力、润湿时间等参数(图7),试验结果表明:对于相同的阴离子表面活性剂,随着浓度的增加,使得吸附密度和煤尘表面亲水位点也相应增加,提高了润湿效率。 林柏泉等[37]系统地分析了煤尘的物理性质及其润湿行为(图8)。 研究了不同表面活性剂对煤尘润湿性的影响,并与去离子水进行了比较。 研究结果表明,煤的粒度越细,煤的微观结构越复杂,煤的润湿性越差。 在3 种不同的煤尘样品中,挥发分含量较高的煤的润湿性能较差,因为挥发分更容易释放,颗粒周围更容易形成气膜。

1.2.2 煤尘微观润湿机理

文献[38-39]从分子层面对我国14 类煤种煤尘理化结构与其润湿性之间关系进行了试验研究,首次发现了煤尘微观理化特性与其润湿性关联机制。

图7 煤尘从气-水界面进入溶液的动态润湿过程[36]
Fig.7 Dynamic wetting process of coal dust entering solution from gas-water interface[36]

图8 表面活性剂在不同浓度煤粉表面的吸附状态[37]
Fig.8 Surfactant adsorption state on the surface of coal dust at different concentrations[37]

1)傅立叶红外光谱(FTIR)。 通过对煤尘表面官能团进行分析(图9),低煤化程度的煤含有较多的非芳香结构和含氧基团,芳香核心较小;中等煤化程度的烟煤的含氧基团和烷基侧链减少,结构单元间的平行定向度有所提高,附在芳香结构上的环烷基较多,有较强供氢能力。

此类煤的许多性质在煤化过程中均作为转折点看待;更高煤化程度的煤向高度缩和的石墨化结构发展,化学上具有明显的惰性,在润湿性上也会表现疏水性。 在煤尘润湿性定量分析中,煤尘在3 050 cm-1处的透过率与煤尘接触角角度线性相关,而在1 020~1 100 cm-1处煤尘接触角随其透过率增加而增加,当煤尘碳元素含量超过82%时,煤尘润湿性表现较差。

图9 煤尘的FTIR 谱图[38]
Fig.9 FTIR spectrogram of coal dust[38]

2)X 射线衍射(XRD)。 为了还原煤尘润湿过程,分析其润湿能力,利用X Pert PROMPD 型X 射线衍射仪对10 种不同变质程度的煤样(1—10 号)进行测试,得到如图10 所示的图谱,认为变质程度不同煤样的X 射线衍射曲线的形态特征具有很明显的规律性。 随着变质程度的升高,2 处特征衍射峰相对强度有所增加,峰形由宽且钝转为窄且锐,趋向类石墨峰发展,说明组成这些煤的有机质的C 原子排列趋于定向、规则,随着煤变质程度的提高,煤中脂族结构会逐步减少,但芳核在横向上和纵向上均进行芳环的缩聚反应,芳香结构增多。 因此,变质程度高的煤种晶态成分较多,芳香层片在空间的排列较为规整,相互定向程度较高,芳香微晶结构单元增大,芳香环缩合度增高;而中低变质程度的煤种非晶态成分较多,往往是一些亲水性的烷基小分子侧链、含氧官能团等。 同时,煤尘无机矿物相种类数量在一定程度上影响煤的润湿性,原生矿物种类数量越多,润湿性则越好;但次生矿物对煤尘润湿性的影响则较小。

图10 煤尘的XRD-Fourier 谱图[38]
Fig.10 XRD-Fourier spectrum of coal dust[38]

3)核磁共振(NMR)。 基于不同煤种之间润湿性的差异,通过对不同变质程度的煤种进行13 CNMR 试验,解析了不同变质程度煤尘的芳碳结构参数,并根据样品中各种官能团的化学位移及其相对面积,计算得到6 种煤尘的碳结构参数,以气煤为例,如图11 所示。

图11 气煤13C-NMR 分峰谱图[38]
Fig.11 13C-NMR peak separation spectrum[38]

通过不同变质程度煤样试验分析,可以看出煤级不同,谱图也有所不同,随变质程度加深,芳碳比例不断增加,但谱图不断变窄,质子化碳含量增加,芳香环杂原子碳含量减少;脂碳在煤结构中比例不断减少,谱图分布相对较分散,各脂碳结构都有一定分布,并且随变质程度加深都在减少。 总体而言,各结构参数基本符合煤变质作用增碳、脱氧的规律。此外煤尘分子结构差异对润湿性影响有一定的规律性,即随着芳环碳、质子化碳、桥接芳碳不断增加,酚羟基或醚氧碳、季碳、亚甲基或次甲基碳、氧接脂碳不断减少,引起憎水性的有机组分增加与亲水性含氧官能团减少,从而导致煤尘润湿性由易到难。 此外,通过13C-NMR 试验,可以获取煤体碳结构参数,根据碳结构参数结合红外光谱试验,反推煤体分子式及结构组成,以此从微观角度进行微观分子动力学的模拟和分析,为抑尘剂的开发提供了一条新的思路和方法。

4)X 射线光电子能谱(XPS)。 为了摸清不同变质程度煤尘表面氧元素(基团)的差异及其对煤尘润湿性能的影响,通过对不同煤样进行X 射线光电子能谱分析,以无烟煤为例,如图12 所示。 结果表明,含氧官能团在煤表面分布较为广泛,煤的表面(O/C)比值较其元素分析结果总体呈增加的趋势,且随着变质程度加深,煤表面(O/C)比值逐渐减少,亲水性基团逐步脱落。 在煤表面含氧官能团中,对煤尘润湿性贡献较大的羧基和羟基随变质程度增加逐步减少,从而导致极性氧基团在各个煤种表面分布不均,随着变质程度增加极性氧基团含量从13.24%逐步降至4.74%,但羰基分布则相对较稳定。

图12 无烟煤XPS 全谱扫描图[39]
Fig.12 Full spectrum scanning graph of anthracite XPS[39]

综上所述,文献[38-39]通过 FTIR、XRD、NMR和XPS 等分子层面测试分析方法,首次全面揭示了煤岩尘微观理化特性与其润湿性之间的关联机制,实现了粉尘润湿研究方法从宏观组分到微观结构的突破。 提出了不同变质程度煤尘堆垛结构、分子结构对其润湿性的影响规律:①微晶结构中面网间距越小、堆砌度及延展度越大,润湿性越差;②石英Si—O—Si反对称伸缩处的透过率越高,润湿性越差;③针对芳碳,芳环碳、桥接芳碳、质子化芳碳含量越多,酚羟基或醚氧碳含量越少,润湿性越差;针对脂碳,季碳、亚甲基或次甲基碳与氧接脂碳含量越少,润湿性越差;④针对表面官能团,极性氧基团含量越少,润湿性越差。 研究结论为煤尘采用经济、有效的湿式除尘技术提供了科学依据,为不同变质程度煤尘分类润湿方法提供了理论基础。

1.3 尘雾凝并湿式除尘理论

由于煤矿井下生产条件的特殊性,除煤层注水预湿润煤体技术外,尘雾-凝并湿式降尘技术是当前国内采煤工作面普遍采取的一种有效措施。 通过雾滴-尘粒的重力沉降、惯性碰撞、截留、布朗扩散与静电效应,对扩散的粉尘可进行有效消除。

国内学者[40-43]对喷雾降尘理论进行了深入研究,大部分学者认为喷雾降尘的原理是惯性碰撞、截留、重力作用、静电力和扩散等多种情况相互作用的结果。 周建平等[40]认为影响雾滴捕获尘粒最明显的因素是雾滴直径。 雾滴直径小的,更容易捕获尘粒。 但是在实际降尘操作过程中,若形成的雾滴直径过小,则会造成雾滴由于过快的蒸发而存留时间过短,反而影响整体捕尘效率[40]。 林鸿亮等[41]采用试验方法研究了单相喷嘴、两相喷嘴的气液比、轴向距离和径向距离的变化规律;李高峰等[42]采用试验及理论分析相结合的方法对降尘系统喷雾参数进行研究,得出压力和其他参数之间的关系;句海洋[43]利用基础理论分析、数值试验、试验测试和工程应用试验相结合的方法,系统研究了综采工作面喷雾降尘理论及应用情况。

图13 煤尘气溶胶与粒子电荷水平的关系[45]
Fig.13 Relationship between coal dust aerosol and particle charge level [45]

国外学者SWANSONA 等[44]为了正确评价水滴、灰尘和流动气流之间的相互作用,建立了一个风洞来模拟不同环境条件下的地下作业,对每个尘源的控制条件和要求进行评估,并研发了最优化的尘源控除尘系统。 TESSUM 等[45]利用气动粒度仪测量了电荷分离粒子的粒度和浓度,研究了不同表面活性剂类型对不同煤尘粒径和电荷的集尘性能(图13)。 MANKELEVICH 等[46]研究了低压等离子体中尘埃粒子凝聚机理的快速生长与饱和阶段;DULLEMOND 等[47]研究了不断变化的磁盘中粉尘的凝并与处理,建立了凝并模型,并将这些模型与观察结果联系起来,明确了粉尘润湿凝聚的基本原理,提出了降低粉尘浓度的措施。

以上国内外的研究都推动尘雾-凝并湿式降尘技术的发展,然而在当下的综采工作面喷雾降尘措施上仍存在喷嘴选择和布置普遍缺乏科学性,喷雾降尘效果较差等问题。 为了进一步提高喷雾降尘效率,国内外较为先进的理论主要是通过测定不同类型喷嘴的雾滴粒径、速度以及浓度分布规律,从瞬态、细观角度完善粉尘-雾滴流动、碰撞等尘雾-凝并机理[48],优化了单水雾化喷嘴的水流入射角度、腔体长径比、出口直径、导流芯形状与风水雾化喷嘴的出气孔数量、注水孔直径、空气帽出口孔径等参数,形成了一套体系的喷嘴雾化特性与细观喷雾降尘机制,研发了新型高效单水与风水雾化喷嘴,材质可为铜、不锈钢和陶瓷等多种形式(图14、图15)。

图14 4 MPa 压力喷嘴雾化效果[48]
Fig.14 Atomization effect of 4 MPa pressure nozzle[48]

该理论已在山东、山西、河北、宁夏等地区的煤矿、金属矿山、隧道中的粉尘防治技术方面得到广泛应用。

可以看出,相同耗水量下,现场喷雾降尘效率增加了15%~20%,显著提高了降尘效果,有利于水资源的节约利用,取得了较好的社会和经济效益。 同时针对综采工作面多尘源产尘作业环境优化设计喷嘴布置方式,并研发采煤机湿式除尘器、液压支架负压卷吸装置等高效除尘装备,形成尘雾凝并湿式除尘理论体系。 此外,还通过风流-雾滴-粉尘三相耦合测试平台对国内外旋流式、直射式等120 余种喷嘴进行了喷嘴雾化特性与尘雾耦合试验研究,揭示了不同类型喷嘴喷雾压力、流量与雾化粒度、速度的对应关系,得出了雾滴有效捕尘的细观粒径、相对速度等参数标准:①低压喷雾时,雾滴粒径分布范围一般在[65 μm,160 μm],雾滴平均速度小于 20 m/s;高压喷雾时,雾滴的分布范围一般在[40 μm,90 μm],雾滴平均速度大于35 m/s;②雾滴与其捕获粉尘粒径Dc 关系:当雾滴粒径变化范围为[40 μm,65 μm]时,;当雾滴粒径Dw 变化范围为[65 μm,100 μm]时, ;当雾滴粒径变化范围为[100 μm,160 μm]时, ;③针对呼吸性粉尘的雾滴最佳捕尘粒径为15~70 μm。

1.4 湿式喷射混凝土除尘理论

图15 4 MPa 压力雾滴粒径、速度分布[48]
Fig.15 Particle size、velocity distribution of 4 MPa pressure droplets[48]

喷射混凝土在地下矿山支护中起着重要作用。相比于干喷混凝土,湿喷混凝土在喷射、搅拌等过程中产生的粉尘较少,逐渐成为矿山支护的主要手段。陈连军等[49]研究了泵送和喷淋工艺对含有不同外加剂的湿喷混凝土流变特性和含气量的影响,结合试验结果和实践应用,得出如下结论:①不同喷淋工艺对坍落度的影响趋势基本一致;②在所有性能中,抽气过程对含气量的影响最大,喷淋过程对转矩黏度的影响最大。 PANGIL 等[50]分析了硅灰和AEA(引气剂)对湿喷混凝土喷射前后的空隙结构、强度和渗透性的影响,研究结果表明:①喷射过程会导致湿喷中初始空气含量的大量损失;②添加AEA 显著增加了整个直径范围内的气孔数量和含量,并使气孔向更细的尺寸分布转变;③硅灰置换和喷射操作显著提高了湿喷混凝土的抗压强度和抗弯强度;④无论是否使用AEA,增加硅灰含量和减少空气含量都会导致渗透率降低,而湿喷混凝土的空间因子与渗透率之间没有一致的趋势。 YUN 等[51]研究了湿喷混凝土的泵送性和喷射性与流变性能的关系,流变仪测试结果表明,AEA 和硅-灰有利于提高喷施混凝土的射孔性和泵送性,同时对泵送效率、堆积厚度和回弹减缓也有较好的影响;聚合物和黏度剂对泵送性能有负面影响;流量阻力与最终泵活塞压力之间没有明显的关系。

对于湿喷混凝土过程,主要问题是泵送和喷射过程如何影响新拌混凝土的性能,以及如何确定它们的影响程度,当前针对这方面的相关理论还比较匮乏,相关的试验和理论研究如图16 和图17 所示。

在合理的外加剂掺量范围内,通过添加不同类型和不同掺量的外加剂,改变混凝土流变特性,影响湿喷混凝土湿喷回弹性能,得到了喷射混凝土回弹骨料的配比及回弹材料的分布情况;分析了新拌混凝土流变特性对湿喷混凝土回弹率的不同机理以及湿喷混凝土回弹与能量损失的关系;通过单因素分析和多元线性回归分析,得到了湿喷混凝土回弹特性与单流变特性及能量损失之间的离散程度,从而实现了对回弹的准确预测。

图16 喷射混凝土机械手作业试验
Fig.16 Experiment of shotcreting manipulator

图17 喷射混凝土射流结构测试系统
Fig.17 Test system of shotcrete jet structure

2 我国煤矿粉尘防治技术研究现状

2.1 综采工作面粉尘防治技术

2.1.1 综采工作面局部雾化封闭控除尘方法及关键技术

国内相关学者在以往的研究基础上提出了综采工作面尘源局部雾化封闭控除尘技术。 该技术主要包括采煤机喷雾优化,液压支架喷雾的优化以及文氏负压二次降尘装置、采煤机湿式除尘器等新型装备研发与应用。 将采煤机区域与液压支架区域视作2 个既相互联系又相对独立的局部区域,一方面针对采煤机区域,通过采煤机湿式除尘器与采煤机喷雾构筑局部雾化空间封闭截割煤尘的逸散区域,并抑制截割湍流风扰动下的偏移风流向人行道偏移或减缓其偏移分速度,从而抑制人行道中的煤尘污染状况继续恶化;另一方面针对液压支架区域,通过文氏负压二次降尘装置在人行道中形成的负压流场能够有效卷吸滞留于呼吸带附近的移架煤尘,并将其喷射至液压支架区域的局部雾化封闭空间(图18、图19、图20),从而缓解人行道中的煤尘污染状况[52]

2.1.2 综采工作面空气幕隔尘理论与技术

刘荣华等[53]从理论分析、试验研究、数值模拟及现场试验4 个方面开展了利用空气幕隔断技术阻止采煤机割煤滚筒产生的粉尘向司机工作区扩散、降低司机处粉尘浓度的防尘新方法研究。 研究结果表明,在综采工作面采煤机上安装空气幕,其作用相当于一个“透明的无形屏障”,如图21 所示。 能有效地阻止采煤机截煤过程中粉尘向司机处扩散,尤其是阻止呼吸性粉尘的扩散,大幅降低综采工作面司机处的粉尘浓度[53]。 李倩玉等[54]基于均匀管道送风理论以及平面射流理论,通过ANSYS 数值仿真计算,分析了综采工作面风流的速度分布规律以及粉尘流的浓度分布规律,通过数值模拟结果设计空气幕隔尘装置,并对空气幕出口的风流进行测试,观察风流对粉尘的阻隔作用,取得了较好的效果。 句海洋等[43]针对采煤机附近主要产尘源及粉尘扩散范围,优化设计出一种高速水射流负压降尘装置(图22),此装置使用空气助力喷嘴,在低压水源情况下提供速度极高的水射流雾团,通过合理的喷嘴布置,达到抑制采煤机滚筒处的产尘量,降低采煤机滚筒前方的粉尘浓度,隔离采煤机摇臂与刮板运输机之间的粉尘向人行道扩散,实现水雾墙阻挡粉尘防治扩散的效果。

图18 采煤机-液压支架区域局部封闭雾化除尘原理示意[52]
Fig.18 Principle sketch of partially closed atomization dust removal in shearer-hydraulic support area[52]

图19 负压二次降尘装置[52]
Fig.19 Negative pressure secondary dust reduction device[52]

2.2 综掘工作面粉尘防治技术

2.2.1 综掘工作面三向旋流风幕控尘方法及关键技术

刘荣华等[53]利用Fluent 进行数值模拟,分析空气幕出口角度对其隔尘效果的影响,得到控制截割煤尘扩散的最佳空气幕出口角度;张建卓等[55]得出风幕控尘效果是由风幕风机的风速、除尘风筒的直径、出口压力三者来确定;有关学者还进行了机掘面压风空气幕封闭除尘系统的研究,得到了随着压风口距掘进工作面长度的增大,压风形成覆盖巷道整个断面空气幕的能力是不断增强的结论[56]。 以上的研究根据数值模拟以及现场实测的结果,为综掘工作面风幕控尘提供了有效的方法。 然而,目前传统的综掘工作面风幕控尘方法仍存在风幕形成距离远,难以快速完全覆盖巷道断面,且适用性差等不足,目前较为先进的粉尘防治技术,是基于“以风控尘”的核心原理(图23),形成了可快速覆盖巷道全断面的三向旋流风幕控尘方法。

图20 采煤机湿式除尘器[52]
Fig.20 Wet shearer scrubber[52]

图21 隔尘气幕器[53]
Fig.21 Dust screen air curtain [53]

图22 高速射流雾化屏障示意[43]
Fig.22 Schematic diagram of high speed jet atomizing barrier[43]

图23 三向旋流风幕形成原理示意[57]
Fig.23 Formation principle of three-dimensional swirling wind curtain[57]

以风控尘的三向旋流风幕控尘方法的原理在于:风流由顶板、巷道中部、底板等多个径向方向吹出,并在附壁效应作用下形成全断面旋流风,可有效减弱掘进机等对风流流场的扰动,并在抽风负压与旋流风幕内部风流场的相互作用下,短距离内快速形成指向工作面、阻隔粉尘扩散的风幕,提高了抽尘净化效果,形成了以三向旋流风幕为核心的阻隔式抽尘净化方法,攻克了传统风幕无法覆盖巷道全断面难题[57-58]

2.2.2 综掘工作面外喷雾控除尘技术及装备

赵丽娟等[59]基于Fluent 软件对掘进机外喷雾降尘系统相似参数进行了探讨,提高了掘进机喷雾系统的喷雾效果,为掘进及其他设备喷雾系统的优化提供了全新的方法;张汉青等[60]通过优化原有外喷雾系统管路,增强了雾化效果,提高了粉尘沉降效率;张晶晶等[61]根据气固两相流理论,对综掘巷道中的粉尘浓度沿程分布进行了数值模拟,优化并研发了综掘工作面喷雾降尘技术体系;孙峰等[62]在分析大断面煤巷掘进工作面产尘特点的基础上,采用二次负压喷雾降尘技术对其进行改造,重点开展了综掘机高效喷雾降尘装置、喷雾降尘工艺参数,以及机载喷雾降尘系统配套工艺等方面的研究,最终提出适用于大断面煤巷掘进工作面的高压外喷雾降尘技术及工艺,如图24 所示。

基于前人的研究,国内学者研制了新型掘进机外喷雾负压二次降尘装置(图25)。

图24 现场喷雾降尘工艺试验系统[62]
Fig.24 Field spray dust reduction process test system[62]

该装置安设在掘进机截割臂处,与截割头的位置相对恒定,因此可一直产生完全覆盖截割产尘的水雾幕,直接将粉尘捕集、沉降。 同时,喷嘴喷雾可在喷口及形成的雾场周围产生负压,含有粉尘的气流将被吸尘罩吸入引射筒,然后经过圆锥罩流出,在这个过程中将粉尘与雾场充分混合,将气流中的粉尘净化[63]

图25 掘进机外喷雾负压二次降尘装置[63]
Fig.25 Negative pressure secondary dust reduction device for external spraying of roadheader [63]

2.2.3 综掘工作面风雾双幕协同增效控除尘技术及装备

吴兵等[64]根据煤矿中常用的通风方式和气固两相流的理论,利用Fluent 非稳态的数值模拟方法来模拟压入式和长压短抽2 种不同通风方式下矿井掘进工作面粉尘的运移规律以及司机处粉尘浓度分布,并进行了现场实测验证。 胡方坤[65]运用CFD模拟软件,对不同通风条件下全岩综掘工作面的粉尘运移规律及除尘效果进行分析,并在现场开展泡沫与除尘风机联合降尘实践,取得了较好的效果。文献[66-67]应用流场理论分析方法(图26),借助Fluent 软件对某矿综掘工作面单一压入式通风时风流场和粉尘场分布规律进行了模拟,通过模拟结果与实测数据比对,验证了模拟方法的可行性。

图26 粉尘质量浓度和迁移矢量分布[67]
Fig.26 Dust mass concentration and migration vector distribution[67]

在前人的研究基础上,国内学者[68]研发了由轻质三向旋流风幕装置、高效湿式除尘风机、增润剂定量添加装置等构成的综掘工作面高效小型化风雾双幕协同增效控除尘成套技术装备,攻克了水雾幕受高速轴向压风流影响不易成型的难题,实现了掘进机截割粉尘先由水雾幕包裹捕集,然后逃逸粉尘再由三向旋流风幕与除尘风机等有效控除的突破(图27、图28)。 成套装备具有安装简便、移动快捷、适应性强等优点,满足了我国不同类型巷道快速掘进的需求。

图27 风雾双幕协同增效控除尘装备布置示意[68]
Fig.27 Schematic diagram of dust removal equipment layout for synergistic efficiency control of wind and fog[68]

图28 三向旋流风幕装置[68]
Fig.28 Three-directional swirling wind curtain device[68]

2.3 煤层注水强渗-增润技术工艺

深部矿井普遍存在着地应力高、孔隙率低、渗透性差等注水难题。 孙四清等[69]针对碎软低渗高突煤层难注水的问题,开展了井下长钻孔整体水力压裂增透技术的工程试验研究,分析认为水力压裂改善煤层裂隙和孔隙的连通性、降低煤层有效应力提高煤层渗透率(图29)。 段元帅等[70]针对大采深矿井有冲击地压倾向的问题,采用动压注水和静压补水的方法防治冲击地压,通过2 种方式使煤体塑化,驱替煤层中的气体,从而降低其冲击倾向,减小煤体压力,降低冲击危险。

针对目前深井注水防灾效果不理想的问题,国内有关专家学者团队等对难注水煤层润湿及増渗机理和技术进行了深入的研究。 在10 MPa 围压、同等孔隙水压力(3.5、5.0、7.0 MPa)条件下,对同一煤岩试样逐级施加10、25、40 MPa 轴向应力至试样破坏,试验结果发现:煤岩渗透率呈现U 型演化规律。由此可见,煤层应力环境改变,将会影响煤岩渗流通道(裂-孔隙结构),导致煤岩渗透率呈动态变化,而水力耦合作用下的煤层增渗机理主要体现在应力与孔隙水压对煤岩裂-孔隙网络的影响,采动卸压作用下煤岩裂-孔隙网络的扩展发育,使得煤体内部渗流阻力降低,渗透率增加。

图29 压裂钻孔结构及轨迹剖面示意[69]
Fig.29 Structure and track profile of fractured hole[69]

2.3.1 高地应力低孔隙率难渗煤层分区组合式注水技术

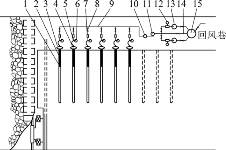
采用全液压大功率钻机分别在动压区和静压区施工煤层注水钻孔,进行分区组合式注水。 基于“水锲”疲劳损伤机理和采动应力变化特征,研发了由脉冲式气动高压注水泵、脉冲调频器、变压溢流阀、信息动态采集器为主的煤层交变-脉冲注水减尘技术工艺及装备(图30)。 动压注水压力为2~4 MPa,设置多组钻孔进行呈正弦分布的脉冲式动压注水,初始采用静压注水充满钻孔,待孔隙水压升至启动压力后,水在煤体中开始稳定流动,其中启动压力梯度Gq 与地应力Pd 间关系为Gq=0.002 956e0.259Pd,当水压持续增加,流量较低时转为脉冲注水,将注水峰值压力提高至20 MPa 左右,注水波谷压力约为10 MPa,持续一段时间迫使煤层内部原有封闭裂隙相互沟通。 根据煤层原始和新生裂隙扩展和发育情况,确定注水峰值压力和波谷压力进一步变化。 按照以上步骤进行动、静压注水正常交替,如此反复。

2.3.2 脉冲-交变注水技术

脉冲-交变注水增渗-强润技术成套装备主要包括脉冲式气动高压注水泵、脉冲调频器、变压溢流阀、信息动态采集设备。 气动高压注水泵提供脉冲式动压注水动力,实现自动开机-自动配比-自动停机的“三自动”模式。 脉冲调频器和变压溢流阀实现了煤层不同地应力载荷作用下注水频率的实时切换以及不同时空条件下脉冲注水压力的变化。 采用信息动态采集器实现对注水过程中脉动频率及压力的实时监测[71-72]。 交变-脉冲注水防尘技术成套装备气源压力0.5 MPa,可实现注水压力调节范围0 ~20 MPa,脉冲变频器调频范围0~50 Hz。

图30 煤层高地应力低孔隙率难渗煤层分区式注水技术工艺示意
Fig.30 Technical sketch of zonal water injection technology for high in-situ stress and low porosity and impermeable coal seam

翟成等[73]利用瓦斯抽采钻孔进行煤层注水防尘,实现了一孔两用,在煤尘防治、改善工作面环境方面效果显著,取得了较好的效益(图31)。 蒋仲安等[74]为解决煤矿综采工作面粉尘浓度高的问题,以改善作业环境,基于煤体物理化学特性对注水孔间距、注水压力以及封孔长度等工艺参数进行优化,采用Cline-Renka 算法进行插值绘制全水分分布图,考察割煤、移架工序降尘效率(图32)。 研究表明:煤层注水中添加增渗可以有效降低煤水接触角,减少煤体达到饱和吸湿的时间,并增加煤体饱和吸水量,提高煤体润湿效果;优化注水后,两注水孔中间区域煤体平均全水分较原注水方案增加2.23%,润湿半径增加3.5 m;割煤工序中,全尘和呼吸性粉尘的平均降尘效率分别提高25.42%和26.39%;液压支架移架工序中,全尘和呼吸性粉尘的平均降尘效率分别提高23.39%和25.30%。

2.4 湿(潮)喷作业系统配套工艺及设备

在对煤矿湿(潮)喷技术的研究和开发中,北京科技大学的韩斌等[75]经大量试验验证,发现在相同材料条件下,湿喷混凝土平均强度比干喷混凝土强度高45%~85%;同时,湿喷混凝土有效保证了混凝土质量的稳定性,且环境污染和对工人危害较小。 王治世等[76]针对地下喷射混凝土施工中存在的作业环境差、施工效率低、材料浪费严重等问题,提出了在煤矿支护中推广湿式喷射混凝土施工工艺的建议,取得了良好效果。 康金箭等[77]采用以湿喷塑料纤维混凝土+锚杆为主题的机械化支护新工艺,解决了井下地质条件差,巷道支护困难的问题。

图31 煤层脉冲注水系统示意[73]
Fig.31 Schematic diagram of coal seam pulse water injection system [73]

1—高分子材料;2—塑料水管;3—钢注水管;4—封孔器;5—钢编胶管;6—压力表;7—分流器;8—闸门;9—注水干管;10—单向阀;11—高压水表;12—安全阀;13—煤层脉冲注水泵;14—回水管;15—自控供水管

图32 优化注水润湿效果[74]
Fig.32 Moisturizing effect with optimized water infusion[74]

针对煤矿锚喷支护工程中混凝土喷射粉尘浓度高、喷射回弹大、管道输送易堵塞、尘肺病严重的问题,有关研究者开展了湿(潮)喷作业系统配套工艺及设备的研发与推广应用工作,取得了原创性成果如下:

1)为了改善井下混凝土搅拌过程中,粉尘浓度高、噪声大、适用范围小、效率低及运行不稳定等技术难点,包一迥等[78]研发了一种强制式混凝土搅拌机(图33),该设备集搅拌、加湿、输送于一体,搅拌均匀性好、生产效率高、产能大、适用范围广,整机结构紧凑、占用空间小、传动平稳、可靠性高、噪声小,同时,整个搅拌、输送过程在密闭空间内进行,无粉尘外泄,清洁环保,有效地解决了以上技术难点,减少了混凝土搅拌过程中的粉尘污染。

图33 强制式混凝土搅拌机[78]
Fig.33 Forced concrete mixer [78]

2)针对断面较小、喷射量较少的巷道,研发了SPB 型煤矿用活塞式混凝土湿式喷射机(图34),该喷射机采用的是液压及气压操作,完全没有使用到除防爆电机以外的用电器件,这样可以大幅增加该机的防爆性能,而且设备机械结构也得到了进一步的简化,从而可以使得该设备表现出小巧、操作简单、搬运方便、使用方便和便于维修和维护的性能优点。 此外,该设备采用泵送柱塞式结构,与螺杆泵式湿喷机、挤压泵式湿喷机相比,输送距离远、使用寿命长、传输量大且可调,设备磨损较低,符合混凝土湿喷机的主流发展方向,且国际隧道协会也要求采用泵送柱塞式湿喷机[79]

图34 SPB 型煤矿用活塞式混凝土湿式喷射机[79]
Fig.34 SPB type piston type wet concrete injection machine for coal mine[79]

3)研发了推链式混凝土喷射系统,降低了喷射作业劳动强度,提升了作业安全性、作业效率(图35)。 设计了“混凝土喷射射流结构测试系统”,并应用Fluent 软件模拟了喷嘴内流场,得到了混合物静态压力等值线图、单相速度等值线图等有助于开展喷头结构优化的重要依据。

2.5 矿用高效环保抑尘剂降尘技术

图35 推链式混凝土喷射机
Fig.35 Push chain concrete sprayer

化学抑尘是抑制粉尘传播的有效途径之一,随着科技的发展,煤炭产量的增加对抑尘剂防降尘要求越来越高。 目前化学抑尘剂按照其使用原理主要分为润湿剂、凝聚剂、粘结剂以及复合抑尘剂4 种,自20 世纪国内外学者就对抑尘剂开展多方面研究,现在主要以复合抑尘剂的研发和制备为主。 当前我国需要抑尘剂的作业区域较多,其中按照煤炭开采方式可以将抑尘剂的主要性能归为2 类,一是以井工开采的煤矿,抑尘剂的性能偏向于有效润湿粘结粉尘;二是针对露天开采、堆存过程中的煤尘,抑尘剂的性能偏向于凝聚粘结粉尘。

2.5.1 井工煤矿用抑尘剂

我国对煤炭矿井开采较多,针对综采、移架、综掘等尘源产生的动态粉尘,抑尘剂主要是通过添加到喷雾系统当中利用雾滴颗粒捕尘完成有效降尘,此类复合抑尘剂的性质以润湿为主,粘结为辅,使雾滴有效润湿、捕集粉尘,并通过自身的粘结作用阻止工作区域的二次扬尘。 目前国内外学者针对井工开采作业方面的抑尘剂研究较多,如杨静等[80]将表面活性剂复配应用到煤矿降尘工作中,提升了雾滴对煤尘的润湿性,达到有效降尘的目的,闫杰等[81]通过相应面法测试了不同表面活性剂对哈密褐煤煤尘的润湿影响,探究了润湿捕尘机理,如图36 所示,得到了润湿剂最佳使用配方。 FAN 等[82]优化了表面活性剂的配方,最大限度地提高产品对煤尘的润湿性,大幅提高了喷雾防尘效果。 LIU 等[83]通过季铵盐改性方法对壳聚糖进行分子改性,合成了一种煤矿喷雾降尘的润湿粘结添加剂,反应过程如图38 所示,进过试验测试发现产物具有一定的润湿粘结效果[83];ZHANG等[84]合成了一种用于煤矿井下喷雾黏尘的有机抑尘剂,通过SEM 等试验探究了抑尘效果与机理(图37);MA 等[85]利用自由基聚合技术在水溶液中合成具有一定团聚、粘结性的高分子聚合物,并在聚合物网络结构中嵌入一定种类的表面活性剂,通过试验测试证明合成的抑尘剂润湿效果较好,可以迅速粘结团聚粉尘,达到有效降尘防尘的目的。

图36 液滴润湿捕尘机理[81]
Fig.36 Mechanism of droplet wetting and dust collection[81]

普通的润湿剂虽然润湿性较好,可以有效润湿粉尘,达到降尘的目的,然而润湿剂的作用时间较短,在机械化程度较高的智能化矿井中应用受限。 对于矿井开采作业中降尘防尘用抑尘剂,学者们通过一系列的措施改进增加了普通润湿剂单一的性能,已经取得了较多研究成果,该类抑尘剂应该还需要按照以润湿为主,粘结为辅的多性能发展。

图37 抑尘剂粘尘SEM 测试[84]
Fig.37 SEM test of dust inhibitor[84]

图38 壳聚糖季铵盐改性机理[83]
Fig.38 Modification mechanism of chitosan quaternary ammonium salt[83]

2.5.2 露天煤矿用抑尘剂

我国煤矿赋存条件复杂,有些地区煤层埋深较浅,适合露天开采,大型车辆及采掘机械的制造使露天开采的煤矿进一步增加。 露天煤矿开采、堆存过程中受风力扰动影响容易产生随风飘散的粉尘,不仅严重影响大气环境、水资源等,而且严重威胁周边人群的身体健康,为了尽可能地减少煤炭露天开采、堆存过程中粉尘的产生,很多学者研发了以凝聚粘结为主,润湿为辅的复合型抑尘剂,利用材料本身的黏性或固结能力,粘结粉尘或是在粉尘表面形成一层具有一定强度的覆盖层,从而达到防止扬尘的效果。 诸多学者针对所需要的性能开展抑尘剂合成研究,取得了丰硕成果。 具有代表性如美国的Conherex 型粘结型化学抑尘剂、DCL-1803 型粘结型化学抑尘剂;南非开发的 ANT-1 型润湿型化学抑尘剂以及德国研制的 Mon-tan 型粘结型化学抑尘剂等[86]。 随着诸多学者的研究,粘结凝聚型抑尘剂性能在不断完善,DIXONHARDY 等[87]利用炼油厂的废弃物制备了高效粘结型抑尘剂,能有效粘结粉尘,抑尘周期达2 个月以上。 随着人们对环境保护的认识增加,此类抑尘剂的发展偏向于在原来基础上增加环保可降解特性。 如 KONDRASHEVA等[88]研究了生物炭和抑尘剂对生物环境修复的影响,为环境友好型抑尘剂的研究提供了借鉴[88];MIGUEL 等[89]用生物柴油提炼中产生的副产品甘油制备了一种粘结型抑尘剂,通过与试验制备的低聚甘油相比,该副产品具有更高的黏度,抑尘效果更好。 随着对环保要求的不断提高,粘结凝聚型的复合抑尘剂在原先防尘功能的基础上逐渐向环保、可降解方面发展。

2.5.3 复合型抑尘剂

目前我国粉尘防治方面的专家团队在化学抑尘技术方面已经取得了诸多科研成果,如通过改性天然高分子、优化性能复配等试验,研发了新型高效环保的SAD 型系列抑尘剂。 该类抑尘剂以天然高分子为主要原料,利用接枝共聚技术进行分子改性,在分子主链上生成支链,再复配少量表面活性剂,最终制备出无毒、可生物降解的环保型高分子喷雾抑尘剂。 同时,针对不同的粉尘环境研发了多种不同的抑尘剂,克服了单一抑尘剂抑尘时间短、润湿性差、难以自然降解等技术性难题,最终得到了新型润湿凝聚喷雾降尘抑尘剂、耐水耐盐环境适应型抑尘剂等成套产品。 从初期具备凝聚型、润湿型、粘结型等功能的单一型抑尘剂,到后期具备多功能的复合型抑尘剂;从煤炭开采现场、运输现场、储存现场等各个产尘的领域,都已有可供适用的抑尘剂。 其中以SAD 型系列喷雾抑尘剂为例,如图39 所示。

图39 复合型抑尘剂研发流程
Fig.39 R&D process of compound dust suppressant

在抑尘剂合成研究过程中,通过大量试验进行了抑尘剂单体、基体的优选以及温度等反应条件对产物抑尘效果的探究,确定了最佳组分用量以及最合适反应条件。 根据煤尘微观润湿机理,基于煤尘-增润剂两者分子结构相容性原理,采用接枝共聚-表面活性剂复配技术,开发了适用于煤尘润湿强弱差异性,且兼备润湿和凝聚功能的系列化复合型增润剂,解决了煤尘润湿性与其润湿剂两者之间匹配性差的难题,提升了煤尘润湿效果,推动了化学抑尘技术的发展。 研发的增润剂不仅润湿性能优良,且其高分子结构中的化学基团对粉尘凝并能力良好。 应用增润剂后,在喷雾降尘基础上,中、高变质程度煤尘湿式除尘效率可分别约提高23%、17%,保证了煤炭开采安全健康的工作环境,为社会发展起到积极的推动作用。

3 我国煤矿粉尘防治研究展望

近年来,随着我国煤矿机械化、自动化、智能化开采水平日益提高,作业环境粉尘污染日益严重,给矿井安全生产带来了较大影响,严重威胁着矿工的职业健康。 国内外学者从矿井粉尘防治方面进行了积极探索,取得了不少创新性的成果,然而,我国煤矿赋存条件复杂,不同矿区煤层情况、开采方式、技术装备水平、综合管理水平存在较大差异,煤矿粉尘防治理论技术的发展仍有较大提升空间。 为此,提出以下建议和展望。

1)在智能化防尘方面,围绕矿山粉尘防治与大数据、人工智能等深度融合的关键环节,大力推进研发基于激光散射和荷电融合技术的高精度呼吸性粉尘传感器;通过工矿作业环境粉尘职业健康试验平台,构建接尘量计算模型、粉尘职业健康危害预测模型,探究井下采掘及地面堆场作业时人员可吸入粉尘的理化特性、接尘量、沉积规律以及粉尘职业危害环境的形成机制,结合粉尘连续监测及动静态数据传输系统,建立粉尘环境卫生状况评价模型、健康水平评估标准与预警平台。

2)在煤层注水减尘方面,首先,通过建立煤体渗透率与煤体分形结构间量化关系,构建润湿特征参数与微观分形孔隙间的解析模型;然后,基于试验获得煤体破坏过程中的应力、应变与渗透演化规律,研究注水致裂过程中的声发射响应特征;其次,通过声波随介质密度变化规律研究,形成基于声发射阵列结合波速演化反演煤体注水范围的技术方法理论体系;再者,研发煤层水力强渗-增润快速增效材料以实现煤层注水全过程增效;最后,进行“钻-割-压-注”一体化技术研究,形成低渗煤层水力强渗-增润技术体系。

3)在采掘作业环境降尘方面,一方面实现在通风除尘条件下除尘器抽风量自动调控的基础上,开发集雾化除尘、干式、干湿混合式、小型化、吸风量大等于一体的组合式除尘器;另一方面还要研发风流-粉尘-瓦斯多组分耦合条件下的成套协同防治技术体系及装备,实现由单一防尘技术手段向多样复合技术的转变,从根本上解决高瓦斯矿井、煤与瓦斯突出矿井等的粉尘防治难题;在喷浆作业方面,要努力朝着潮喷技术、薄喷技术、速喷减弹技术、智能化喷浆机器人技术等方向发展,实现粉尘的源头治理。

4)在抑尘材料研发方面,首先,利用天然有机高分子材料,通过自内基聚合以及光协同催化等反应机理,制备出价格低廉、无毒无害、无二次污染的抑尘材料;然后,借助现代化分析测试手段测定材料的抑尘性能,同时通过分子动力学模拟实现抑尘机理推演,从而获得影响材料性能的主要因素并改进优化合成方法;最后,对复合型抑尘材料进行现场应用,并构建更为科学合理的评价指标体系。

参考文献(References)

[1]中华人民共和国国家统计局.2012—2018 年国家煤炭消费总量数据[EB1OL].(2019-02-11)[2020-02-17].http/ /data.stats.gov.cn.

[2]周 刚,程卫民,陈连军.矿井粉尘控制关键理论及其技术工艺的研究与实践[M].北京:煤炭工业出版社,2011.

[3]CANDRA K J,PULUNG S A,SADASHIV M A.Dust dispersion and management in underground mining faces[J].International Journal of Mining Science and Technolog,2014,24(1):39-44.

[4]罗 刚.综掘面粉尘运移规律模拟研究[D].徐州:中国矿业大学,2017.

[5]李雨成.基于风幕技术的综掘面粉尘防治研究[D].阜新:辽宁工程技术大学,2010.

[6]周 刚, 尹文婧, 冯 博.综采工作面移架尘源粉尘-雾滴场分布特征模拟分析与工程应用[J].煤炭学报, 2018,43(12):3425-3435.

[7]JI Y,REN T,PETER W,et al.A comparative study of dust control practices in Chinese and Australian longwall coal mines[J].International Journal of Mining Science and Technology,2016,26(2):199-208.

[8]刘荣华.综采工作面隔尘理论及应用研究[D].长沙:中南大学,2010.LIU Ronghua.Theory and application research on dust separation in fully mechanized mining face[D].Changsha:Central South U-niversity,2010.

[9]程卫民.矿井通风与安全[M].北京:煤炭工业出版社,2009.CHENG Weimin.Mine ventilation and safety[M].Beijing:Coal Industry Press,2009.

[10]国务院安委会办公室.关于陕西省榆林市神木市百吉矿业有限责任公司李家沟煤矿“1·12”重大煤尘爆炸等四起煤矿事故的通报[R].北京:中华人民共和国应急管理部,2019.

[11]毛 翎,彭莉君,王焕强.尘肺病治疗中国专家共识(2018 年版)[J].环境与职业医学,2018,35(8):677-689.MAO Ling,PENG Lijun,WANG Huanqiang.Consensus of chinese experts on pneumoconiosis treatment (2018 Edition)[J].Environment and Occupational Medicine,2018,35(8):677-689.

[12]林永听,葛燕萍,施为利,等.当前中国职业病防治问题的研究综述[J].中国卫生法制,2010(3):20-22.LIN Yongting,GE Yanping,SHI Weili,et al.Review of current research on occupational disease prevention in China[J].Chinese Health Law,2010(3):20-22.

[13]健康中国行动推进委员会办公室.健康中国行动(2019—2030年)新闻发布会[Z].北京,2019-07-30.

[14]DONG Longjun,TONG Xiaojie,LI Xibing,et al.Some developments and new insights of environmental problems and deep mining strategy for cleaner production in mines[J].Journal of Cleaner Production,2019,210(10):1562-1578.

[15]蒋仲安,陈 雅,王 佩.双尘源耦合下呼吸性粉尘扩散的紊流系数求解[J].哈尔滨工业大学学报,2017,49(8):129-134.JIANG Zhong’an,CHEN Ya,WANG Pei.Solution of turbulence coefficient of respirable dust diffusion under double dust source coupling[J].Journal of Harbin Institute of Technology,2017,49(8):129-134.

[16]刘 毅,蒋仲安,蔡 卫,等.综采工作面粉尘浓度分布的现场实测与数值模拟[J].煤炭科学技术,2006,34(4):80-82.LIU Yi,JIANG Zhongan,CAI Wei,et al.Site measurement and digital simulation of dust density distribution in fully mechanized longwall coal mining face[J].Coal Science and Technology,2006,34(4):80-82.

[17]RENAUD Ansart,ALAINDE Ryck,JOHN A Dodds,et al.Dust emission by powder handling:Comparison between numerical analysis and experimental results[J].Powder Technology,2009,190(1/2):274-281.

[18]PATANKAR N A ,JOSEPH D D .Modeling and numerical simulation of particulate flows by the Eulerian-Lagrangian approach[J].International Journal of Multiphase Flow,2001,27(10):1659-1684.

[19]REN Ting,WANG Zhongwei,GRAEME Cooper.CFD modelling of ventilation and dust flow behaviour above an underground bin and the design of an innovative dust mitigation system[J].Tunnelling and Underground Space Technology,2014,41:241-254.

[20]SUN Biao,CHENG Weimin,WANG Jiayuan,et al.Effects of turbulent airflow from coal cutting on pollution characteristics of coal dust in fully-mechanized mining face:A case study[J].Journal of Cleaner Production,2018,201:308-324.

[21]MAGESH T,ZHENG Y,TIEN J C.DPM simulation in an underground entry:comparison between particle and species models[J].International Journal of Mining Science and Technology,2016,26:487-494.

[22]谭 聪,蒋仲安,陈举师,等.综采割煤粉尘运移影响因素的数值模拟[J].北京科技大学学报,2014,36(6):716-721.TAN Cong,JIANG Zhongan,CHEN Jushi,et al.Numerical simulation of influencing factors of dust migration in fully mechanized coal mining[J].Journal of University of Science and Technology Beijing,2014,36(6):716-721.

[23]姚锡文,鹿广利,许开立,等.基于FLUENT 的大倾角综放面通风降尘系统[J].东北大学学报:自然科学版,2014,35(10):1497-1501.YAO Xiwen,LU Guangli,XU Kaili,et al.Ventilation and dust reduction system of large angle fully mechanized caving face based on fluent[J].Journal of Northeast University:Natural Science E-dition,2014,35 (10):1497-1501.

[24]NAKAYAMS S,UEHINO K.INOUE M.3 Dimensional flow measurement at heading face and application of CFD[J].Shigen To Sozai,1996,112(9):639-644.

[25]NIE Wen, WEI Wenle, MA Xiao,et al.The effects of ventilation parameters on the migration behaviors of head-on dusts in the heading face[J].Tunnelling and Underground Space Technology, 2017, 70:400-408.

[26]胡方坤,陆新晓,王德明,等,基于CFD 数值模拟分析综掘工作面粉尘迁移规律[J].中国煤炭,2012,38(6):94-98.HU Fangkun,LU Xinxiao,WANG Deming,et al.Based on CFD numerical simulation analysis of dust migration law in fully mechanized excavation face[J].China Coal,2012,38 (6):94-98.

[27]CHENG W,YU H,ZHOU G,et al.The diffusion and pollution mechanisms of airborne dusts in fully-mechanized excavation face at mesoscopic scale based on CFD-DEM[J].Process Safety and Environmental Protection,2016,104:240-253.

[28]YU H,CHENG W,WU Li,et al.Mechanisms of dust diffuse pollution under forced-exhaust ventilation in fully-mechanized excavation faces by CFD-DEM[J].Powder Technology,2017,317(15):31-17.

[29]YU H,CHENG W,WANG H,et al.Formation mechanisms of a dust-removal air curtain in a fully mechanized excavation face and an analysis of its dust-removal performances based on CFD and DEM[J].Advanced Powder Technology, 2017, 328:2830-2847.

[30]王 明,蒋仲安,田冬梅,等.岩巷综掘面混合式通风除尘数值模拟研究[J].华北科技学院学报,2019,16(5):11-17.WANG Ming,JIANG Zhongan,TIAN Dongmei,et al.Numerical simulation on compound ventilation and dust removal in full mechanized excavation face of rock roadway[J].Journal of North China Institute of Science and Technology,2019,16(5):11-17.

[31]董 平,单忠健,李 哲.超细煤粉表面润湿性的研究[J].煤炭学报,2004,29(3):346-349.DONG Ping, SHAN Zhongjian, LI Zhe.Study on surface wettability of superfine pulverized coal[J].Journal of China Coal Society,2004,29(3):346-349.

[32]聂百胜,何学秋,王恩元,等.煤吸附水的微观机理[J].中国矿业大学学报,2004,33(4):379-383.NIE Baisheng,HE Xueqiu,WANG Enyuan,et al.Mechanism of water adsorption by coal[J].Journal of China University of Mining and Technology,2004,33(4):379-383.

[33]王青松,金龙哲,孙金华.煤层注水过程分析和煤体润湿机理研究[J].安全与环境学报,2004,4(1):70-73.WANG Qingsong,JIN Longzhe,SUN Jinhua.Analysis of coal seam water injection process and study on coal body wetting mechanism[J].Journal of Safety and Environment,2004,4(1):70-73.

[34]KOLLIPARA V K,CHUGH Y P,MONDAL K.Physical,mineralogical and wetting characteristics of dusts from Interior Basin coal mines[J].International journal of coal geology, 2014, 127:75-87.

[35]ARKHIPOV V A,PALEEV D Y,PATRAKOV Y F,et al.Coal dust wettability estimation[J].Journal of Mining Science,2014,50(3):587-594.

[36]XU Chaohang,WANG Deming,WANG Hetang,et al.Experimental investigation of coal dust wetting ability of anionic surfactants with different structures[J].Process Safety and Environmental Protection,2019,121:69-76.

[37]LI Qingzhao,LIN Boquan,ZHAO Shuai,et al.Surface physical properties and its effects on the wetting behaviors of respirable coal mine dust[J].Powder Technology,2013,233:137-145.

[38]周 刚,程卫民,徐翠翠,等.不同变质程度煤尘润湿性差异的13C-NMR 特征解析[J].煤炭学报,2015,40(12):2849-2855.ZHOU Gang,CHENG Weimin,XU Cuicui,et al.13C-NMR analysis of wettability differences of coal dust with different metamorphic degrees[J].Journal of China Coal Society,2015,40(12):2849-2855.

[39]周 刚,薛 娇,程卫民,等.基于X 射线衍射实验的堆垛结构对煤尘润湿性的影响[J].工程科学学报, 2015,37(12):1535-1541.ZHOU Gang, XUE Jiao, CHENG Weimin, et al.Effect of stacking structure on the wettability of coal dust based on X-ray diffraction experiment[J].Chinese Journal of Engineering,2015,37(12):1535-1541.

[40]周建平,王海舰.综采面采煤机喷雾降尘控制系统改进优化研究[J].机电工程,2015,32(2):211-214.ZHOU Jianping,WANG Haijian.Improvement and optimization of spray dust control system for fully mechanized coal face shearer[J].Mechanical and Electrical Engineering, 2015, 32 (2):211-214.

[41]林鸿亮,刘道银,刘 猛,等.喷嘴雾化特性的试验及数值模拟[[J].动力工程学报,2015(12):998-1005.LIN Hongliang,LIU Daoyin,LIU Meng,et al.Experimental and numerical simulation of nozzle atomization characteristics[J].Journal of Power Engineering,2015(12):998-1005.

[42]周 刚, 聂 文, 程卫民, 等.煤矿综放工作面高压雾化降尘对粉尘颗粒微观参数影响规律分析[J].煤炭学报, 2014,39(10):2053-2059.ZHOU Gang, NIE Wen, CHENG Weimin,et al.Influence regulations analysis of high-pressure atomization dust-settling to dust particle's microscopic parameters in fully mechanized caving coal face[J].Journal of China Coal Society, 2014, 39(10): 2053-2059.

[43]句海洋.综采工作面喷雾降尘理论及应用研究[D].北京:华北科技学院,2015.

[44]SWANSON J G,LANGEFELD O.Fundamental research in water spray systems for dust control[J].Mining Technology,2015,124(2):78-82.

[45]TESSUM M W,RAYNOR P C.Effects of spray surfactant and particle charge on respirable coal dust capture[J].Safety and Health at Work,2017,8(3):296-305.

[46]MANKELEVICH Y A,OLEVANOV M A,RAKHIMOVA T V.Dust particle coagulation mechanism in low-pressure plasma:rapid growth and saturation stage modeling[J].Plasma Sources Science and Technology,2008,17(1):015013.

[47]WANG Jiayuan,ZHOU Gang,WEI Xing,et al.Experimental characterization of multi-nozzle atomization interference for dust reduction between hydraulic supports at a fully mechanized coal mining face[J].Environmental Science and Pollution Research,2019,26(10):10023-10036.

[48]周 刚, 程卫民, 王 刚,等.综放工作面粉尘场与雾滴场耦合关系的实验研究[J].煤炭学报, 2010,35(10):1660-1664.ZHOU Gang, CHENG Weimin, WANG Gang,et al.Experiment research of the coupling relationship between dust field and droplet field about fully mechanized and roof caving workface[J].Journal of China Coal Society, 2010, 35(10): 1660-1664.

[49]CHEN Lianjun,MA Guanguo,LIU Guoming,et al.Effect of pumping and spraying processes on the rheological properties and air content of wet-mix shotcrete with various admixtures[J].Construction and Building Materials,2019,225:311-323.

[50]JUNG Pangilchoi,YEON Heum,YUN Kyongku.Air-void structure,strength,and permeability of wet-mix shotcrete before and after shotcreting operation:The influences of silica fume and air-entraining agent[J].Cement and Concrete Composites,2016,70:69-77.

[51]YUN Kyongku,JUNG Pangilchoi,YEON Heum.Correlating rheological properties to the pumpability and shootability of wet-mix shotcrete mixtures[J].Construction and Building Materials,2015,98:884-891.

[52]周 刚,张 琦,白若男,等.大采高综采面风流-呼尘耦合运移规律CFD 数值模拟[J].中国矿业大学学报,2016,45(4):684-693.ZHOU Gang,ZHANG Qi,BAI Ruonan,et al.CFD numerical simulation of coupled air-dust migration in fully mechanized mining face with large mining height[J].Journal of China University of Mining and Technology,2016,45(4):684-693.

[53]刘荣华,王海桥,施式亮,等.用空气幕阻止粉尘向采煤机司机工作区扩散的模拟实验研究[J].湖南科技大学学报:自然科学版,2000,15(3):17-21.LIU Ronghua,WANG Haiqiao,SHI Xiliang,et al.Simulation experimental study on preventing dust diffusion to shearer driver working area with air curtain[J].Journal of Hunan University of Science and Technology:Natural Science Edition,2000,15 (3):17-21.

[54]李倩玉.综采工作面空气幕隔尘技术研究[D].西安:西安科技大学,2016.

[55]张建卓,祝天姿,高 猛,等.综掘面风幕集尘除尘系统的参数优化与数值模拟[J].中国安全科学学报,2011,21(4):128-131.ZHANG Jianzhuo,ZHU Tianzi,GAO Meng,et al.Parameter optimization and numerical simulation of wind curtain dust collection and dust removal system in fully mechanized heading surface[J].Chinese Journal of Safety Science,2011,21 (4):128-131.

[56]聂 文,程卫民,于岩斌,等.全岩机掘面压风空气幕封闭除尘系统的研究与应用[J].煤炭学报,2012,37 (7):1165-1170.NIE Wen,CHENG Weimin,YU Yanbin,et al.Research and application of air curtain closing and dust-removing system for fullrock machine-digging face-pressing air curtain[J].Journal of China Coal Society,2012,37 (7):1165-1170.

[57]聂 文,程卫民,周 刚,等.掘进面喷雾雾化粒度受风流扰动影响实验研究[J].中国矿业大学学报,2012,41(3):378-383.NIE Wen,CHENG Weimin,ZHOU Gang,et al.Experimental study on the influence of airflow disturbance on atomization particle size of heading face spray[J].Journal of China University of Mining and Technology,2012,41(3):378-383.

[58]聂 文,程卫民,周 刚.综掘工作面压风气幕形成机理与阻尘效果分析[J].煤炭学报,2015,40(3):609-615.NIE Wen,CHENG Weimin,ZHOU Gang.Analysis on formation mechanism and dust resistance effect of pressure gas curtain on comprehensive excavation working face[J].Journal of China Coal Society,2015,40(3):609-615.

[59]赵丽娟,黄 凯,洪 侠,等.基于FLUENT 的掘进机外喷雾降尘系统相似参数的探讨[J].中国安全生产科学技术,2016,12(6):65-70.ZHAO Lijuan,HUANG Kai,HONG Xia,et al.Discussion on the similar parameters of the external spray dust control system of roadheader based on FLUENT[J].China Safety Production Science and Technology,2016,12 (6):65-70.

[60]周 刚, 程卫民, 聂 文, 等.高压喷雾射流雾化及水雾捕尘机理的拓展理论研究[J].重庆大学学报, 2012,35(3):47-52.ZHOU Gang, CHENG Weimin, NIE Wen,et al.Extended theoretical analysis of jet and atomization under high - pressure spraying and collecting dust mechanism of droplet[J].Journal of Chongqing University, 2012,35(3):47-52.

[61]张晶晶.东荣二矿综掘面粉尘运移规律及高压喷雾降尘技术研究[D].阜新:辽宁工程技术大学,2012.

[62]孙 峰.大断面煤巷掘进工作面综掘机高压外喷雾降尘技术及装备的应用研究[J].矿业安全与环保,2019,46(3):52-56.SUN Feng.Application of high pressure external spray dust suppression technology and equipment for fully mechanized excavator in large section coal roadway heading face[J].Mining Safety and Environmental Protection,2019,46 (3):52-56.

[63]聂 文,程卫民,周 刚,等.掘进机外喷雾负压二次降尘装置的研制与应用[J].煤炭学报,2014,39(12):2446-2452.NIE Wen,CHENG Weimin,ZHOU Gang,et al.Development and application of two dust suppression devices for external negative pressure spraying of roadheader[J].Acta Sinica Sinica,2014,39(12):2446-2452.

[64]吴 兵,于振江,周 瑶,等.常村煤矿综掘面合理除尘方式选择及其应用[J].安全与环境工程,2014,21(5):98-103.WU Bing,YU Zhenjiang,ZHOU Yao,et al.Selection and application of reasonable dedusting method in comprehensive face of Changcun coal mine[J].Safety and Environmental Engineering,2014,21 (5):98-103.

[65]胡方坤.长压短抽全岩综掘面通风除尘的数值模拟与实践研究[D].徐州:中国矿业大学,2014.

[66]晋继伟.综掘工作面粉尘运移规律与多级防尘技术研究[D].西安:西安科技大学,2018.

[67]HU Shengyong,LIAO Qi ,FENG Guorui,et al.Numerical study of gas-solid two-phase flow around road-header drivers in a fully mechanized excavation face[J].Powder Technology,2019,344:959-969.

[68]聂 文,魏文乐,刘阳昊,等.岩石机掘面多径向旋流风控除尘方法的研究与应用[J].中南大学学报:自然科学版,2016,47(10):3612-3619.NIE Wen,WEI Wenle,LIU Yanghao,et al.Research and application of multi-radial swirl risk control dust removal method for rock excavation surface[J].Journal of Central South University:Science and Technology,2016,47(10):3612-3619.

[69]孙四清,张 群,闫志铭,等.碎软低渗高突煤层井下长钻孔整体水力压裂增透工程实践[J].煤炭学报,2017,42(9):2337-2344.SUN Siqing,ZHANG Qun,YAN Zhiming,et al.Practice of permeability enhancement through overall hydraulic fracturing of long hole in outburst-prone soft crushed coal seam with low permeability[J].Journal of China Coal Society,2017,42(9):2337-2344.

[70]段元帅,王 峰.大采深矿井工作面煤层注水防治冲击地压的研究与应用[J].山东煤炭科技,2019(3):180-182.DUAN Yuanjun, WANG Feng.Study and application of prevention and control of coal seam flood in large mining depth mine face[J].Shandong Coal Science and Technology,2019,(3):180-182.

[71]LIN Baiquan,ZOU Quanle,LIANG Yunpei,et al.Response characteristics of coal subjected to coupling static and waterjet impact loads[J].International Journal of Rock Mechanics and Mining Science,2018,103:155-167.

[72]LIN Baiquan,SONG Haoran,ZHAO Yang,et al.Significance of gas flow in anisotropic coal seams to underground gas drainage[J].Journal of Petroleum Science and Engineering,2019,180:808-819.

[73]张兆龙,翟 成,钱立平,等.利用瓦斯抽放钻孔进行综放面煤层注水防尘[J].江苏煤炭,2003(4):1-3.ZHANG Zhaolong,ZHAI Cheng,QIAN Liping,et al.Coal seam water injection and dust control in fully mechanized top coal caving face by using gas drainage borehole[J].Jiangsu Coal,2003,(4):1-3.

[74]彭 亚,蒋仲安,付恩琦,等.综采工作面煤层注水防尘优化及效果研究[J].煤炭科学技术,2018,46(1):224-230.PENG Ya,JIANG Zhong’an,FU Enqi,et al.Study on seam water injection and dust control optimization and effect of fully-mechanized coal mining face[J].Coal Science and Technology,2018,46(1):224-230.

[75]韩 斌,武拴军,李宏业.高效机械化湿喷混凝土技术及其在地下矿山的应用[J].金属矿山,2009,38(5):23-26.HAN Bin,WU Shuanjun,LI Hongye.High efficiency mechanized wet shotcrete technology and its application in underground mines[J].Metal Mines,2009,38(5):23-26.

[76]王治世,吴冷峻.地下矿山湿式喷射混凝土施工工艺研究[J].金属矿山,2009,38(S1):497-498,501.WANG Zhishi,WU Lengjun.Study on wet shotcrete construction technology in underground mines[J].Metal Mines,2009,38(S1):497-498,501.

[77]康金箭.湿喷混凝土在矿山支护工程中的应用[J].矿业工程研究,2014,29(4):13-16.KANG Jinjian.Application of wet shotcrete in mine support engineering[J].Mining Engineering Research,2014,29(4):13-16.

[78]包一迥.预拌混凝土搅拌机预存料斗技术研究[J].江西建材,2019(1):22-23,26.BAO Yijiong.Research on prestored hopper technology of readymixed concrete mixer[J].Jiangxi Building Materials,2019(1):22-23,26.

[79]董召禄.湿喷混凝土技术在祁南煤矿的研究与应用[D].徐州:中国矿业大学,2016.

[80]杨 静,谭允祯,伍修锟,等.煤尘润湿动力学模型的研究[J].煤炭学报,2009,34(8):1105-1109.YANG Jing,TAN Yunzhen,WU Xiukun,et al.Study on the dynamic model of coal dust wetting[J].Journal of China Coal Society,2009,34(8):1105-1109.

[81]阎 杰,杨永竹,段 龙,等.基于响应面法的煤尘抑尘剂配方的优化研究[J].应用化工,2019,48(9):2036-2040.YAN Jie,YANG Yongzhu,DUAN Long,et al.Study on optimization of coal dust inhibitor formula based on response surface method[J].Applied Chemistry,2019,48 (9):2036-2040.

[82]FAN Tao,ZHOU Gang,WANG Jiayuan.Preparation and characterization of a wetting-agglomeration-based hybrid coal dust suppressant[J].Process Safety and Environmental Protection,2018,113:282-291.

[83]LIU Yanghao,NIE Wen,JIN Hu,et al.Solidifying dust suppressant based on modified chitosan and experimental study on its dust suppression performance[J].Adsorption Science & Technology,2018,36:640-654.

[84]ZHANG Haihan,NIE Wen,WANG Hongkun,et al.Preparation and experimental dust suppression performance characterization of a novel guar gum- modification-based environmentally-friendly degradable dust suppressant[J].Powder Technology,2018,339:341-325.

[85]MA Yunlong,ZHOU Gang,DING Jianfei,et al.Preparation and characterization of an agglomeration-cementing agent for dust suppression in open pit coal mining[J].Cellulose,2018,25:4011-4029.

[86]LI Jianlong,ZHOU Fubao,LIU Hong.The selection and application of a compound wetting agent to the coal seam water infusion for dust control[J].International Journal of Coal Preparation and U-tilization,2016,36:192-206

[87]DIXONHARDY D W,BEYHAN S,EDIZ I G,et al.The use of oil refinery wastes as a dust suppression surfactant for use in mining[J].Environmental Engineering Science, 2008, 25 ( 8):1189-1195.

[88]KONDRASHEVA N K,ZYRIANOVA O V,KIREEVA E V,et al.Refinery byproducts in dust suppression and the prevention of rock adhesion and freezing at mines[J].Coke and Chemistry,2016,59(9):338-344.

[89]MEDEIROS M A,LEITE C M M,LAGO R M.Use of glycerol byproduct of biodiesel to produce an efficient dust suppressant[J].Chemical Engineering Journal,2012,180:364-369.

Research progress and prospect of dust control theory and technology in China’s coal mines in the past 20 years

CHENG Weimin1,2,ZHOU Gang1,2,CHEN Lianjun1,2,WANG Gang1,2,NIE Wen1,2,ZHZNG Qingtao1,2
(1.College of Safety and Environmental Engineering,Shandong University of Science and Technology,Qingdao 266590,China;2.State Key Laboratory of Mining Disaster Prevention and Control Co-founded by Shandong Province and the Ministry of Science and Technology,Shandong University of Science and Technology,Qingdao 266590,China)

Abstract:In recent years, with the increasing level of mechanization, automation and intelligence in mining, dust pollution in the working environment is becoming more and more serious.In order to further improve the clean production level of coal mines, promote the safety guarantee ability and occupational health level of coal mines, this paper analyzes the research status of dust control in China, summarizes the achievements of dust control theory and technology in the past 20 years, and puts forward the future development direction.In this paper, the existing basic theories of dust control are expounded, including dust dispersion pollution law, dust micro wetting theory, dust condensation and wet dedusting theory, wet shotcrete dedusting theory.Based on the above theory, domestic universities and scientific research institutes have developed dust control and dedusting technology of different dust sources, such as local atomization closure and air curtain isolation of comprehensive mining face, wind fog double curtain synergistic effect of comprehensive mining face, coal seam water injection strong infiltration and moistening, mine wet (tide) spray operation system, high-efficiency environmental protection dust suppressor, etc.At the same time, in view of the shortcomings of the existing research, the next research prospects are given in four aspects:intelligent dust prevention, coal seam water injection dust reduction, mining environment dust reduction, dust suppression materials.Research and practice show that China’s coal mines have initially formed a theoretical and technical system of dust prevention and control.In the future, it is necessary to take intelligent dust prevention as a starting point, realize high-precision dust sensing transmission evaluation and early warning, and develop a combined dust remover integrating atomization, dry-type, dry wet mixed type, miniaturization and large air suction, At the same time, the technology and equipment system of high-efficiency ventilation and dust control of fine dust in wide area complex space such as comprehensive mining face and comprehensive mining face are realized.At the same time, the technology and equipment system of hydraulic strong permeability and moistening technology in low permeability coal seam of mine, intelligent shotcrete dust-proof robot and dust suppression material are also achieved.In this way, the mine dust can be effectively controlled by different sources, and the cleaner production level of the mine can be improved.

Key words: coal mine dust control; dust removal technology; wet de-dusting; intelligent dust prevention; water injection dust reduction

中图分类号:TD714

文献标志码:A

文章编号:0253-2336(2020)02-0001-20

移动扫码阅读

程卫民,周 刚,陈连军,等.我国煤矿粉尘防治理论与技术20 年研究进展及展望[J].煤炭科学技术,2020,48(2):1-20.doi:10.13199/j.cnki.cst.2020.02.001

CHENG Weimin,ZHOU Gang,CHEN Lianjun,et al.Research progress and prospect of dust control theory and technology in China’s coal mines in the past 20 years[J].Coal Science and Technology,2020,48(2):1-20.doi:10.13199/j.cnki.cst.2020.02.001

收稿日期:2019-10-25;

责任编辑:王晓珍

基金项目:国家自然科学基金重点资助项目(51934004);国家自然科学基金面上资助项目(51774198);山东省高等学校“青创科技计划”资助项目(2019KJH005)

作者简介:程卫民(1966—),男,山东曹县人,教授,博士生导师。 E-mail:chengmw@163.com

通讯作者:周 刚(1979—),男,安徽阜南人,教授,博士生导师。 E-mail:zhougang@sdust.edu.cn