陆 曦1,2,牟伟腾3,刘 宁3 ,卢清松3 ,岳培恒3
(1.南京工业大学 环境科学与工程学院,江苏 南京 211800;2.南京工大环境科技有限公司,江苏 南京 210009;3.大唐(北京)水务工程技术有限公司,北京 100033;)
摘 要:为解决煤化工废水中多元酚难处理的难题,研究了O3耦合H2O2对氧化降解典型多元酚——对苯二酚效率的影响因素及其降解机理,优化了体系的反应参数,为处理实际碎煤制天然气高浓含酚废水奠定理论基础和技术支持。试验结果表明:O3投加流量和30%H2O2投加浓度比在去除和矿化酚类物质中起重要作用。在pH为7.0,O3投加量为210 mg/(L·min),对苯二酚初始浓度为150 mg/L,H2O2投加浓度为0.15%,反应温度为25.0 ℃时进行试验,对苯二酚的去除率可达100%,TOC去除率为39%;毒性研究进一步表明氧化反应可使多元酚的急性毒性由强毒减弱为中毒,降低了废水的毒性,达到预期处理目标,满足进入生物处理系统的条件。
关键词:臭氧/过氧化氢;煤化工废水;氧化;对苯二酚
中图分类号:X703;TD98
文献标志码:A
文章编号:0253-2336(2019)06-0225-06
LU Xi1,2,MOU Weiteng3,LIU Ning3,LU Qingsong3,YUE Peiheng3
(1.Institute of Environmental Science and Engineering ,Nanjing Tech University,Nanjing 211800,China;2.NJTECH Environment TechnologyCompany Limited,Nanjing 210009,China;3.Datang (Beijing) Water Engineering Technology Company Limited,Beijing 100033,China;)
Abstract:In order to solve the difficult problem of polyphenol treatment in coal chemical wastewater, the hydroquinone was chosen as a characteristic pollutant, and the influencing factors of this catalytical oxidation degrading phenols, the degrading mechanism of O3 coupled H2O2 on the oxidative degradation of typical polyphenols-hydroquinone were studied, and the reaction parameters of the system were optimized, which provides theoretical basis and technical support for the high concentration of phenol-containing wastewater from coal-based natural gas.The results showed that the O3 dosing flow rate and the 30% H2O2 dosing concentration play an important role in the removal and mineralization of phenolic substances.At the condition of pH of 7.0, the O3 dosage is 210 mg/(L·min), the initial concentration of hydroquinone is 150 mg/L, the concentration of H2O2 is 0.15%, and the reaction temperature is 25.0 ℃,the experiment is carried out to remove hydroquinone.The rate can reach 100% and the TOC removal rate is 39%.The toxicity study further indicates that the oxidation reaction can reduce the acute toxicity of polyphenols from strong toxicity to poisoning, reduce the toxicity of wastewater, achieve the expected treatment target, and meet the requirements of entering the biological treatment system.
Key words:O3/H2O2;coal chemical wastewater;oxidation;hydroquinone
陆 曦,牟伟腾,刘 宁,等.臭氧耦合过氧化氢去除煤化工废水中对苯二酚研究[J].煤炭科学技术,2019,47(6):225-230.doi:10.13199/j.cnki.cst.2019.06.034
LU Xi,MOU Weiteng,LIU Ning,et al.Study on removal of hydroquinone in Coal Chemical Wastewater by coupling ozone and hydrogen peroxide[J].Coal Science and Technology,2019,47(6):225-230.doi:10.13199/j.cnki.cst.2019.06.034
收稿日期:2018-11-19
责任编辑:赵 瑞
基金项目:江苏省教育厅高校自然科学基金重大资助项目(12KJA610002)
作者简介:陆 曦(1983—),男,江苏南京人,高级工程师,硕士。E-mail:76111574@qq.com
新型煤化工产业是解决传统煤炭资源利用过程中污染严重、资源转化率低等问题的有效手段,但煤化工生产企业排放的有机废水引发的水污染问题严重制约了该行业的发展。煤化工废水主要产生在洗涤、冷凝与分馏阶段,废水中含有大量的酚、氨、硫化物、氰化物和焦油,以及众多的杂环化合物和多环芳烃,属于高污染、高浓度和含较多有毒有害物质的工业废水,尤其是碎煤加压气化工艺,由于气化温度低、水蒸汽分解率较低,导致废水产生量大、有机物含量高、有毒有害物质浓度高、成分复杂,造成废水的可生化性较差[1-3],使用传统的生物工艺处理很难达到理想效果。研发去除有毒有害的难降解有机物、降低废水毒性的关键技术,寻找一种高效处理以期达到生物处理系统进水水质毒性要求的预处理工艺迫在眉睫[4-5]。
在煤化工废水污染物中,酚类污染物占较大比例,约为30%,是导致废水难降解、高毒性、生化性差及处理效果差的主要原因,尤其是多元酚的降解和去除直接影响煤化工废水治理效果[5-7]。目前,含酚类物质的废水处理技术主要包括生物法、物理法、化学法3大类,其中高级氧化法包括芬顿氧化法、臭氧氧化法、湿式氧化法和超临界水氧化法等,由于能够处理高浓度难降解的含酚有机废水,且具有工艺简单、处理速度快、占地面积小等优点,被广泛用于含酚废水的预处理或者深度处理[8-9]。
近年来研究发现通过臭氧分子、羟基自由基或两者的结合可以提高难降解有机物的去除率,如利用UV、H2O2、活性炭等作为催化剂催化臭氧氧化[10-13],可快速、非选择性降解多种污染物。例如汤茜等[14]研究发现Fe/AC催化剂与O3有协同效应,在碱性条件下可通过Fe/AC催化剂促进羟基自由基产生,加速降解酚类物质效率和矿化率。相比较而言,O3/H2O2法是一种高效、较成熟的处理工业废水的均相臭氧催化氧化技术。早在20世纪末,美国就采用O3/H2O2催化氧化技术运用于大部分的城市污水处理厂,充分利用O3与H2O2之间的协同作用,产生较多的·OH,其氧化和降解效果较单独使用O3或单独使用H2O2进行氧化的反应速率高10~200倍[15]。但目前关于耦合氧化煤化工高浓废水中典型多元酚的研究还比较少,且鲜有研究报道反应过程中急性毒性的变化。
笔者从解决煤化工高浓度废水中多元酚较难处理的现状出发,通过选择废水中对苯二酚作为目标污染物,研究O3/H2O2耦合氧化对苯二酚的影响参数,并考察处理前后废水急性毒性的变化,从而为解决煤制气废水及其他煤化工行业的废水问题提供理论基础和技术支撑,促进煤化工行业的可持续发展。
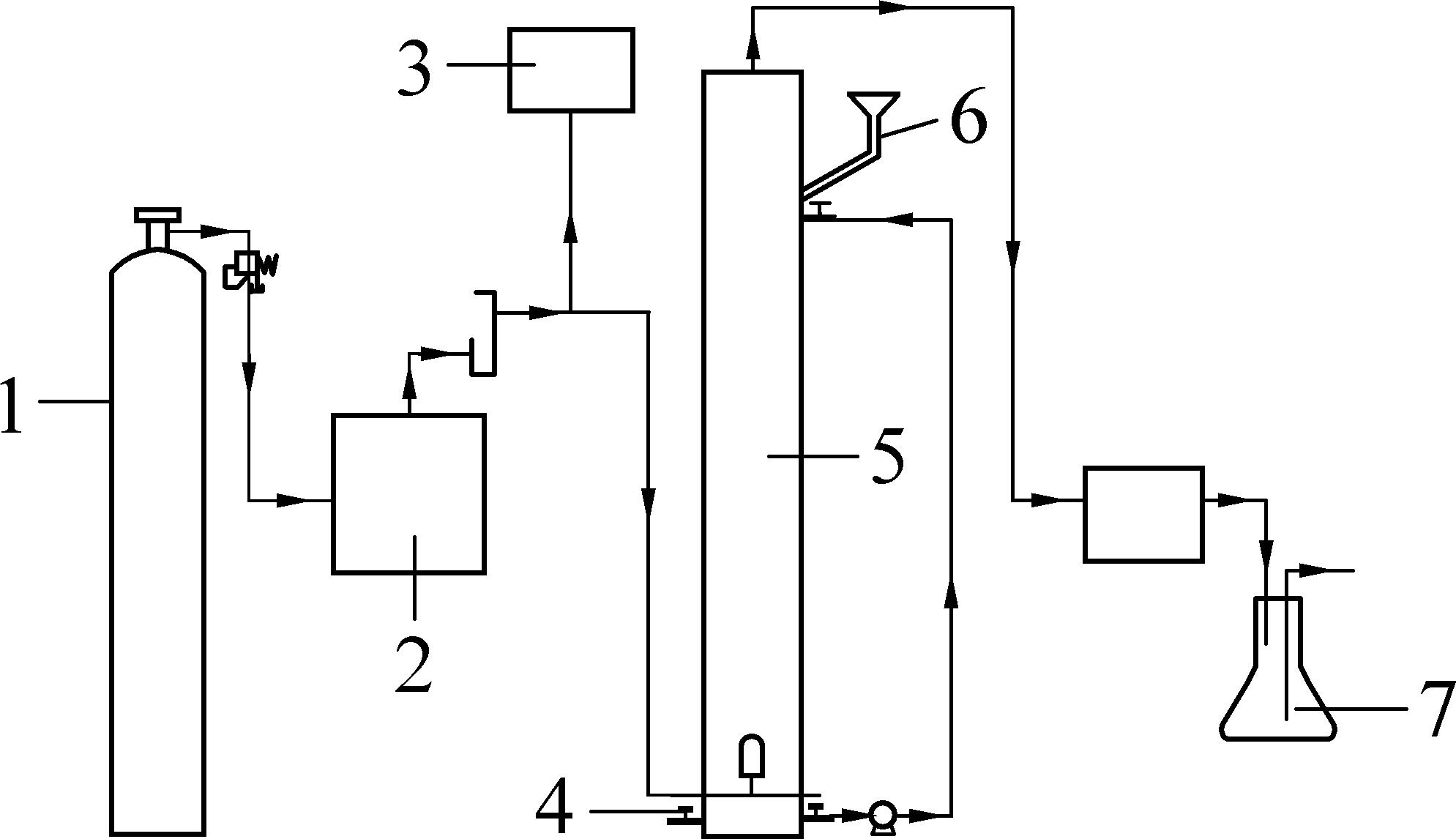
O3/H2O2氧化试验装置如图1所示,装置主要由氧化系统和尾气系统组成。反应器容积为60 mm×500 mm圆柱,臭氧发生器产生的O3混合气体通过气相浓度分析仪,并用转子流量计调节进气量,通过装置底部曝气头曝气,反应剩余O3通过聚四氟乙烯管进入2 %KI溶液的尾气吸收瓶[16],如图1所示,试验中利用温度探头与恒温水浴锅控制温度。

1—氧气瓶;2—臭氧发生器;3—流量计;4—取样口;5—氧化塔;6—进样口;7—尾气吸收装置
图1 O3/H2O2氧化试验装置
Fig.1 O3/H2O2 oxidation experimental device
试验开始前先用纯水洗涤反应器2~3次;臭氧发生器开机预热30 min,待其性能稳定后读取浓度值;配制2 L一定浓度的反应溶液,用体积分数为10% H2SO4或5% NaOH调节溶液的pH,再加入一定量30% H2O2后,反应开始计时,每隔10 min在取样口处取样,反应持续60 min。取样时,在取样管中加0.5 mLNa2S2O3(0.01 mol/L),终止反应的进行。每批试验重复进行3次,结果取平均值。O3投加流量=转子流量计读数×气相浓度仪读数。
反应溶液和反应后所取水样的总有机碳(TOC)采用总有机碳测定仪(TOC-VCPH,日本岛津)进行测定,并以反应前后TOC浓度的变化率来表示氧化过程中有机物的矿物率,即矿化率=(反应前溶液TOC浓度-反应后溶液TOC浓度)/反应前溶液TOC浓度×100%。
对苯二酚浓度采用高效液相色谱仪(HPLC)进行检测,样品使用0.45 μm有机滤膜进行预处理。HPLC测定的样品峰值的保留时间与真实样品对比,使用真实样品校正的方程对样品浓度进行计算,同一样品独立平行结果误差小于1%[17]。 HPLC分析采用外标法,以峰面积为横坐标,系列标准浓度为纵坐标通过线性回归建立标准曲线。
毒理学试验均依据国家的标准方法(GB/T 15441—1995)中描述的标准程序利用发光细菌进行。采用DeltaTox II便携式水质毒性分析仪对反应样品进行急性毒性检测。所取水样不添加Na2S2O3终止反应,避免其对测试带来负面影响,所测水样均有臭氧氧化延后现象,不会影响其数据的比较分析[18]。
溶液pH值是影响O3/H2O2氧化效率的主要因素之一,配制2 L初始质量浓度为125 mg/L对苯二酚溶液、O3投加量为180 mg/(L·min)、30% H2O2投加浓度为0.125%、反应温度为(25±1)℃,考察溶液中pH值(2.0、4.0、7.0和9.0)对降解氧化对苯二酚的影响,试验结果如图2所示。从图2可看出,提高体系pH会提高O3/H2O2氧化有机物的效率。选取氧化反应开始后10 min作为研究的时间点,当初始pH值从2.0升高到7.0时,对苯二酚的去除率由28%增加到45%;当pH值升高到9.0时,去除率提高到91%。在pH为9.0时反应15 min后,对苯二酚的去除率基本达到100%。

图2 pH对对苯二酚去除率的影响
Fig.2 Effect of pH on removal rate of hydroquinone
随初始pH值的增大,氧化反应不断进行,羟基自由基离子浓度的增加,导致·OH使不饱和键断裂,大部分大分子有机物被氧化,生成乙酸等小分子有机酸,这些小分子酸较难被矿化[16],因此在氧化反应后期,OH-对O3的催化速率降低,·OH的产生量减少,所以对对苯二酚的去除率降低。
在初始反应pH值为7,对苯二酚溶液质量浓度为125 mg/L,控制不同O3投加量的情况下,考察了对苯二酚降解、矿化随时间变化情况如图3所示。由图3a可知,反应进行30 min后,当O3投加量为50、130 mg/(L·min)时,对苯二酚的去除率分别为41%、73%;投加量为210、300 mg/(L·min)时,对苯二酚的去除率分别达到98.5%、98.9%。

图3 O3投加流量对对苯二酚去除率和TOC去除率的影响
Fig.3 Effect of O3 dosage on the removal rate of hydroquinone and TOC
为进一步考察O3投加流量对对苯二酚矿化效果的影响,测定了反应前后溶液TOC的变化,结果如图3b。在反应前半段,TOC去除率不高,可能是体系中大量的·OH先快速作用于对苯二酚的不饱和键上,使其断链或开环产生新的有机化合物,导致TOC值仍然较高[19],之后继续被·OH 和O3氧化分解生成小分子酸。
总体而言,O3投加量增大促进对苯二酚的氧化降解。较高O3浓度会推动化学平衡朝促进氧化反应的方向进行[20-21],但随反应的进行,水体中O3浓度接近饱和,不能溶解更多O3分子,继续投加臭氧并不会增加污染物的降解速率。故O3投加量在实际水处理中考虑出水条件和经济因素的前提下确定,在氧化降解对苯二酚试验中,选择O3投加流量为210 mg/(L·min)。
初始浓度能直接影响氧化降解污染物的去除效率。控制初始pH值为7,O3投加量为210 mg/(L·min),考察不同初始浓度(50、100、150、200 mg/L)对苯二酚在不同时间点的去除率,结果如图4所示。随着初始质量浓度的增大对苯二酚去除率不断降低,当对苯二酚初始质量浓度从50 mg/L增加到200 mg/L时,反应15 min后,其去除率从20%降至5%。虽然初始质量浓度增加导致去除率下降,但在不同初始浓度下对苯二酚去除的绝对量基本相同,均为10 mg/L左右,这是因为投加的O3量在相同时间内相同,因此在反应前期,对苯二酚去除的绝对量与投加的O3量有直接关系,而与对苯二酚的浓度无关。

C0为氧化前苯酚溶液浓度
图4 初始浓度对TOC去除率的影响
Fig4 Effect of initial concentration on TOC removal rate
H2O2易解离产生激发羟基自由基链式反应的引发剂HO2-,可以提高难降解有机物的去除率。试验过程控制初始pH值7,O3投加量210 mg/(L·min),苯二酚初始质量浓度150 mg/L,考察30% H2O2投加浓度(0.05%、0.10%、0.15%、0.20%)对氧化降解对苯二酚反应的影响。从图5可以看出H2O2投加浓度一定时,TOC的去除率随氧化时间的延长而增大,增大H2O2投加浓度可以促进对苯二酚的降解,但当H2O2浓度达到一定浓度时(0.15%),继续增大H2O2的投加浓度并没有对降解效果产生明显的促进作用,这可能是超量的H2O2与·OH快速发生反应,降低·OH在溶液中的有效利用率,从而抑制体系对有机污染物的降解。

图5 H2O2投加量对TOC去除率的影响
Fig.5 Effect of H2O2 dosage on TOC removal rate
本研究在初始pH值为7,O3投加量为210 mg/(L·min),苯二酚初始质量浓度为150 mg/L,30% H2O2投加浓度为0.15%的条件下,考察了不同反应温度(15、25、35 、45 ℃)对氧化降解对苯二酚能力的影响。由图6可知,反应温度T对对二苯酚的降解有显著的影响,其矿化率随着温度的升高而升高,增大反应温度有益于有机物的降解,温度的升高加速氧化对苯二酚反应,但需要注意的是温度升高同时也会加速O3无效分解,从而不利于反应进行,因此实际工程中应选择和进水水温相近的温度以降低能耗。

图6 温度对TOC去除率的影响
Fig.6 Effect of temperature on TOC removal rate
配制2 L质量浓度为150 mg/L对苯二酚溶液,温度控制25 ℃左右,调节pH在7.0左右,O3投加量为210 mg/(L·min),30% H2O2投加浓度为0.15%的条件下氧化对苯二酚60 min验证试验参数。反应后对苯二酚去除率约100%,此时矿化率约39%,达到预期处理目标。
氧化降解多元酚的反应过程中可能形成比原酚毒性更强的中间产物,影响后续生物处理系统的降解效果,因此探讨急性毒性的变化与酚浓度、TOC的关系,对氧化降解碎煤制气污水中典型多元酚的研究并运用于实际工程中显得尤为重要。在试验参数下进行氧化反应,利用发光细菌的相对发光强度对废水处理前后的急性毒性进行研究,试验结果取3次平均值,如图7所示。

图7 氧化降解对苯二酚过程中急性毒性的变化
Fig.7 Changes of acute toxicity in the process of oxidation of hydroquinone
从对苯二酚氧化降解过程的毒性变化趋势可知,反应10 min后对发光细菌的毒性作用增强,其相对发光强度约为2%,对苯二酚去除率为18%,矿化率为5%,说明生成了比原酚毒性更强的中间产物;20 min后78%的对苯二酚被降解,此时TOC去除率为11%,毒性减弱;反应30 min时,对对苯二酚的去除率接近100%,而此时TOC矿化率为18%,相对发光强度是22%;经60 min的氧化试验结束时,对苯二酚的酚类物质完全去除,TOC去除率约为34%,相对发光强度提高到48%,表明生物毒性大幅减弱。
反应初期毒性增强可能的原因是:在氧化反应初期,O3和·OH氧化降解对苯二酚生成苯醌类有机物,有强毒性作用的中间产物生成;随着氧化时间的延长,中间产物被O3和·OH持续氧化降解,且H2O2浓度也随之递减,逐步降解矿化成低毒或无毒的小分子物质,原酚溶液的强毒降至低毒,对微生物的危害减小,可生化性提高。
1)溶液pH、O3投加流量、对苯二酚初始浓度、H2O2投加浓度、反应温度对O3耦合H2O2氧化对苯二酚的效率均有显著影响,其中O3投加流量和30% H2O2投加浓度比在去除和矿化酚类物质中起重要作用。
2)O3耦合H2O2氧化对苯二酚的最优参数分别为:温度为25 ℃,初始pH值为7.0,对苯二酚初始浓度为150 mg/L,O3投加量为210 mg/(L·min),30%H2O2投加浓度为0.15%。在该操作条件下反应60 min后对苯二酚的去除率基本为100%,TOC的去除率为39%。
3)对苯二酚经氧化降解处理后水样的急性毒性明显减弱,说明氧化体系可高效去除高毒、难降解酚类污染物,为后续的生化处理提供了良好的条件。
参考文献(References):
[1] 何绪文,张晓航,李福勤,等.煤矿矿井水资源化综合利用体系与技术创新[J].煤炭科学技术, 2018, 46(9): 4-11.
HE Xuwen,ZHANG Xiaohang,LI Fuqin,et al.Comprehensive utilization system and technical innovation of coal mine water resources[J].Coal Science and Technology, 2018, 46(9):4-11.
[2] 霍 莹,郑贝贝,杨 勇,等.煤制天然气高含酚废水深度处理技术研究[J].工业水处理,2014,34(7):67-69.
HUO Ying,ZHENG Beibei,YANG Yong,et al.Study on the technology of deep treatment for high phenol wastewater from coal natural gas[J].Industrial Water Treatment,2014,34(7):67-69.
[3] 陈艳艳,王军胜,盛 飞,等.煤化工废水处理技术试验研究[J].环境工程,2014,32(2):68-71.
CHEN Yanyan,WANG Junsheng,SHENG Fei,et al.Experimental study on the technology of coal chemical wastewater[J].Environmental Engineering,2014,32(2):68-71.
[4] 吴莉娜,史 枭,柳 婷,等.煤化工污水特性和处理技术研究[J].科学技术与工程,2015,15(9):136-141,147.
WU Lina,SHI Xiao,LIU Ting,et al.Study on characteristics and treatment technology for coal chemical wastewater[J].Science Technology and Engineering,2015,15(9):136-141,147.
[5] 王 卓,王慧敏,刘 东,等.煤化工高浓含酚废水萃取脱酚实验研究[J].化学工程,2016,44(2):7-11.
WANG Zhuo,WANG Huimin,LIU Dong,et al.Study on the extraction and removal for high concentration wastewater containing phenol from coal chemical industry [J].Chemical Engineering,2016,44(2):7-11.
[6] 吴 限,韩洪军,方 芳.高酚氨煤化工废水处理创新技术分析[J].中国给水排水,2017,33(4):26-32.
WU Xian,HAN Hong jun,WAN Fang.Analysis of innovative technology of high concentration wastewater containing phenol from coal chemical industry[J].China Water & Wastewater,2017,33(4):26-32.
[7] 权 攀,陆 曦,党孟辉,等.褐煤气化废水的物化预处理[J].南京工业大学学报:自然科学版,2015,(4):129-133.
QUAN Pan,LU Xi,DANG Menghui,et al.Physical and chemical pretreatment of lignite gasification wastewater[J].Journal of Nanjing University of Technology:Nature Science Edition,2015,(4):129-133.
[8] 李世光,杨 曦.高级氧化法处理难降解有机废水技术[J].辽宁化工,2014,43(3):279-281.
LI Shiguang,YANG Xi.Advanced oxidation process for treatment of refractory organic wastewater[J].Liaoning Chemical Industry,2014,43(3):279-281.
[9] 杨水莲,田晓媛,吴 滨,等.Fenton高级氧化法深度处理焦化生化废水的实验研究[J].工业水处理,2014,34(10):26-29.
YANG Shuilian,TIAN Xiaoyuan,WU Bin,et al.Experimental study on deep treatment of coking biochemical wastewater by Fenton advanced oxidation method[J].Industrial Water Treatment,2014,34(10):26-29.
[10] 雷利荣.化学浆制浆废水污染特性及催化臭氧深度处理研究[D].广州:华南理工大学,2012.
[11] 洪 添,胡勇有,陈元彩,等.臭氧氧化深度处理某工业园的印染废水尾水[J].环境工程学报,2016,10(11):6217-6221.
HONG Tian,HU Yongyou,CHEN Yuancai,et al.Deep treatment by czone oxidation for printing and dyeing wastewater tail water in an industrial park[J].Journal of Environmental Engineering,2016,10(11):6217-6221.
[12] 胡 翔,李 进,皮运正,等.臭氧氧化水中壬基酚的反应机理研究[J].环境科学,2007,28(3):583-588.
HU Xiang,LI Jin,PI Yunzheng,et al.Study on reaction mechanism of czone oxidizes nonylphenol in water[J].Environmental Science,2007,28(3):583-588.
[13] 张 冉.非均相催化臭氧氧化深度处理煤化工废水[D].哈尔滨:哈尔滨工业大学,2011.
[14] 汤 茜,周玲妹,陆 丽,等.活性炭负载Fe3+催化臭氧氧化水中双酚A[J].辽宁化工,2014,43(6):663-667.
TANG Qian,ZHOU Lingmei,LU Li,et al.Activated charcoal supported by Fe3+ catalyzed bisphenol A in ozonated water.[J]Liaoning Chemical Industry,2014,43(6):663-667.
[15] PRATARN W,PORNSIRI T,THANIT S,et al.含酚废水处理的吸附和臭氧氧化动力学模型[J].中国化学工程学报(英文版), 2011(1):76-82.
PRATARN W,PORNSIRI T,THANIT S,et al.Adsorption and ozonation kinetics models of phenol wastewater treatment[J].Chinese Journal of Chemical Engineering(English),2011(1):76-82.
[16] 王俊芳.超重力法强化O3耦合H2O2处理苯酚废水的研究[D].北京:北京化工大学,2010.
[17] 邓国才,徐 莉,刘歆颖,等.邻苯二酚的高效液相色谱分析[J].分析化学,1996,24(11):1312-1316.
DENG Guocai,XU Li,LIU Xinying,et al.The HPLC analysis of catechol [J].Analytical Chemistry,1996,24(11):1312-1316.
[18] 李娟英,高 峰,陈 洁,等.酚类化合物对发光细菌的急性毒性和对ETS的抑制研究[J].上海海洋大学学报,2010,19(1):111-115.
LI Juanying,GAO Feng,CHEN Jie,et al.Study for phenolic compounds on acute toxicity of luminescent bacteria and inhibition of on ETS[J].Journal of Shanghai Ocean University,2010,19(1):111-115.
[19] DENG M J,ZHANG Y,QUAN X,et al.Acute toxicity reduction and toxicity identification in pigment-contaminated wastewater during anaerobic-anoxic-oxic (A/A/O)treatment process[J].Chemosphere,2017,168:1285-1292.
[20] 路 达,李占臣,刘晶晶.臭氧/双氧水协同氧化处理含酚废水[J].人造纤维,2014,40(3):22-25.
LU Da,LI Zhanchen,LIU Jingjing.Treatment of phenol containing wastewater by ozone / hydrogen peroxide[J].Journal of artificial fibres,2014,40(3):22-25.
[21] 吴唯民,杜 松.现代煤化工废水处理研究进展及展望[J].煤炭科学技术,2018,46(9):1-3.
WU Weimin,DU Song.Research progress and prospects of wastewate treatment from modern coal chemical industry[J].Coal Science and Technology,2018,46(9):1-3.