轻量化全液压坑道岩心钻机研制

凡 东,田宏亮,王瑞泽,常江华,鲁飞飞,邹祖杰,张 阳,王贺剑

(中煤科工集团西安研究院有限公司,陕西 西安 710077)

摘 要:为解决运输条件差的巷道中钻机搬迁的难题,采用轻型合金材料代替传统碳钢、模块化泵站设计、提升架无级伸缩,各部件间快速组装的思路,研制了ZDY1200G型全液压坑道钻机。采用铝合金材料、二级伸缩式油缸和耐磨导轨设计的箱体式给进装置,具有行程长、质量小的特点,并采用三维数字散斑动态应变测量分析了机身的形变量;由2个泵站构成的组合式泵站,既可单独工作也可并联使用,搬迁运输方便;设计了组合式孔道,利用马达的卸油解决了动力头在不同角度钻进时的润滑难题;设计了基于恒压变量泵的起下钻联动和夹转联动液压控制回路,响应速度快,解决了配油套卸油对钻机回转掉速的影响,提高了钻进效率。钻机可用于金属矿山地面和巷道内资源勘探孔的施工,也可用于煤矿瓦斯抽放孔、探放水孔和地质构造探查孔的施工。

关键词:坑道钻机;岩心钻机;绳索取心钻进;全液压;轻量化

0 引 言

坑道勘探节省了从地面到巷道的工程量,还可沿矿床层带施工近水平或上仰钻孔,找矿效率高,是深部资源勘探的一种有效手段[1-2]。目前坑道勘探施工钻机的代表机型有瑞典Atlas公司的Diamec U4、U6和U8,美国宝长年公司的HD 155,中煤科工集团西安研究院有限公司的ZDY900SG和ZDY1000G型钻机等[3-4],这些钻机均采用液压的传动方式,由主机、泵站和操纵台的3个部分组成,具有起下钻速度快、可远距离操作、适宜坑道内狭小空间的摆放等优点,基本满足坑道勘探的需要[5-6]。但其单个部件的质量较大,存在进一步解体劳动强度大、耗时长、现场拆装麻烦,人力搬迁运输困难[7-8]等问题。

随着技术进步,近年来出现了多款地面轻量化岩心钻机,代表机型有加拿大Hydracore公司的HC-1000、珠海市英格尔特种钻探设备有限公司的EP600、陕西核昌机电装备有限公司的HQY500等[9-10]。这些钻机采用轻型合金材料代替传统碳钢、多个小能力泵站通过胶管连通成为大能力的组合式泵站、可方便拆解的结构,大幅降低了钻机单个部件的质量,在运输条件差的野外使用方便,在地面勘探中尤其是复杂地面环境中取得了较好的业绩[11]。但这些钻机主要在地面用于垂直孔和小角度范围下斜孔的施工,其结构和功能难以满足坑道内狭小空间和多角度钻探的需要[12]

在这种情况下,结合现有坑道岩心钻机和地面轻量化型岩心钻机的优点,采用轻型合金材料代替传统碳钢、模块化泵站设计、提升架无级伸缩,各部件间快速组装的思路设计了ZDY1200G全液压坑道钻机(以下简称本钻机)。

1 全液压坑道钻机方案设计

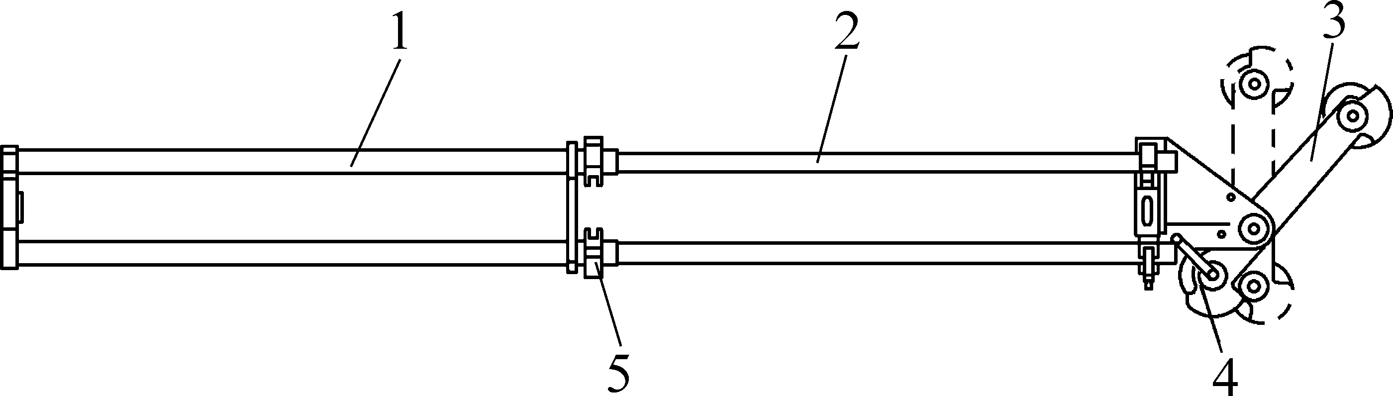
全液压坑道钻机(图1)重点解决钻机的搬迁难题,总体技术方案如下:

图1 ZDY1200G全液压坑道钻机

Fig.1 ZDY1200G full hydraulic drilling rig

1)采用轻型合金材料降低部件的质量。对常用的铝合金、钛合金材料从强度、刚度、焊接性、可加工性和成本等方面进行对比分析,本钻机挑选铝合金5052和6082作为部分部件的主材。

2)对钻机的各部件进行受力分析,从强度、刚度和耐磨性等方面考虑,确定给进机身、提升架、主机底座和泵站底座等部分选用铝合金材料。

3)2个泵站构成的组合式泵站,单个泵站可独立工作,满足浅孔时的施工需要;深孔施工时2个泵站可并联使用。

4)主机、泵站和操纵台之间采用液压胶管连接,快速组装拆解;回转器、托板、夹持器等主要部件间采用销轴连接,方便解体和组装。

根据国内坑道勘探施工深度和孔径等要求、类比国内外同类机型,确定ZDY1200G型钻机的主要能力参数如下:

额定转矩/(N·m)280~1 200额定转速/(r·min-1)310~1 000主轴倾角/(°)-90~90最大给进/起拔力/kN85电动机额定功率/kW37

2 全液压坑道钻机机械系统设计

全液压坑道钻机机械系统主要由动力头、给进装置、泵站、绞车和提升架等部分组成。

2.1 动力头

动力头由回转器及卡盘组成,是钻机执行回转运动和夹持钻杆的核心部件(图2)。回转器液压马达经一级齿轮减速传动输出钻进工艺需要的转速和转矩;卡盘夹紧钻杆随主轴一起转动,将动力传递给孔底的钻头[13]

1—液压马达;2—润滑接头;3—高速齿轮轴;4—高速轴轴承;5—高速轴前端盖;6—大齿轮;7—卡盘;a—润滑孔道;b—油液分配孔道

图2 动力头结构

Fig.2 Power head structure

钻机需要满足360°范围的钻进需求,高速齿轮轴两端轴承的润滑一直是动力头设计的难点,常规齿轮甩油润滑的方式效果难以保证;提高箱体内润滑油油面高度的方式,齿轮扰油发热严重、噪声大。

本钻机采用液压马达的卸油对其进行强制润滑,在回转器箱体上设计了与两端轴承座联通的润滑孔道,在润滑接头上设置了油液分配孔道;在润滑接头中加入自由滚动的钢球,形成了梭阀,可保证动力头在任意角度下处于较高位置的轴承得到足够的润滑油;油液分配孔道的2个端头处均设置了V型槽,让定量的油润滑位置低的轴承。

2.2 给进装置

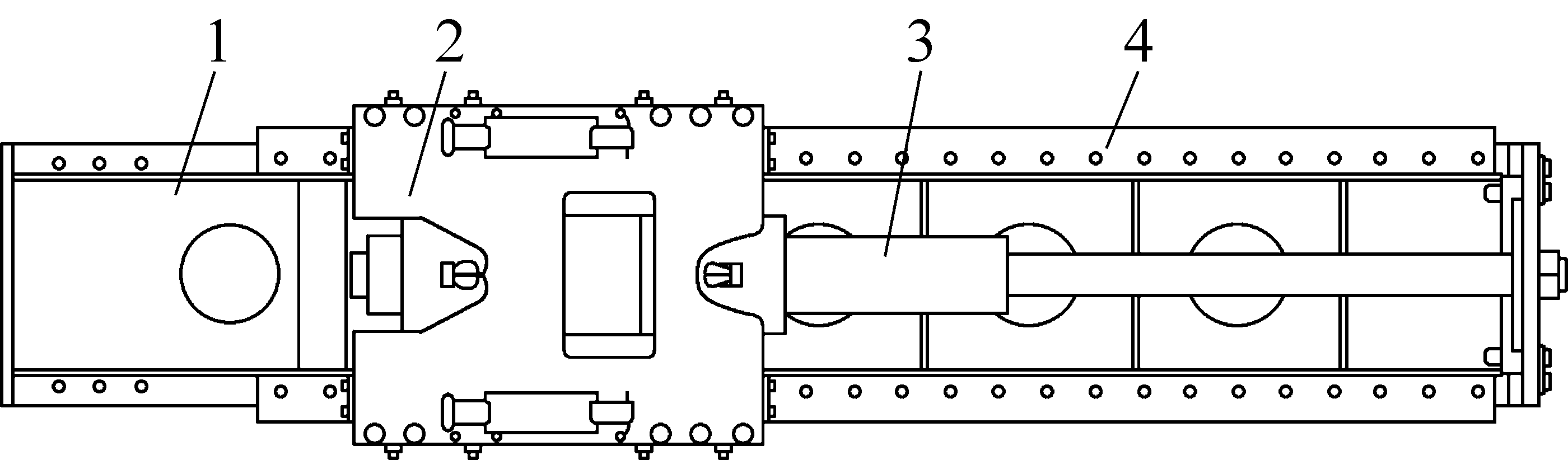
给进装置在钻进时负责提供进给运动,在起下钻具时需要快速的给进起拔,处理孔内事故时则要求能够进行强力起拔,是钻机的重要部件。钻机在有限的空间和质量的要求下,增大给进起拔力、提高运行速度、增长行程是设计的难点[14]

全液压坑道钻机给进装置由给进机身、托板、油缸和导轨等组成(图3)。其中一根双杆双级双作用油缸的两端与给进机身依靠缸杆和螺母连接,可靠性高、机身刚度好、制造简便;托板依靠U型凸台与油缸缸体上的凸台配合传递给进起拔力,避免了油缸与托板因高度差造成的额外弯矩,受力条件好、运动平稳。机身长度2 251 mm,油缸总行程1 000 mm,在短机身上获得长行程,间接提高了钻效。

给进机身用铝合金材料,使用板材折弯,并与端板焊接成箱体结构,减轻了整机质量。导轨选用耐磨材料,与给进机身采用螺栓连接,避免铝合金材料不耐磨的问题。当快速拆解拖板后,给进装置质量仅为322 kg。

1—给进机身;2—托板;3—油缸;4—导轨

图3 给进装置

Fig.3 Feeding device

2.3 提升架

提升架在绳索取心时作为绞车提拉内管总成的桅杆。其长度越大,可使用更长的岩心管,减少停钻次数。但受巷道尺寸的制约,定长式提升架难以兼顾效率和空间的需求。无级伸缩式提升架由固定架、活动架、转动架、弹簧和扣件等组成(图4),可根据巷道的实际空间灵活调节长度,调节范围为1.5~2.5 m,减少了内管打捞次数,提高勘探效率。提升架采用铝合金材料,总质量仅27.4 kg。

1—固定架;2—活动架;3—转动架;4—弹簧;5—扣件

图4 无级伸缩式提升架

Fig.4 Stepless telescopic lifting frame

活动架顶端安装有转动架,作业时钢丝绳一端缠绕在绞车上,另一端绕过转动架连接内管钻具。内管钻具下放与上提过程中,钢丝绳受拉力张紧,弹簧伸长,转动架转动到下放状态后由限位销限位,使钢丝绳与钻孔对中,减小钢丝绳的运行阻力;下放到位或钻具提出后,钢丝绳卸力松弛,弹簧缩回,转动架转回初始位置,让开孔口,方便安装或拆卸外管钻具。

2.4 泵站

全液压坑道钻机采用1个独立且可组合使用的小泵站代替传统的单个泵站,由油箱、冷却器、电动机和底座等组成(图5)。泵站采用便于拆装的结构,液压泵安装在固定于底座的泵座上,与电动机采用梅花弹性联轴器连接,只需拆装4个固定螺栓,可实现电动机与油箱的快速解体和组装,方便泵站的搬迁运输。

1—油箱;2—冷却器;3—电动机;4—底座;5—泵座

图5 泵站结构

Fig.5 Pumping station structure

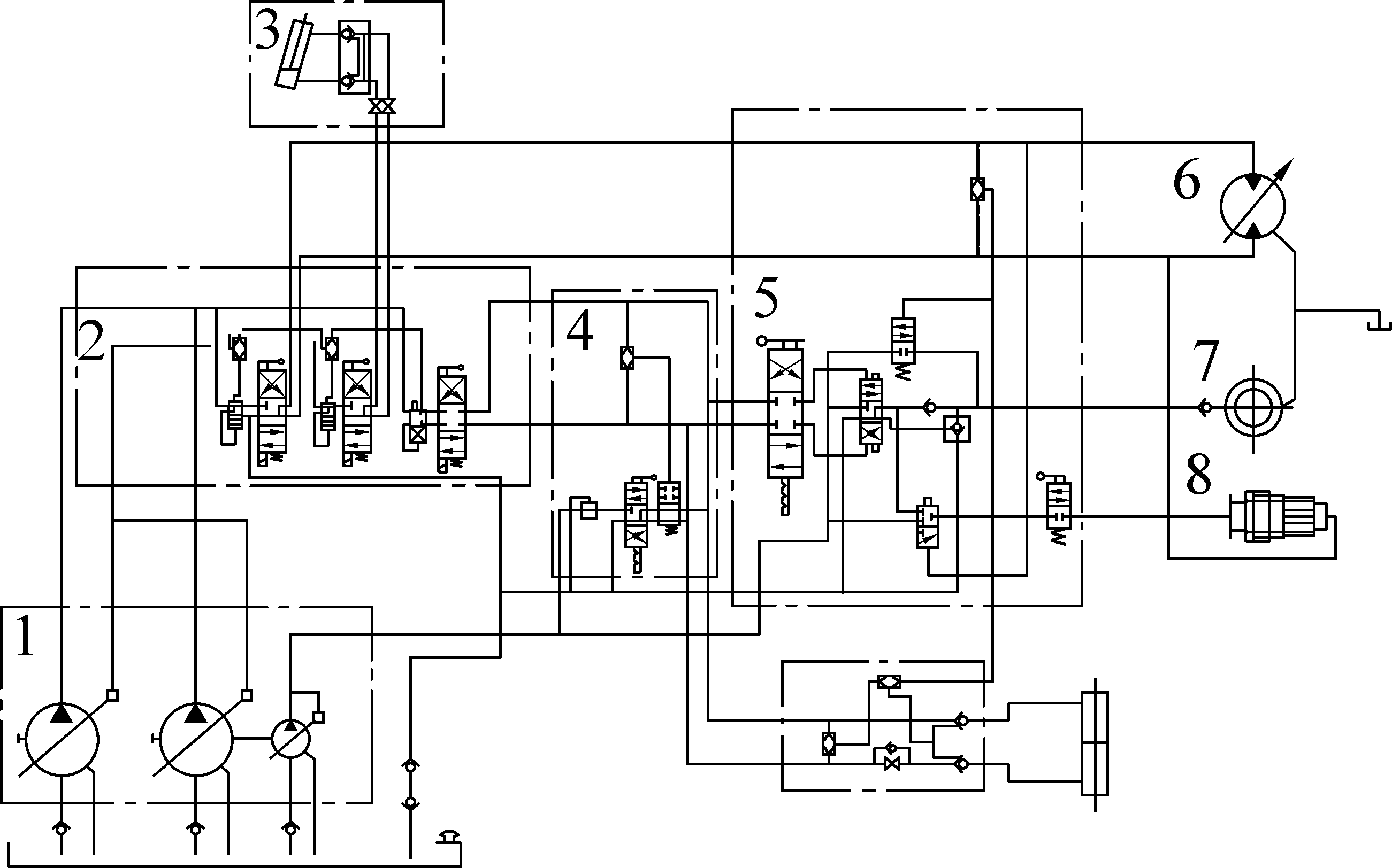
3 液压系统设计

液压系统是钻机的核心,由回转和给进2个基本回路和卡盘、夹持器等辅助功能回路组成,负责为各部件提供动力并控制其启停、速度和执行力的大小,原理如图6所示。为减轻单个泵站质量,钻机液压系统采用三泵系统,2个负载敏感泵并联作为主泵,1个恒压变量泵作为副泵。回转回路采用负载敏感系统,动力头转速调节方便、刚性高、减小节流及溢流损失,降低了钻机散热系统的负荷。主泵还用于控制快速给进和起拔[15]。副泵控制慢速给进回路,恒压变量系统流量适应钻进时大幅度的压力调节和流量小的工况,负载适应性好、无溢流损失。

3.1 辅助功能回路

以往钻机辅助回路的控制油来自各主要执行回路,为保证卡盘、夹持器与给进装置等机构间的协调动作,需在主回路上增加背压且需要不停地进行调整[16];卡盘由采用间隙密封的配油套供油,其泄露量会影响回转回路的效率。本钻机采用副泵为卡盘及夹持器供油,通过与给进回路、回转回路连接的液控换向阀实现联动控制,液控阀控制油源取自各主要执行机构,而卡盘及夹持器的油源则取自副泵,这样可以保证卡盘及夹持器的动作可靠、响应速度快,同时由于主执行回路只提供给液控阀控制的流量较小,主回路流量损失小,提高了主回路效率。

1—泵组;2—主多路阀;3—调角回路;4—慢速给进回路;5—辅助回路;6—回转马达;7—卡盘;8—夹持器

图6 ZDY1200G型全液压坑道钻机液压系统原理

Fig.6 Hydraulic system principle of ZDY1200G type full hydraulic drilling rig

3.2 卷扬控制回路

卷扬在绳索取心钻进时才使用,钢丝绳随打捞工具自由下放至打捞位置,然后提升内管总成[17]。打捞工具下放时依靠重力或水力推进,以往只能依靠离合机械式脱离或马达反转的方式来实现钢丝绳随动下放,其中卷筒与驱动端离合脱离的方式下放速度越来越快,会造成内管总成部件的冲击损坏;依靠液压马达反转,下放速度太快钢丝绳容易卡滞,速度太慢影响效率,且操作麻烦、液压系统发热严重。针对这些问题,设计了专用的绳索取心卷扬控制回路,如图7所示。

1—绞车马达;2—减压阀;3—单向阀;4—节流阀;5—梭阀;6—换向阀

图7 卷扬控制原理

Fig.7 Control principle of winch

卷扬控制回路由液压马达、安全阀、单向阀、节流阀、换向阀组成。液压马达驱动卷扬提升或下放钻具,设定安全阀开启阀值,可避免提升力过载,减小惯性冲击。节流阀可在卷扬随动下放时调节下放速度,并在卷扬回油口产生一定背压,提高卷扬随动平稳性,当不需要卷扬随动时,可关闭节流阀。换向阀采用Y形中位,可为马达随动下放时补油。回路实现了钻具的随动下放,速度可控,效率高且操作简便。

4 试验检测

4.1 型式试验

钻机在国家安全生产西安勘探设备检测检验中心(甲级)的钻机性能综合试验台上进行型式试验。回转加载时,用钻杆将钻机与转矩转速传感器、回转加载装置连接起来,利用加载装置由低到高逐渐加载,测量回转器主轴输出转矩和转速。测得最大转矩1 200 N·m时对应的转速为316 r/min;最大转速1 000 r/min时对应的转矩为287 N·m。测得最大给进/起拔力分别为86.2 kN和86.8 kN。试验对主要性能参数进行了测试,钻机运转正常,测试结果表明样机达到了设计的性能要求。

4.2 钻机给进机身变形测试

为了分析铝合金给进机身的变形情况,采用三维DIC散斑系统及静态变形测量系统进行变形量观测(图8)。

图8 左右摄像头测量区域示意

Fig.8 Measurement area of left and right camera

钻机转矩对机身的影响较小,而强力起拔时机身变形最大,因此选择起拔力逐渐加载至86.5 kN测量机身的变形量。三维测量系统采用双摄像头实现,选择测量区域为给进装置托板的下方区域,选择的测量区域大小为2 116 mm×233 mm。

测量区域变形云图如图9所示,所选测量区域的最大变形量为0.84 mm,最小变形量为0.75 mm,平均变形量为0.80 mm,机身的变形量较小满足刚度的要求。

图9 测量区域变形云图

Fig.9 Deformable cloud chart of measurement area

5 结 语

1)ZDY1200G型全液压坑道钻机部分部件选用铝合金材料,设计了组合式泵站、伸缩式提升架等新结构,减轻了部件的质量,降低了搬迁运输的劳动强度。

2)设计了基于恒压变量泵的联动回路,响应速度快,并解决了配油套卸油对回转回路的影响,提高了钻进效率。

3)钻机可用于金属矿山勘探孔的施工,选用符合安标的轻质合金后,也可用于煤矿瓦斯抽放孔、探放水孔和地质构造探查孔的施工,这些结构和液压系统也可用于其他坑道钻机的设计上。

参考文献(References):

[1] 彭苏萍.深部煤炭资源赋存规律与开发地质评价研究现状及今后发展趋势[J].煤,2008(2):1-11.

PENG Suping.Present study and development trend of the deepen coal resource distribution and mining geologic evaluation[J].Coal,2008(2):1-11.

[2] 凡 东,魏欢欢,刘庆修.面向深部煤炭资源勘探的坑道钻探装备的研究[C]//第六届全国煤炭工业生产一线青年技术创新文集.北京:煤炭工业出版社,2011.

[3] 张 惠,张晓西,马保松,等.岩土钻凿设备[M].北京:人民交通出版社,2009.

[4] 常江华.坑道水平孔取心钻进技术的应用[J].化工矿物与加工,2014(11):46-48.

CHANG Jianghua.Study and application of horizontal hole coring drilling technology in tunnel exploration[J].Industrial Minerals & Processing,2014(11):46-48.

[5] 凡 东.ZDY1000G 型全液压坑道钻机的应用[J].煤炭工程,2013(6):17-118.

FAN Dong.Application of ZDY1000G mode full hydraulic mine roadway drilling rig[J].Coal Engineering,2013(6):117-118.

[6] 凡 东,殷新胜,常江华,等.ZDY1000G 型全液压坑道钻机的设计[J].煤田地质与勘探,2011,39(1):78-80.

FAN Dong,YIN Xinsheng,CHANG Jianghua,et al.The design of

ZDY1000G type all hydraulic tunnel drilling rig[J].Coal Geology & Exploration,2011,39(1):78-80.

[7] 史海岐,常江华,刘庆修.绳索取心钻进技术在大安山矿区的应用[J].化工矿物与加工, 2013(3):34-37.

SHI Haiqi,CHANG Jianghua,LIU Qingxiu.Application of borehole wire line coring technology in Daanshan Mining Area[J].Industrial Minerals & Processing, 2013(3):34-37.

[8] 殷新胜,魏欢欢,凡 东,等.中深孔坑道勘探技术与装备的研究[C]//第十六届全国探矿工程(岩土钻掘工程)技术学术交流年会论文集.北京:地质出版社,2011.

[9] 杨培智,郑明珠.EP600便携式全液压钻机在广西良结新寨矿区钻探中的应用[J].科技经济导刊,2016(7):87-88.

YANG Peizhi,ZHENG Mingzhu.Application of EP600 portable full hydraulic drill in drilling of Guangxi Liangjie Xinzhai mining area[J].Science and Technology Economic Guide,2016(7):87-88.

[10] 宋端正.HC600型全液压动力头便携式钻机在陇东南山区生产应用效果及经济性分析[J].探矿工程:岩土钻掘工程,2013,40(4):48-50.

SONG Duanzheng.Application effects of HC600 full hydraulic dynamic head portable rig in mountain area of southeast Gansu and the economic analysis[J].Exploration Engineering:Rock & Soil Drilling and Tunneling,2013,40(4):48-50.

[11] 汪 涛.云南某矿区复杂地层深孔岩心钻探关键技术应用研究[D].北京:中国地质大学(北京),2012.

[12] 魏欢欢,殷新胜.近水平孔坑道用绳索取心钻具[J].煤田地质与勘探,2011,39(3):74-80.

WEI Huanhuan,YIN Xinsheng.Wire-line coring drilling tool and pipe used in nearly horizontal boreholes in tunnel[J].Coal Geology & Exploration,2011,39(3):74-80.

[13] 凡 东,常江华,王贺剑,等.ZMK5530TZJ100 型车载钻机的研制[J].煤炭科学技术,2017,45(3):111-115,146.

FAN Dong,CHANG Jianghua,WANG Hejian, et al.Research and development on ZMK5530TZJ100 mode truck-mounted drilling rig[J].Coal Science and Technology,2017,45(3):111-115,146.

[14] 凡 东.150T煤层气车载钻机给进装置研究及液压驱动系统设计[D].西安:长安大学,2017.

[15] 邹祖杰,凡 东,刘庆修,等.矿山地面大直径钻孔救援提升装备研制[J].煤炭科学技术, 2017, 45(12): 160-165.

ZOU Zujie,FAN Dong,LIU Qingxiu,et al.Research and development on rescue lifting equipment of large diameter borehole at mine ground[J].Coal Science and Technology, 2017, 45(12): 160-165.

[16] 常江华.煤层气钻机车液压系统污染原因与控制[J].煤矿机械,2015,36(2):233-235.

CHANG Jianghua.Reasons and control on pollution in hydraulic system of truck-mounted drilling rig[J].Coal Mine Machinery,2015,36(2):233-235.

[17] 张恒春,胡郁乐,陈福练,等.松科2井6 500 m绳索取心绞车研制[C]//第十九届全国探矿工程(岩土钻掘工程)学术交流年会论文集,乌鲁木齐,2017.

Development of portable full hydraulic underground coring drilling rig

FAN Dong,TIAN Hongliang,WANG Ruize,CHANG Jianghua,LU Feifei,ZOU Zujie,ZHANG Yang,WANG Hejian

(Xian Research InstituteChina Coal Technology and Engineering Group, Xian 710077,China)

Abstract:In order to solve the problem of relocating the drilling rig in the underground construction with poor transportation conditions, the ZDY1200G portable full hydraulic underground drilling rig has been developed by using the design ideas such as replace traditional carbon steel with light alloy, combine single pump station together,stepless telescopic pulling yoke and fast assembling components. This paper introduced a box type feeding device designed with aluminum alloy material, two stage telescopic oil cylinder and wear-resistant guide rail, which made the feeding mechanism had the characteristics of long stroke and light. The three-dimensional digital speckle dynamic strain measurement was used to analyze the shape variables of frame. The combined pump station composed of two independent pumping stations, which could work separately or in combination. And also it was convenient to move and transport. The lubrication problem of the power head at different angles was solved by using the leaked oil from motor and clearance seal through the combined pass. The tripping linkage and linkage clip loop were designed based on constant pressure variable pump. It had improved the drilling efficiency by increasing the linkage response speed and solving the effect of unloading oil on the rotation of the drilling rig. The drilling rig could be used in the deep resource exploration holes in metal mines, and could also be used for gas drainage holes, dewatering orifices, geological exploration holes for coal mine.

Key words:underground drilling rig; coring drilling rig; wire line core drilling; full hydraulic; light weight

中图分类号:TD41

文献标志码:A

文章编号:0253-2336(2019)12-0131-05

移动扫码阅读

凡 东,田宏亮,王瑞泽,等.轻量化全液压坑道岩心钻机研制[J].煤炭科学技术,2019,47(12):131-135.doi:10.13199/j.cnki.cst.2019.12.018

FAN Dong,TIAN Hongliang,WANG Ruize,et al.Development of portable full hydraulic underground coring drilling rig[J].Coal Science and Technology,2019,47(12):131-135.doi:10.13199/j.cnki.cst.2019.12.018

收稿日期:2019-05-22;责任编辑:赵 瑞

基金项目:陕西省科技统筹创新工程计划资助项目(2016KTCQ01-73);中煤科工集团西安研究院有限公司科技创新基金资助项目(2016XAYMS01)

作者简介:凡 东(1980—),男,湖北枣阳人,副研究员,硕士。Tel:029-81881656,E-mail:fandong@cctegxian.com