近年来,随着对煤炭需求的日益增长,深部煤炭资源和复杂地质条件下的煤炭资源的开采愈加频繁。与此同时,开采难度的增加常常伴随着事故可能性的增加。良好的矿井设计与防范治理可以降低事故发生率,然而由于井下情况的复杂特征,井下事故难免发生,救援难度也会提升。所以当事故发生后,保证快速发现井下被困人员,迅速建立通信与物质上的联系,实施安全救援等都是整个救援工作的重要组成环节。矿用井孔救援系统对救援被困人员至为重要[1-2],当发生诸如矿井停电、副井故障、矿井水灾火灾塌矿等矿山紧急事故时,应在第一时间保证井下被困人员的安全,并通过救援井建立与地面物质联系。然后用绞车将井下被困人员通过已有井筒或救援井筒提升至地面[3]。绞车根据功能需要已应用于各行各业,涉及煤矿及相关工程的有钻机上的升降机,辅助取心用的绳索取心绞车,矿井提升机,矿井下的调度绞车等。对于矿井紧急事故,救援绞车则是将井下人员从被困部位安全输送到地面的重要救援设备,用于救援过程的最终环节,所以其安全可靠的运行对被救人员的人身财产安全至为重要[4-5]。山东能源新矿集团新巨龙公司引进了自移式救援绞车[6],使绞车具备了灵活易搬运特点。而笔者主要针对救援绞车安全提升人员的功能需求,从绞车的总体机械结构上探讨一些特定功能,如排绳功能、计深功能、称重功能的实现方式。此外,建立了基于AMESim软件[7-10]的机械-液压联合系统仿真模型,以模拟绞车动作和控制功能的实现方式,以期为救援绞车的设计研发提供借鉴。
救援绞车作为绞车的一种,应具备一般绞车的基本功能要求。应用于各行业情况的绞车基本功能要求相同[11-14],动作功能包括提升动作、下放动作以及刹车功能。其结构要求坚固稳定,使用寿命达到预期。其能力要满足设计井深的最大提升载荷。此外绞车还应尽量做到结构紧凑,便于维修,易于拆卸,常采用自移式底盘以便于搬运。绞车应用于各种工况又具有功能的特殊性,在矿井救援工作中,绞车还应具备自动排绳功能、自动计深功能以及称重功能等。
绞车的自动排绳功能可以有效实现钢丝绳有序排列在卷筒上,使之均匀磨损,避免钢丝绳乱缠堆积等不良问题的出现[15-16]。绞车的自动计深功能可以精确判断救援舱的准确位置,在开车过程中提供最直观的位置显示[17-19]。称重功能可以实时测量钢丝绳受力状况,及时判断绞车提升过程是否平稳顺畅,同样是开车过程需要关注的重要情况。
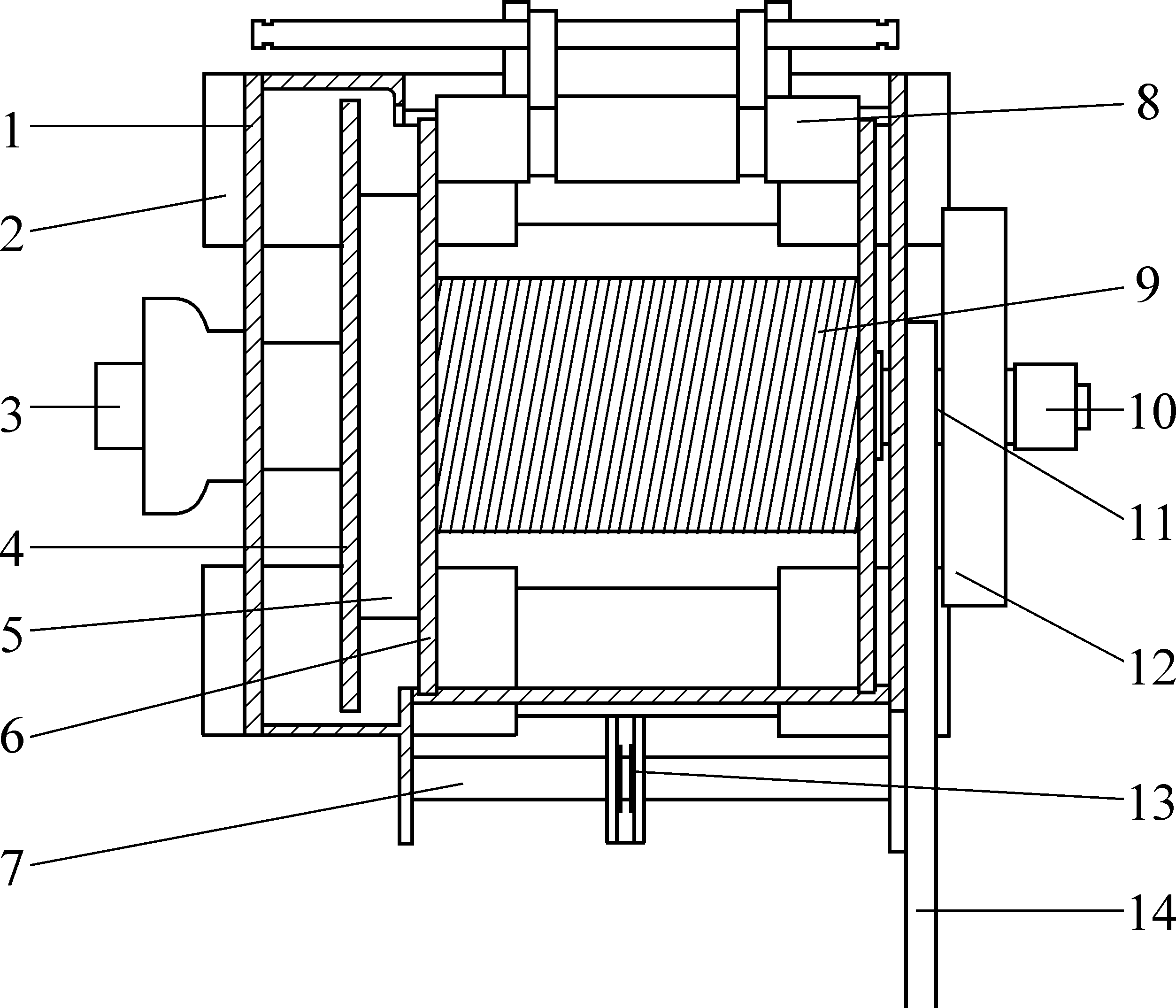
救援绞车的结构布局主要可分为主轴部分、压绳机构、自动排绳机构、链传动机构。主轴部分又可细化为液压马达、离合器、减速机、卷筒和刹车系统。绞车结构布局如图1和图2所示。
1)液压马达部分。液压马达可以作为绞车的动力输入部件,由于卷筒的直径较大,而提升人员的速度有要求,这就决定了卷筒的转动速度,也就是缠绳速度不能过快。另一方面,救援井筒内不含有流体,绞车提升与下放途中没有流体的阻力与浮力作用,绞车多为克服重力做功,所以要求绞车负载能力高。可以选用低速大转矩径向柱塞马达作为液压马达,以满足提升的大转矩低速要求。

1—绞车支架;2—底座;3—液压马达;4—绞车行星轮支架摩擦盘; 5—行星轮系;6—卷筒左侧立板;7—双向丝杠;8—压绳轮; 9—卷筒;10—增量式编码器;11—卷筒输出轴;12—伊顿刹车; 13—排绳轮;14—链传动机构
图1 绞车结构布局
Fig.1 Layout schematic of winch structure

图2 绞车结构示意
Fig.2 Schematic diagram of winch structure
2)卷筒离合器部分。卷筒离合器作用为控制与卷筒和液压马达之间动力的通断,选用多摩擦片油侵式离合器,可以使动力的接通过程和断开过程平稳,避免卷筒受到过大的刚性冲击。
3)行星轮减速机部分。行星轮减速机可设计为内藏式,即行星减速机在卷筒内部。这样的布置方式可以使绞车的结构更加紧凑,有效利用了卷筒内部空间。在小传动比范围内,常采用2K-H型行星齿轮单级传动,这种传动效率高,承载能力大,结构简单,工艺性好[20]。行星轮系如不加约束有2个自由度,所以只需约束1个部件的运动就可以使运动确定,相应地需要1个动力输入。表1是行星轮系在卷筒的提升下放过程中需要用到的几种型式,a为太阳轮,b为外齿圈,H为行星轮支座,i为传动比,Z为齿数。
表1 行星轮系的传动形式
Table 1 Transmission form of planetary gear train

传动型式行星架输入为减速太阳轮输入为大减内齿圈输入为小减行星架固定为倒转太阳轮输入为减速内齿圈输入为增速传动简图传动比ibaH=1+ZbZaiabH=1+ZaZbiHab=-ZbZaiHba=-ZaZb
4)卷筒部分。卷筒是承受钢丝绳载荷的主要受力部件,其由支轮和筒壳共同构成。筒壳与支轮之间通过螺栓连接。筒壳可以由铸造法制得,也可以焊接钢板得到。通常由于焊接式筒壳有更高的强度,所以更适用于大功率绞车。筒壳由滚筒板和角钢构成,滚筒板采用冷滚压成型工艺以获得卷筒强度高质量稳定的要求。
5)刹车系统部分。刹车系统按作用可分为主刹车和辅助刹车。主刹车的功能是制动卷筒,停止下放或提升动作。刹车系统采用液压钳盘式刹车。刹车钳可选用常开式杠杆钳,向钳缸施加压力油时,实现制动,不施加油压时,卷筒可以正常转动,不制动。
辅助刹车与水刹车原理相同,用于保证下放速度到达一定速度后通过给卷筒施加一定的阻力使下放速度恒定。对于大转动惯量的制动,伊顿盘式刹车具有制动效果稳定,散热快速的优点,所以可在卷筒的输出轴末端设置伊顿刹车作为下放过程的辅助刹车。
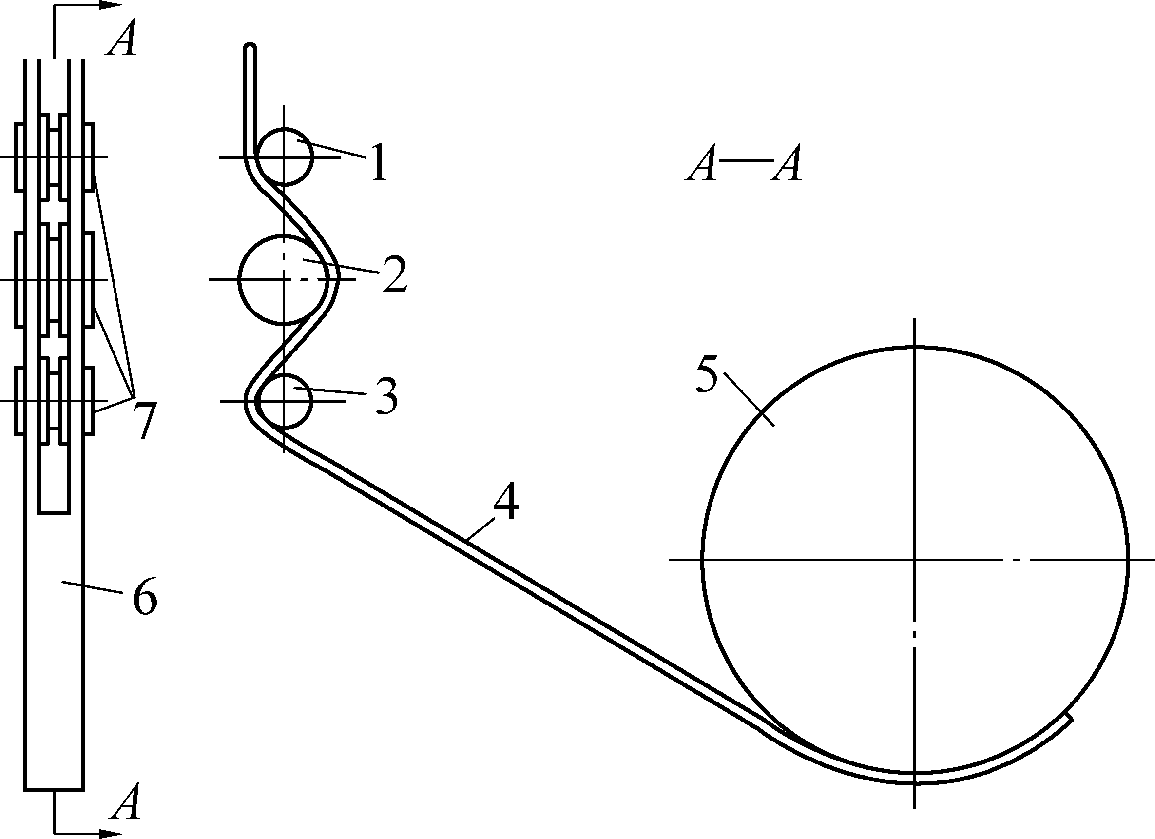
压绳机构的关键零件是压绳轮,压绳轮与排列在卷筒上的钢丝绳主要为滚动接触,两者之间存在一定的速度比。压绳轮通过自身的重力和弹簧的拉紧力施加给钢丝绳径向压力,使钢丝绳可以紧密地贴在下一层钢丝绳或卷筒上进行排列。压绳机构可以有效地预防和减少钢丝绳发生乱缠多缠等不良情况的发生,提高了绞车缠绳提升运行中的可靠性。压绳机构如图3所示。

1—弹簧;2—支座;3—弯臂支架;4—压轮; 5—连杆;6—螺栓;7—调节螺母
图3 压绳机构示意
Fig.3 Schematic of pressure rope mechanism
双向螺杆的功能是实现排绳轮支架轴向方向上的往复运动。双向螺杆只做转动运动,其转动速度与卷筒的转速保持恒定的降速比。排绳轮支架套在双向螺杆上,其中安装有滑块可以沿双向螺旋槽滑动,螺旋槽的螺旋升角可以给滑块以轴向方向的压力分量,使滑块可以轴向运动。当滑块运行到螺旋槽端部时,螺旋方向改变,滑块的轴向运动方向随之改变。如此往复可以实现滑块相对于双向螺杆的轴向往复运动,从而实现排绳轮往复运动自动排绳的功能。螺旋槽换向处要保证换向平稳,可以在每条螺旋槽尾端设置一段圆弧槽,一方面缓解突然换向产生的冲击力,另一方面可以保证卷筒端部缠绳缠满一圈,避免漏缠现象。为了实现救援绞车的自动排绳功能,可以采用链条链轮分动双螺旋传动机构。卷筒的转速通过输出轴传递给小链轮,经过链条传动,将更低的转速传递给大链轮。大链轮的转动转速传递给双向螺杆,从而驱动排绳轮支架带动排绳轮的往复运动,实现导绳作用。排绳轮设置成3个,排绳轮2连接有销轴传感器,可以实时采集拉力数据。排绳轮1和3兼具排绳作用和导绳作用。排绳轮和绕绳方式如图4所示,两端带有半圆弧槽的双向螺杆,如图5所示。

1—排绳轮1;2—排绳轮2;3—排绳轮3;4—钢丝绳; 5—卷筒筒壳;6—排绳轮支架;7—轴承端盖
图4 排绳轮布置和绕绳方式示意
Fig.4 Schematic of ropes arrangement and rope wrapping way
![]()
图5 双向螺杆
Fig.5 Bi-directional screw
常用的绞车称重传感器有拉力传感器和销轴传感器。拉力传感器通常通过滑轮固定在顶驱下,钢丝绳绕过传感器上的滑轮,钢丝绳受力后拉动张力传感器滑轮,将拉力瞬时数值输出到监测仪表上。相较于拉力传感器,销轴传感器称重量程更大[21],其设置可以考虑与排绳机构设置在一起,一方面使绞车的集成化程度提高,另一方面更适合于救援绞车没有泥浆浮力的负载高的情况。排绳轮1和排绳轮2间距离与排绳轮2和排绳轮3之间竖直距离相同,同时又因为1轮和2轮的大小相同,3个轮处于同一个平面,这样就可以保证2轮所受合力方向水平。设钢丝绳绕过排绳轮2的角度为θ,钢丝绳中的拉力为T,合力为F,则F=2Ttan(θ/2)。于是销轴传感器可以间接测出钢丝绳中的拉力。
绞车自动计深的实现可采用自动计深元件。传统上的计深装置采用机械式深度显示器,在数字采集过程中灵敏度低,不能及时地反馈井下突发的情况,一定程度上增加了事故的发生率。现今可应用数字方法测速计深,其所用元件光电编码器可以很好地实现测速计深功能。光电编码器是一种直接式数字测速传感器,它通过光电转换将输出轴上的机械几何位移量转换成脉冲或数字量的传感器,可以分为增量式编码器和绝对值编码器2种。增量式编码器无累计误差,寿命长,精度高,价格合理,较绝对值编码器更适用于绞车上。编码器轴应与刹车轮轴采用弹性软连接,防止其受到的转矩、弯曲应力和摩擦片在刹车时的抖动使它损坏。具体可通过弹性柱销联轴器安装在卷筒的输出轴上。输出轴的转动带动编码器转动,产生光电脉冲,进而经信号处理传入单片机芯片进行处理计算。
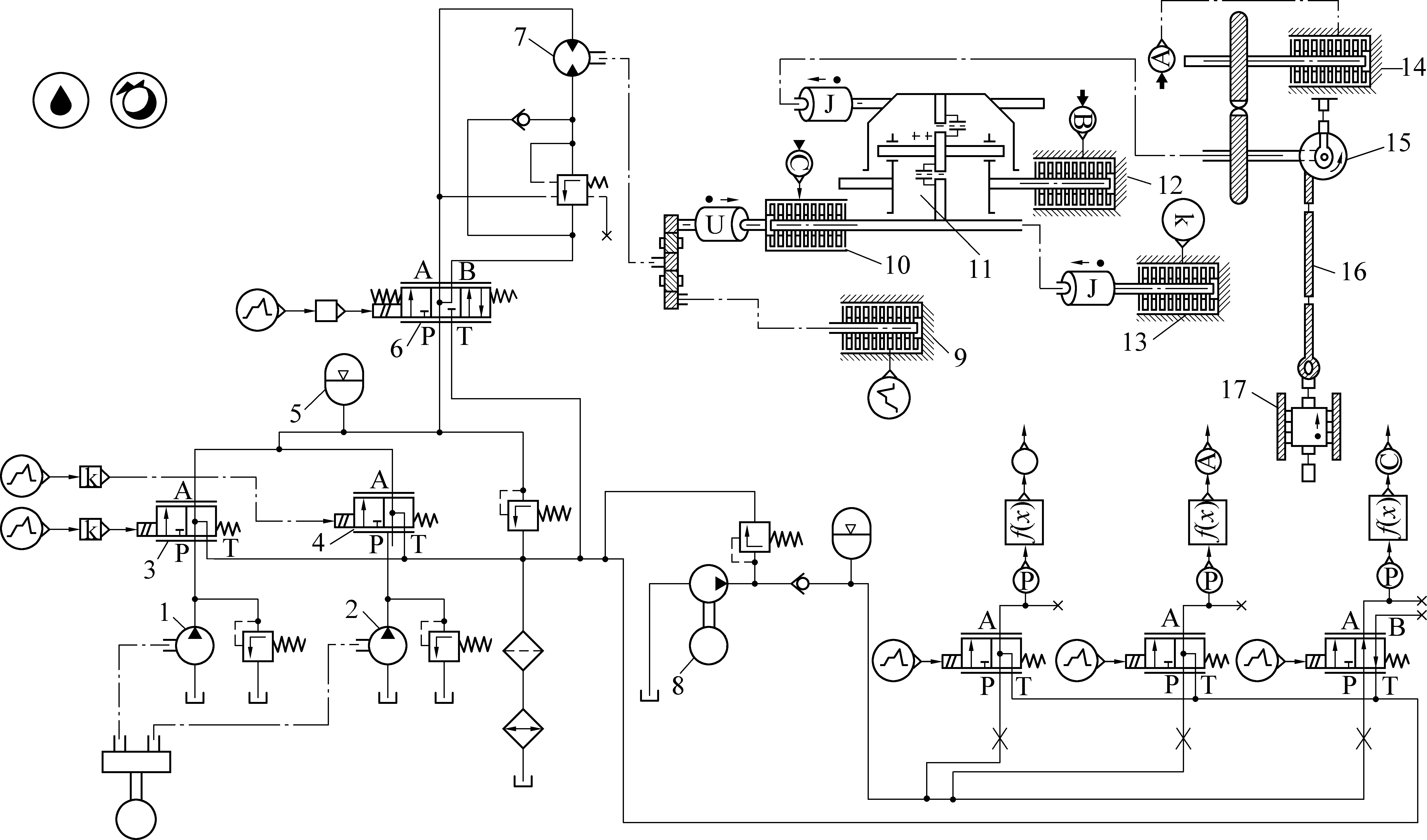
基于AMESim仿真软件可建立救援绞车机械-液压联合系统的仿真模型如图6所示。救援液压绞车的液压系统可划分为2个主要部分,一是由定量泵变量马达系统组成的液压动力系统,另一是由先导泵制动器组成的液压制动系统。液压动力系统中,液压马达工作所需的压力和流量由一个定量泵或双联泵供给。

1—大泵;2—二泵;3—大泵通断阀;4—二泵通断阀;5—主油路蓄能器;6—升降主控阀;7—液压马达;8—先导泵;9—马达制动器;10—卷筒离合器; 11—内藏式行星减速机;12—制动钳B;13—减速机制动器;14—制动钳A;15—卷筒;16—钢丝绳;17—提升重物
图6 基于AMESim建立的救援绞车系统仿真模型
Fig.6 Simulation model of rescue winch system based on AMESim
液压马达的排量可以随着负载的变化而改变。液压马达换向由三位四通主控换向阀操控,换向阀中位采用Y型机能可以使马达浮动。液压制动系统通过先导泵和溢流阀控制压力油压力,从而为机械部分的刹车、制动、离合,提供所需的制动力矩。
液压马达为救援绞车输入动力,然后动力经过液压马达传给减速机,将马达的高转速低转矩的输出转换为低转速大转矩的输出特性。接着动力经过减速机传递给救援绞车的卷筒上,使卷筒能够完成定轴转动。卷筒的转动方向可以由液压马达的转动方向控制,相应地可以实现绞车的正常提升和快速下放动作。救援绞车动作逻辑关系见表2。
表2 救援绞车动作逻辑关系
Table2 Action logic relation of rescue winch

制动部件马达制动器制动钳B制动钳A减速机制动器卷筒离合器自由抛钩10000平衡限速01101刹车制动00101提升01001停车10110
注:1为制动器或离合器制动状态,0为松开状态。
1)救援绞车采用液压作为绞车的动力及控制方式,可实现大功率的提升与制动动作,无极调速可以使变速运行平稳,满足于救援矿井中提升人员的可靠性要求。通过设置自动排绳机构、压绳机构以及称重传感器和计深传感器,可增加绞车运行稳定性,可实时监测绞车数据,以判断井下罐笼运行状况,指导开车。
2)基于AMESim建立了救援绞车液压-机械联合系统仿真模型,通过调节各原件内部变量参数可进行仿真设计,以模拟绞车的各种基本动作和控制功能。
[1] 王小波,殷忠玲.矿用井孔救援系统的研制[J].煤炭科学技术,2015,43(S1):126-129.
WANG Xiaobo,YIN Zhongling.Development of mine well hole rescue system [J].Coal Science and Technology,2015,43(S1):126-129.
[2] 殷忠玲,王小波.矿用本安型救援系统供电技术[J].煤田地质与勘探,2015,43(4):99-101.
YIN Zhongling,WANG Xiaobo.Power supply technology of mine intrinsically safe rescue system [J].Coal Geology & Exploration,2015,43(4):99-101.
[3] 姚辉博,王太晨,董兆科,等.千米深井全数字移动救援绞车应用关键技术研究[R].菏泽:第十届全国采矿学术会议,2015.
[4] 张星波.无极绳连续绞车在阳煤一矿的应用与研究[J].机械管理开发,2017(2):54-55.
ZHANG Xingbo.Application and research of non pole rope continuous winch in Yang Coal Mine [J].Development of mechanical management,2017(2):54-55.
[5] 孙继平,钱晓红.煤矿事故与应急救援技术装备[J].工矿自动化,2016,42(10):1-5.
SUN Jiping,QIAN Xiaohong.Coal mine accident and emergency rescue technology and equipment[J].Industry and Mine Automation,2016,42(10):1-5.
[6] 周生举,刘善勇.新巨龙公司引进国内首台移动式紧急救援绞车[J].山东煤炭科技,2012(3):292.
ZHOU Shengju,LIU Shanyong.New dragon company introduced the first mobile emergency rescue winch in China [J].Shandong Coal Science and Technology,2012(3):292.
[7] 卫振勇.基于AMESim的液压绞车液压系统研究[J].起重运输机械,2011(5):71-73.
WEI Zhenyong.Research on hydraulic winch hydraulic system based on AMESim [J].Lifting the Transport Machinery, 2011(5):71-73.
[8] 胡明华,马来好,杨 杰,等.基于AMESim的液压绞车起升性能仿真分析[J].船海工程,2017,46(1):87-89.
HU Minghua,MA Laihao,YANG Jie,et al.Simulation and analysis of lifting performance of hydraulic winch based on AMESim [J].Ship and Ocean Engineering,2017,46(1):87-89.
[9] 李松晶,王清岩.液压系统经典设计实例[M].北京:化学工业出版社,2016:105-114.
[10] 王 瑜,林 立,姜建胜.基于AMESim液压盘式刹车系统建模与仿真研究[J].石油机械,2008,36(9):31-35.
WANG Yu,LIN Li,JIANG Jiansheng.Modeling and Simulation Research of hydraulic disc brake system based on AMESim [J].China Petroleum Machinery,2008,36(9):31-35.
[11] 林 苇.超深井钻机绞车起升系统研究[D].长春:吉林大学,2013:37-57.
[12] 潘 飞,藏臣坤,孙军盈,等.DB4000型变频电动绳索绞车的研制与应用[J].地质装备,2014(2):11-14.
PAN Fei,ZANG Chenkun,SUN Junying,et al.Development and application of DB4000 type variable-frequency electric rope winch [J].Equipment for Geotechnical Engineering,2014(2):11-14.
[13] 臧臣坤,高明帅,魏亮亮,等.YS系列绳索绞车的研制[J].地质装备,2015,16(6):18-20.
ZANG Chenkun,GAO Mingshuai,WEI Liangliang,et al.Development of YS series rope winch [J].Equipment for Geotechnical Engineering,2015,16(6):18-20.
[14] 朱武峰,李旭东,丁文勇,等.航空救援绞车电液伺服系统仿真研究[J].液压气动与密封,2013,33(4):58-60.
ZHU Wufeng,LI Xudong,DING Wenyong,et al.Simulation Research on electro-hydraulic servo system of aviation rescue winch [J].Hydraulics Pneumatics & Seals,2013,33(4):58-60.
[15] 刘狄磊,李晓磊,徐 清.绳索取心绞车排绳器关键问题研究[J].探矿工程,2015(5):57-61.
LIU Dilei,LI Xiaolei,XU Qing.Research on key problems of rope cording winch ropes [J].Exploration Engineering,2015(5):57-61.
[16] 任起伟,刘凡柏.3500m岩心钻探装备绳索取心绞车自动排绳器的研制[J].探矿工程,2013,40(S1):61-64.
REN Qiwei,LIU Fanbo.Development of 3500m core drilling equipment rope cording winch automatic rope arranging device [J].Exploration Engineering,2013,40(S1):61-64.
[17] 侯 林,王建兴,刘建福.自动排绳计数绞车的研制与应用[J].探矿工程, 2015(7):50-53.
HOU Lin,WANG Jianxing,LIU Jianfu.Development and application of automatic rope counting winch [J].Exploration Engineering,2015(7):50-53.
[18] 曹树家.矿用无极绳绞车测速与光柱显示器行程显示系统的研究[D].青岛:山东科技大学,2012:5-17.
[19] 邹祖杰,凡 东,刘庆修,等. 矿山地面大直径钻孔救援提升装备研制[J].煤炭科学技术, 2017, 45(12):160-165.
ZOU Zujie,FAN Dong,LIU Qingxiu,et al.Research and development on rescue lifting equipment of large diameter borehole at mine ground[J].Coal Science and Technology, 2017, 45(12):160-165.
[20] 张国瑞,张 展.行星传动技术[M].上海:上海交通大学出版社,1986:1-25.
[21] 郭承志,李建涛,李继波.工程机械销轴传感器的设计与应用[J].工程机械,2013,44(1):31-34.
GUO Chengzhi,LI Jiantao,LI Jibo.Design and application of pin shaft sensor for engineering machinery [J].Construction Machinery and Equipment,2013,44(1):31-34.