王 虹1,2,申国建1,2,王 腾1,2,3
(1.煤炭科学研究总院,北京 100013;2.中国煤炭科工集团有限公司,北京 100013;3.山西天地煤机装备有限公司,山西 太原 030006)
摘 要:基于液力传动原理的阀控型液力偶合器可有效解决刮板输送机软启动、过载保护和负载均衡的问题,同时具有结构简单、性能可靠、设备投资和维护成本较低的优点,是当前刮板输送机上应用最为广泛的软启动装置之一。为全面了解刮板输送机用阀控型液力偶合器当前的技术现状并预测其未来的发展趋势,从目前常用的主机结构、液压供水控制系统、叶轮的材料和加工工艺、腔型研究等方面对其进行阐述和总结,分析比较国内外目前主要的设计制造手段和产品性能,分析发现阀控液力偶合器的国产化已取得很大进步,但关键元部件的研发能力需要进一步提高,同时提出智能调速、状态监测等是阀控型液力偶合器的未来发展方向。
关键词:阀控型液力偶合器;液压供水控制系统;叶轮材料;加工工艺
中图分类号:TD164
文献标志码:A
文章编号:0253-2336(2019)01-0011-07
王 虹,申国建,王 腾.刮板输送机用阀控型液力偶合器技术现状和发展趋势[J].煤炭科学技术,2019,47(1):11-17.
doi:10.13199/j.cnki.cst.2019.01.002
WANG Hong,SHEN Guojian,WANG Teng.Technical status and development trend of valve controlled fluid couplings for scraper conveyor[J].Coal Science and Technology,2019,47(1):11-17.
doi:10.13199/j.cnki.cst.2019.01.002
收稿日期:2018-09-11;
责任编辑:赵 瑞
基金项目:山西省重点研发计划重点资助项目(03012015002);天地科技技术创新基金资助项目(KJ-2015-SXMJ-01)
作者简介:王 虹(1959—),男,江苏江阴人,研究员,博士生导师。E-mail:wanghong@ccteg.cn
WANG Hong 1,2 ,SHEN Guojian 1,2 ,WANG Teng 1,2,3
(1.China Coal Research Institute,Beijing 100013,China;2.China Coal Technology and Engineering Group Corp,Beijing 100013,China;3.Shanxi Tiandi Coal Mining Machinery Co.,Ltd.,Taiyuan 030006,China)
Abstract:The valve-controlled hydraulic coupling based on the hydraulic transmission principle can effectively solve the problems of soft start,overload protection and load balancing of the scraper conveyor,and has the advantages of simple structure,reliable performance,low input and maintenance cost,so it’s currently one of the most widely used soft starters on the scraper.In order to fully understand the current state of the technology of valve-controlled fluid couplings for scraper conveyors and predict their future development trends,the technical status of valve-controlled fluid coupling from the aspects of coupling mainframe structure,hydraulic water supply control system,material and processing technology of impeller,and research status of cavity type were expounded,the main design and manufacture methods and product performance at home and abroad were analyzed and compared.The results showed that the localization of valve-controlled fluid coupling had made a great improvement,but the research and development ability of key components needed to be further improved.The future development direction of valve-controlled fluid couplings such as intelligent speed regulation and condition monitoring was pointed out.
Key words:valve-controlled fluid couplings;hydraulic water supply control system; impeller material;processing technology
矿用刮板输送机在运行过程中经常会遇到煤壁片帮、刮板链卡滞、煤量过大、负载不均等恶劣工况,常导致意外停机,在影响生产效率的同时对电动机和刮板输送机的可靠性和服役寿命也有很大影响。常用的驱动装置有阀控型液力偶合器、CST[1]及变频驱动[2],相比于其他驱动方式,阀控型液力偶合器具有启动力矩系数大、结构简单、性能可靠、设备投资和维护成本较低的优点,是目前在刮板输送机上应用最为普遍的软启动装置之一[3]。阀控型液力偶合器基于液力传动原理,泵轮与电动机连接,涡轮与工作机连接,电动机带动泵轮旋转,工作介质通过泵轮加速后获得动能冲击涡轮叶片,带动负载转动,从而使主动轴和从动轴之间实现柔性连接,并将主动轴的输入转矩等数值传递给从动轴;通过电液控制系统实现偶合器的充排水控制,能够有效解决刮板输送机的重载软启动、过载保护以及多电动机驱动时的负载均衡问题[4]。
目前矿用刮板输送机用阀控型液力偶合器的循环圆直径有492、562、575三种,单机功率有525、855、1 000、1 200、1 600 kW等多种规格。笔者将从液力偶合器主机结构、控制方式、叶轮材料和加工工艺以及腔型研究等方面,对国内矿用阀控型液力偶合器的技术现状进行阐述,分析比较国内外目前主要的设计制造手段和产品性能,同时对其未来的技术发展趋势进行展望,为阀控型液力偶合器的后续研发提供参考和借鉴,使其进一步满足用户需求。
阀控型液力偶合器系统由主机、液压供水控制系统2个模块组成。其中主机为动力传动提供结构基础;液压供水控制系统通过控制阀组实现主机的充排液控制来实现软启动功能。
主机采用双腔结构,主要由外壳组件、泵轮组件及涡轮组件组成,左右涡轮背靠背与左右泵轮面对面嵌套安装,2个涡轮之间有过流孔;这种结构的特点是结构紧凑,力矩系数大,约为单腔时的2倍;双腔型结构很大程度上平衡了轴向力。目前常用的主机结构有DTPKWL2[5]、TTT[5]和YOXFCS[6]型3种,前2种为德国产品,后者为国产产品。
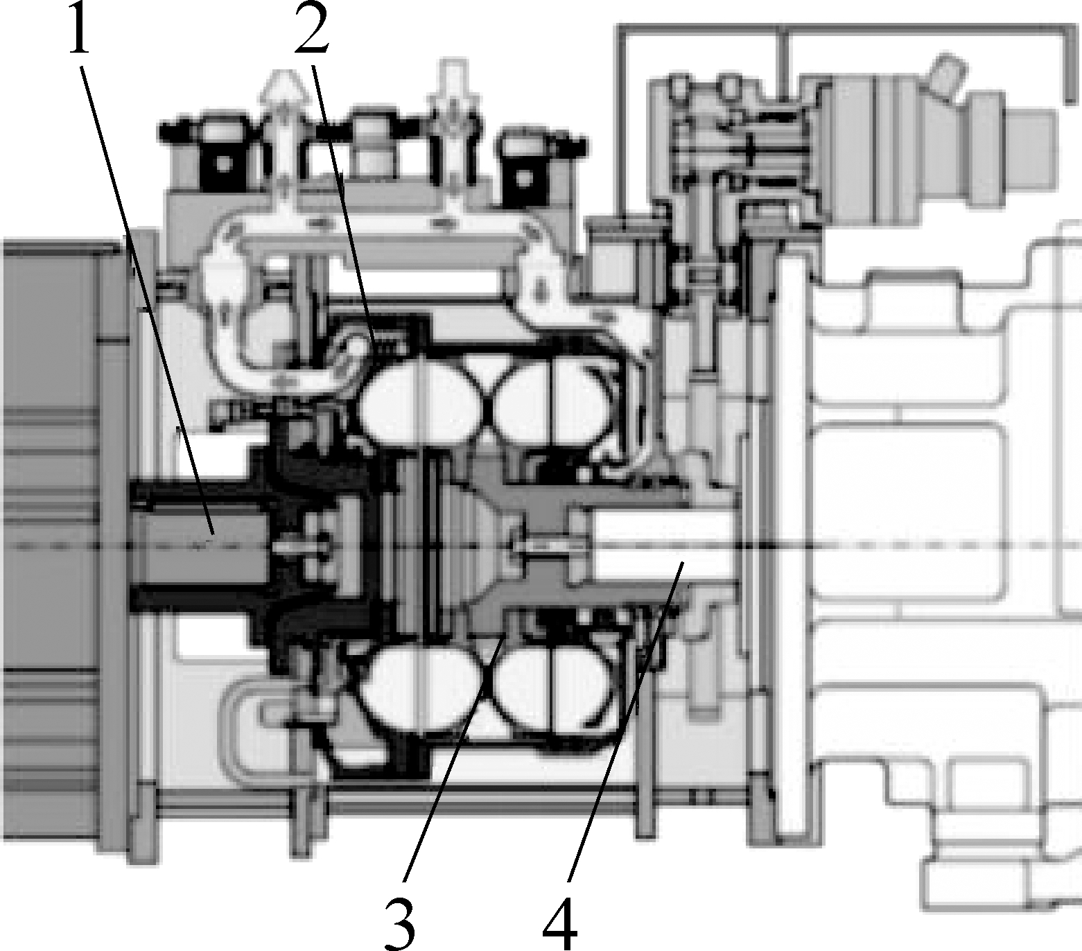
1)DTPKWL2系列:其结构如图1所示,泵轮组件通过过渡套、输入轴套安装在电动机轴上,涡轮组件通过轴承支撑在偶合器壳体上,并通过法兰与减速器轴联结;中间壳体将电动机和齿轮箱联结在一起;控制阀安装在偶合器外壳上部。

1—输入轴套;2—控制阀;3—泵轮组件;4—壳体;
5—轴承;6—电机轴;7—过渡轴套;8—涡轮组件
图1 DTPKWL2偶合器结构
Fig.1 DTPKWL2 coupling structure
轴承润滑脂为一次性油脂,使用周期为1 a,中间无需注油。
整个产品自成一体,轴承是易损件,几乎每个工作面采完后都要更换;泵轮组件悬挂在电动机轴上,对电动机轴承形成附加载荷。
2)VOITH的TTT型号:其结构如图2所示,TTT与DTPKWL2不同之处在于涡轮组件直接支撑在减速器轴上,偶合器内部没有轴承,机身短,但涡轮组件悬挂在减速器输入轴上,对减速器轴承形成悬臂附加载荷,影响轴承寿命;整个驱动部组装时,需要对偶合器解体,安装复杂。

1—输入轴;2—泵轮组件;3—涡轮组件;4—输出轴
图2 TTT偶合器结构
Fig.2 TTT coupling structure
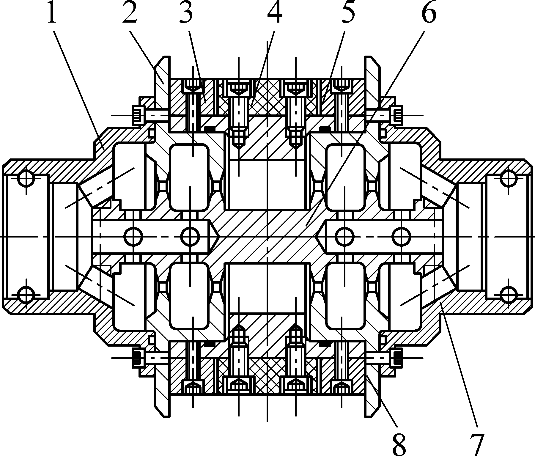
3)YOXFCS系列:其结构如图3所示,在泵轮组件的输出端设计了一种通过永磁轴承实现的浮动支承(图4)[6],来抵消泵轮组件导致的悬臂载荷,可有效改善电动机轴承的服役条件,提高电动机可靠性;增加的输出部件用以支承涡轮组件,轴承支承于偶合器壳体上,与工作腔物理隔离,可避免进水,延长寿命;在输出部件外壳上还设置了冷却水套;偶合器箱体上设有注脂孔和排脂孔,方便注脂和排脂。与进口产品主机相比,可靠性进一步提高。

1—外壳组件;2—泵轮组件;3—涡轮组件;
4—浮动支承;5—输出组件
图3 YOXFCS偶合器结构
Fig.3 YOXFCS coupling structure

图4 浮动支承
Fig.4 Floating support
阀控型液力偶合器液压控制系统的功能是根据偶合器的不同工作状态分别实现进液、排液、换液和循环。从第1台阀控型液力偶合器引进至今,液路控制系统主要分为闭式和开式2种,下面重点介绍VIOTH回路系统和YOXFCS回路系统。
1)闭式系统。该系统通过充液阀、排液阀、温度和压力传感器来进行管理。电动机启动时排液阀常开,排出工作腔内液体;当电动机达到额定转速时偶合器开始充液,满充时,充液阀关闭;当工作介质上升至设定温度时,开始换液,充液阀和排液阀打开,当温度下降到40 ℃后,排液阀关闭,充液阀打开直至满充。VOITH闭式回路原理如图5所示。其特点如下:允许爬速、慢速或紧链等多个功能,但控制系统复杂,任何一个部件出现故障,都会影响系统运行,故障率高;另外对水质要求高,水中的钙离子、镁离子结垢后,导致控制阀中的细小孔堵塞,易引发控制阀故障,影响工作面连续生产。

图5 VOITH闭式回路原理
Fig.5 VOITH closed loop schematic
2)自动冷却循环(ACC)开式回路系统。该系统原理如图6所示,排液勺管和离心阀(图7)集成在偶合器内部。工作过程如下:电动机启动后偶合器通过离心阀将工作腔内的残余存水排入外壳,再借助排液勺管排至偶合器外部,当监测到全部电动机电流下降到空载电流时,认为电动机启动完成;电动机转速高于1 280 r/min时,离心阀关闭,控制器8发出指令,阀6通电,充液阀5在压差作用下开始充液,直至刮板输送机启动;当腔内液体因滑差达到一定温度时,受控制系统指令,充液阀5断续充液,工作液体从工作腔喷入左辅壳中,然后由排液勺管排走。

1—电动机;2—偶合器;3—减速器;4—流量控制阀;
5—充液阀;6—二位二通电磁阀
图6 自动冷却循环(ACC)开式系统液压原理
Fig.6 Automatic cooling cycle open system hydraulic schematic

图7 离心阀结构及原理
Fig.7 Structure and principle of centrifugal valve
开式回路系统特点如下:系统通过增加离心阀,可根据转速实现自动排液;系统和控制逻辑简单,与闭式系统相比,控制阀由3个减为1个,供水系统可靠性大幅提高。
YOXFCS系列的阀控型液力偶合器系统也配置了2种供水系统。
2.2.1 闭式系统
YOX闭式系统原理(图8)与VOITH闭式回路相同,区别是在循环回路上增加了阻垢器[7],如图9所示。
阻垢器通过磁场对溶液中的离子产生作用,使水中钙、镁盐类结垢物的针状结晶改变成颗粒状结晶体,使其不能交织在一起成为坚硬的水垢附着在器壁或管壁上,悬浮在水中,随水排出,从而达到阻垢的作用。对原有的水垢也可通过已处理水的作用,使之逐渐剥蚀、软化、松动、直到脱落,达到除垢目的。

图8 YOX闭式系统原理
Fig.8 Principle of YOX closed system

1—左配水接头;2—左外磁极;3—左极靴;4—永磁体;
5—右极靴;6—内磁极;7—右配水接头;8—右外磁极
图9 E式阻垢器
Fig.9 E type scale inhibitor
2.2.2 自动液位保持开式系统(ALM)
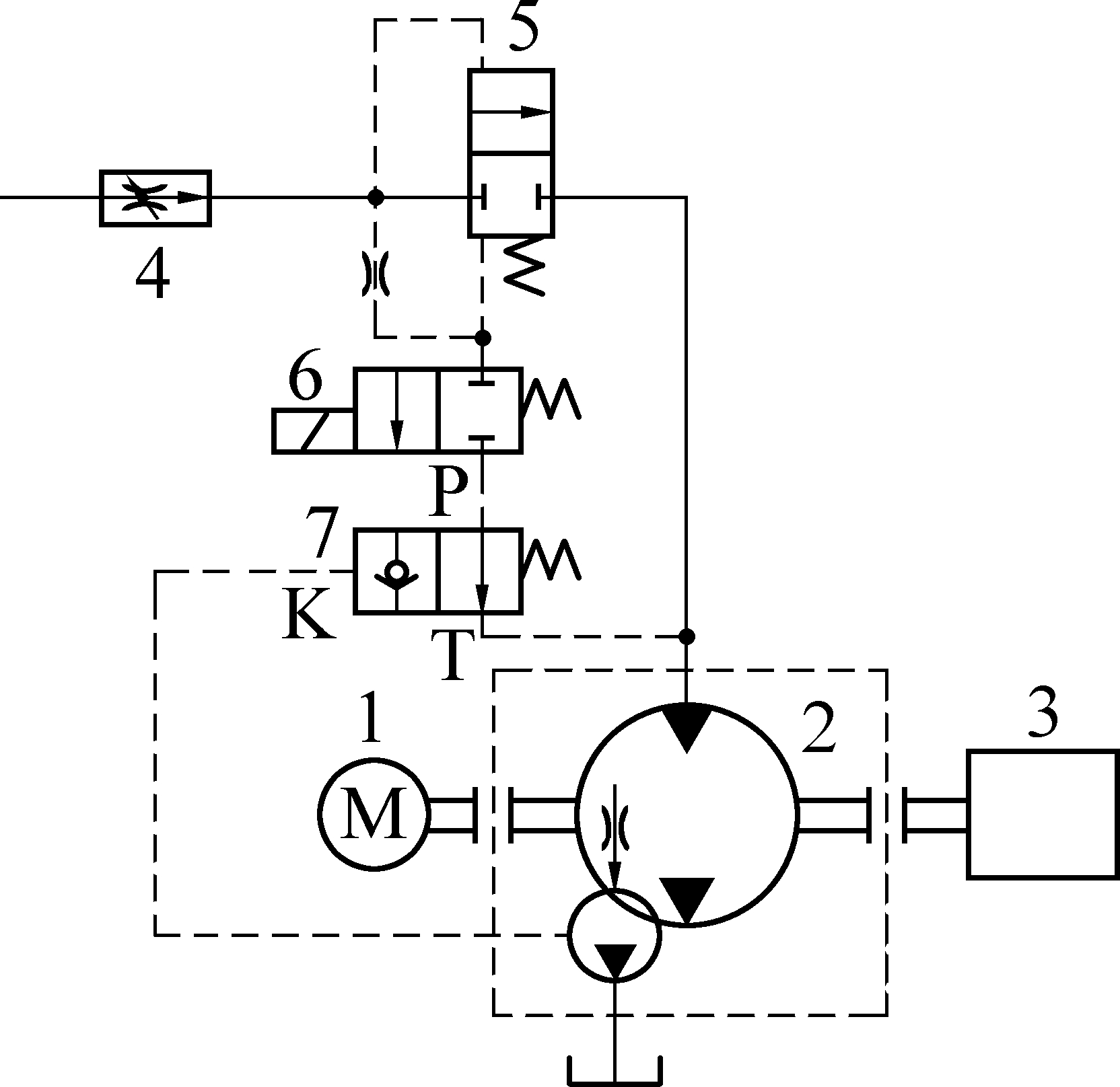
自动液位保持开式系统基本思路是实时监测和自动控制偶合器内液位水平。主要包括液位监测单元、充液阀、电磁线圈、速度传感器等。主机内部也增加离心阀,安装位置及功能与自动循环冷却控制系统(ACC)相同。ALM开式系统液压原理如图10所示。

1—电动机;2—偶合器;3—减速器;4—流量控制阀;5—充液阀;
6—二位二通电磁阀;7—二位二通液控阀
图10 ALM开式系统液压原理
Fig.10 Hydraulic principle of the ALM open system
1)电动机启动。电动机启动过程与ACC相同。
2)输送机启动。电动机转速达到1 280 r/min时,离心阀关闭。当偶合器启动时,阀6通电,阀7常通,使充液阀5在压差作用下开启直至刮板输送机开始运动;当监测到偶合器设定的水位压力时阀7自动关闭,充液阀5也随之关闭。
3)额定运行。偶合器内充满工作液体并处于开路状态下,能够完全传递功率。阀7有3个接口:1个监测接口连接至偶合器压力开关处,1个控制接口连接至充液阀5的先导控制口,1个排液口连接至设备外。当监测达到设定的水位压力时,该压力克服弹簧力,使控制口关闭,充液阀也随之关闭,保证偶合器不过充;当水位压力降低时,阀7自动打开,充液阀随之打开补液,当再次达到设定的水位压力时,充液阀又自动关闭,如此充液-排液循环重复使偶合器自动保持液位水平并实现自动冷却,不需要额外的冷却方式。
4)停机。断电时,充液阀关闭,电动机转速下降,大部分介质经离心阀排出,经排液勺管和排液管排出。电动机停止运转后,工作腔内剩余的工作介质从溢流阀排至偶合器壳体内。
自动液位保持开式系统特点:系统和控制逻辑更简单;减少了先导电磁阀的工作频率,提高了运行的可靠性。
总的来讲,闭式回路系统复杂,但功能完善,可靠性低;开式回路系统结构简单,可靠性高,但功能简化。考虑到煤矿井下的恶劣条件和刮板输送机的运行工况,目前在国内开式回路系统使用较多。
叶轮叶片在偶合器工作过程中起着能量转化和功率传递的关键作用,其制造质量对工作性能和可靠性有直接影响,叶片损坏时偶合器将无法使用。因此叶轮的选材和加工铸造工艺要求十分严格,下面是偶合器叶轮常用的材料、加工铸造方法及平衡方法。
液力偶合器的叶轮多采用铝合金,按照叶轮外圆圆周速度不同选择材料,常用的材料见表1。具体性能参数见文献[8]。
表1 叶轮常用材料
Table 1 Commonly used materials for impeller

注:*为不能用于水介质
国外进口阀控液力偶合器叶轮的材料为铝合金或铜合金,其中,562系列采用了铜合金,而575系列则采用了铝合金。从现场使用来看,铝合金叶轮损坏率较高。国内的中煤张家口煤矿机械有限公司采用了锡青铜合金[9],而山西天地煤机装备有限公司采用一种铜锡锰铁镍合金材料制造叶轮[6],其主要性能见表2,与传统叶轮材料相比,其抗拉强度、屈服强度等性能都得到了大幅提高。
表2 铜合金叶轮式样力学性能
Table 2 Mechanical properties of copper alloy impeller

在叶轮的加工制造工艺方面,目前多采用的是铸造工艺,其中主要为砂型铸造、低压铸造[10](图11)和离心铸造[11](图12),此外还有数控加工、锻造+焊接等工艺。其中数控加工是直接将叶轮加工成型,锻造+焊接是首先通过锻钢工艺获得工作叶轮壳,然后使用焊接工艺在轮壳上焊接均布叶片。

图11 低压铸造工艺
Fig.11 Low pressure casting process

图12 卧式和立式离心铸造
Fig.12 Horizontal and vertical centrifugal casting
文献[9]采用腹膜砂芯铸造工艺和粗加工,其表面质量、铸件致密度和铸铜试棒性能基本达到要求;文献[6]采用树脂砂型铸造工艺进行叶轮铸造,最终获得精确的叶轮腔型及较高的表面光洁度,最后进行静平衡,大幅提高了叶轮的力学性能和运行特性。各种叶轮加工工艺方法的比较见表3。
表3 叶轮常用加工方法比较
Table 3 Comparison of common machining methods of impeller

液力偶合器在工作时叶轮在高速旋转,不平衡质量产生的不平衡力将引起转子挠曲变形、产生内应力,从而使偶合器产生振动、噪声,进而降低偶合器性能、工作效率和使用寿命。为避免产生这些现象,偶合器在制造、安装调试和使用过程中需要改善其质量分布,消除不平衡力,这一过程即叶轮平衡。平衡精度等级一般为G6.3[12] 。
平衡步骤如下:首先进行各叶轮的静平衡,采用的设备有平衡导轨、立式平衡机或动平衡机;其次再进行组件动平衡,特别是泵轮组件动平衡;考虑到液力偶合器的实际工作情况,最后需要使用卧式动平衡机做带水动平衡。
内部流动决定外部特性,在腔型选择或设计上,需遵循力矩系数λm值要高,限矩性能好等原则。输出特性曲线应尽量满足理想原始特性曲线[5]。
目前矿用进口阀控偶合器常用的腔型近似为桃型腔型(图13a)和扁圆型腔型(XL腔型)(图13b),其中D为有效直径,d0为内径,B为流道宽度,Δ为安装间隙,ρ为流道圆弧半径。桃型腔型应用在DTPKWL2型号上,而扁圆型腔型应用在CPC系列。通过对2种腔型的原始特性曲线对比可知,扁圆型腔型从一定程度上提高了高转速比下的力矩系数[13],提高了偶合器的工作效率。

图13 桃型腔和扁圆型腔
Fig.13 Peach cavity and oblate cavity
液力偶合器内部流动属于三维、非稳态、黏性不可压缩的复杂流动,所以偶合器腔型的选择和设计一直是偶合器研发过程中的设计难题。目前的研究方法主要有理论、仿真和试验研究。理论研究主要是束流理论[14-16],仿真主要采用CFD软件(FLUENT、Phoenics、STAR-CD、CFX等)[17-21],试验主要为光学试验和台架试验[22-25]。
其中束流理论是建立在叶片数量无穷多,厚度无限薄的基础上的,误差较大,但实用性较强;CFD[26]技术是目前研究腔型的主流方法,VOITH的XL腔型就是在此基础上研发出来的,但计算时湍流模型的选择和网格划分的数量、质量都会影响计算结果,影响因素较多[27],但在一定程度上可以指导腔型设计和叶片开发;试验研究方法对液力偶合器内流场的研究比较直观和准确,但试验周期长,成本高。所以在未来的叶轮研发中需要将理论分析、CFD仿真和试验验证相结合,取长补短。
为进一步提高国产阀控液力偶合器的市场竞争力,未来的发展方向应集中在以下5个方面。
1)调速性能。为响应国家节能减排的需要,矿用阀控型液力偶合器应具备一定的调速功能,可根据不同的过煤量调节转速,同时实现低速验链。阀控液力偶合器可通过调节腔体内液体容积改变输出转速,存在的主要问题是可靠性不高,因此需要提高调速时系统可靠性或提出新的调速方式,可借鉴喷嘴阀控式调节方式[13],通过调节进口流量并设置合理的喷嘴面积,实现偶合器内充液量的自动平衡。
2)控制阀国产化。目前阀控偶合器的控制阀一直依赖进口,价格昂贵,急需国产化。
3)信息化、智能化。煤矿井下工作条件十分恶劣,井下无人化、少人化是行业发展的趋势[28],作为刮板输送机重要的软启动装置,阀控型液力偶合器未来需要将自身功能与先进的物联网技术相结合,对自身和刮板输送机的运行状态(腔体内液位、控制阀状态、轴承温度,工作液温度)实现实时监测反馈,实现人机交互。
4)高可靠性。阀控型液力偶合器目前广泛应用于煤矿井下的刮板输送机上,工作环境恶劣,一旦发生故障,不仅耽误生产,其维修也非常耗时耗力,所以必须保证其高可靠性,提高敏感元器件和控制阀组的可靠性。
5)高效率,偶合器的工作原理决定了其一定会有能量损失,因此研发高效率腔型,降低偶合器的能量损失是偶合器的必然要求。
通过对刮板输送机用阀控液力偶合器主机结构、液压供水控制系统、叶轮材料和加工工艺、腔型研究等技术现状的分析比较,目前国产阀控型液力偶合器的设计制造已经取得很大进步,但控制阀等部件的自主研发能力需要进一步提高,同时随着用户的要求越来越高,阀控型液力偶合器必须进一步完善自身性能,特别是要增加调速功能和远程监测功能,适应采矿工作面智能化、无人化的趋势和要求。
参考文献:
[1] 李 隆,廉自生.刮板输送机可控起动装置液压系统分析[J].煤炭技术,2016,35(3):262-264. LI Long,LIAN Zisheng.Analysis of hydraulic system controlled start transmission on scraper conveyor[J].Coal Technology,2016,35(3):262-264.
[2] 李洪先,史之印,李 雷,等.变频调速一体机在刮板输送机中的应用[J].煤炭技术,2015,34(3):268-270. LI Hongxian,SHI Zhiyin,LI Lei,et al.Application of frequency control of motor speed all-in-one in scraper conveyor [J].Coal Technology,2015,34(3):268-270.
[3] 王 腾,夏护国.重型刮板输送机驱动方式比较分析[J].煤炭科学技术,2013,41(9):154-158. WANG Teng,XIA Huguo.Comparison and analysis of drive modes used to heavy duty scraper conveyor[J].Coal Science and Technology,2013,41(9):154-158.
[4] 郭永存.多机驱动电机功率均衡的研究[J].煤炭科学技术,2002,30(4):60-62. GUO Yongcun.Study on motor power balance for multi motors driven[J].Coal Science and Technology,2002,30(4):60-62
[5] FINZEL R,WEBER W,HOELLER H. New generation water fill-controlled turbo couplings[EB/OL].[2018-07-28].http://www.voith.com/cn/index.html.
[6] 张彦禄,王 腾,宋德军,等.刮板输送机液力偶合器软启动系统研发[J].煤炭科学技术,2014,42(9):61-66,82. ZHANG Yanlu,WANG Teng,SONG Dejun,et al.Research and development on soft start system with scraper conveyor hydraulic coupling[J].Coal Science and Technology,2014,42(9):61-66,82.
[7] 王 腾,王巧梅,樊运平,等.E式磁性水处理阻垢除垢装置:ZL201310664089[P].2013-07-22.
[8] 侯占山,王振良,丁合亭.有色金属铸件生产指南[M].北京:化学工业出版社,2008.
[9] 李国平,赵 美,赵继云,等.大功率刮板输送机阀控型液力偶合器研发[J].中国工程科学,2011,13(11):39-49. LI Guoping,ZHAO Mei,ZHAO Jiyun,et al.Research and development of large power valve-control filled hydrodynamic coupling for AFC [J].Engineering Science,2011,13(11):39-49.
[10] 谢福志,黄达机.液力偶合器叶轮低压铸造工艺的研究[J].液压气动与密封,2010,30(3):62-64. XIE Fuzhi,HUANG Daji.Fluid coupling impeller of low-pressure casting process [J].Hydraulics Pneumatics & Seals,2010,30(3):62-64.
[11] 吕振林.铸造工艺及应用[M].北京:国防工业出版社,2011.
[12] 李钟岩.ISO1940/1-1986(E)《机械振动——刚性转子平衡品质的要求——第一部分:许用剩余不平衡的确定》[J].工程与试验,1987(3):34-47. LI Zhongyan.ISO1940/1-1986(E)《Mechanical vibration - requirements for balanced quality of rigid rotors - part 1:determination of allowable residual unbalance》[J].Engineering and Testing,1987(3):34-47.
[13] 刘应诚,杨乃乔.液力偶合器应用与节能技术[M].北京:化学工业出版社,2006.
[14] WHITFIELD A,SIVALINGAM R,WALLACE F J.The performance prediction of fluid coupling with the introduction of a baffle plate[J].International Journal of Mechanical Sciences,1978,20(10):729-736.
[15] 童祖楹,刘祥春,崔昌林.流道变参数液力偶合器负荷特性的计算[J].上海交通大学学报,1986(5):105-113,133. TONG Zuying,LIU Xiangchun,CUI Changlin.Calculation of load characteristics of hydraulic coupling with variable flow parameters [J].Journal of Shanghai Jiaotong University,1986(5):105-113,133.
[16] 童祖楹,邵海斌.用流速抛物线分布流动模型:预测偶合器的负荷特性[J].上海交通大学学报,1989(4):41-51. TONG Zuying,SHAO Haibin.Parabolic distribution model of flow velocity:prediction of load characteristics of couplings [J].Journal of Shanghai Jiaotong University,1989(4):41-51.
[17] 冯瑞亮,蒋卫良,朱立平.基于CFX的液力偶合器水介质流场数值分析[J].煤矿机械,2016,37(5):85-87. FENG Ruiliang,JIANG Weiliang,ZHU Liping.Numerical analysis of water flow field in hydraulic coupling based on CFX [J].Coal Mine Machinery,2016,37(5):85-87.
[18] HUITENGA H ,MITRA N K.Improving startup behavior of fluid couplings through modification of runner geometry:part Ⅰ—fluid flow analysis and proposed improvement[J] .ASME Journal of Fluids Engineering,2000,122(4):683-688 .
[19] HUITENG A H,MITRA N K.Improving start-up behavior of fluid couplings through modification of runner geometry:part Ⅱ—modification of runner geometry and its effects on the operation characteristics[J] .ASME Journal of Fluids Engineering,2000,122(4):689-693.
[20] BAI L,FIEBIG M,MITRA N K.Numerical analysis of turbulent flow in fluid coupling[J].Journal of Fluids Engineering,Transactions of the ASME,1997,11(3):569-576.
[21] 张德生.大功率阀控液力偶合器设计理论及关键技术研究[D].徐州:中国矿业大学,2011.
[22] HAMPELA U,HOPPEA D,DIELEB K H,et al.Application of gamma tomography to the measurement of fluid distributions in a hydrodynamic coupling[J].Flow Measurement and Instrumentation,2005(16):177-188.
[23] HOPPE D,FIETZ J,HAMPEL U,et al.Gamma tomographic visualization of the fluid distribution in a hydrodynamic coupling[R].Rindelhardt:Institute of Safety Research,Annual Report,2002.
[24] SILVAA Da M J,LU Y,SÜHNEL T,et al.Autonomous planar conductivity array sensor for fast liquid distribution imaging in a fluid coupling [J].Sensors and Actuators A,2008,147:508-515.
[25] 柴博森,项 玥,马文星,等.液力偶合器漩涡流场PIV试验测量影响因素分析[J].华南理工大学学报:自然科学版,2017,45(12):92-98. CHAI Bosen,XIANG Yue,MA Wenxing,et al.Analysis of influencing factors in piv test measurement of turbine flow field of hydraulic coupler[J].Journal of South China University of Technology:Natural Science Edition,2017,45(12):92-98.
[26] 刘 方,翁庙成,龙天渝.CFD基础及应用[M].重庆:重庆大学出版社,2015.
[27] YAN Qingdong,AN Yuanyuan,WEI Wei.Research on fluid flow stability with baffles of different size in a hydrodynamic coupling during partially liquid-filled operating conditions[J].Turbomachinery,2017(6):26-31.
[28] 张 良,李首滨,黄曾华,等.煤矿综采工作面无人化开采的内涵与实现[J].煤炭科学技术,2014,42(9):26-29,51. ZHANG Liang,LI Shoubin,HUANG Zenghua,et al.Definition and realization of unmanned mining in fully-mechanized coal mining face [J].Coal Science and Technology,2014,42(9):26-29,51.