高级检索

永磁限矩减速驱动的刮板输送机冲击动态特性研究

Research on impact dynamic characteristics of scraper conveyor driven by permanent magnet limited torque reduction drive

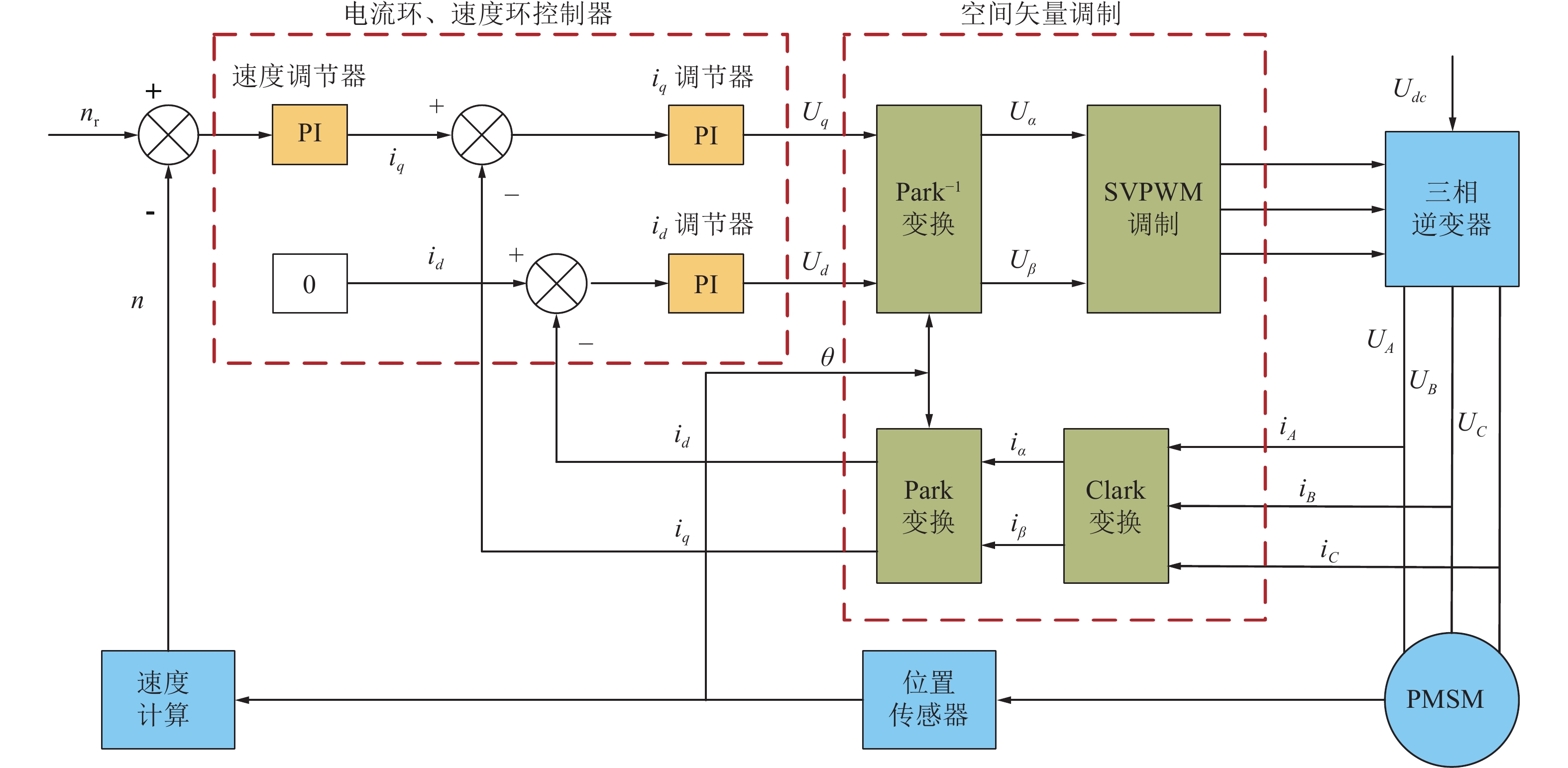
  • 摘要: 刮板输送机作为煤矿综采工作面核心装备,不断向大运量、长运距、大功率方向发展,传统的刮板输送机驱动系统多采用“异步电机+软启动装置+减速器”的方式来实现低速大扭矩驱动,智能化程度的提高及极端恶劣的工作环境使得其发生故障的概率显著增加,严重影响开采效率。因此,设计研发了一种新型的永磁限矩减速装置,高度集成了永磁同步电机、二级行星减速器和柱面摩擦限矩器,运用ADAMS和MATLAB/Simulink软件建立了刮板输送机及行星减速器的动力学仿真模型、柱面摩擦限矩器关键部件的刚柔耦合模型和永磁电机的控制模型,实现了机电耦合系统的联合仿真。仿真分析了新型永磁限矩减速装置驱动的刮板输送机在冲击载荷工况下永磁同步电机的转速、转矩、三相电流和刮板机链传动系统的速度、张力、转矩以及行星传动的转速、转矩、啮合力等动态响应。结果表明,有无限矩器保护下的冲击负载电流分别为稳定运行时的2.9倍和7.7倍,冲击故障下电机输出功率降低约48%,柱面摩擦限矩器的存在很好地降低了负载端冲击载荷对电机的影响;当冲击载荷过大时,链传动系统各部件之间受到较大的力作用,此时限矩器会立刻打滑,系统进行卸载,对各传动部件起到过载保护作用;过大的冲击载荷也会导致减速器齿轮之间冲击增大,限矩器能起到快速、准确的保护,传动系统所受负载冲击减少约78%,证明该永磁限矩减速装置能很好地满足低速大扭矩的工程应用。研究内容可为提高刮板输送机传动系统的可靠性及推进煤机装置智能化奠定基础。

     

    Abstract: As the main piece of equipment used in coal mining, the scraper conveyor is always evolving to have larger capacities, longer haulage distances, and higher power. The traditional scraper conveyor drive system mostly adopts the method of “asynchronous motor + soft start device + reducer” to realize the low-speed and high torque drive. However, due to increased intelligence and extremely harsh working conditions, there is a significant risk of failure, which has a negative impact on mining efficiency. The possibility of failure increases dramatically due to the extremely hard-working environment and the rise in intelligence, which has a major impact on mining efficiency. Therefore, a new type of permanent magnet torque-limiting reduction device was designed and developed, which was highly integrated by a permanent magnet synchronous motor, a two-stage planetary reducer, and a column surface friction torque limiter. Additionally, The dynamic simulation model of the scraper conveyor and planetary reducer, the rigid-flexible coupling model of key components of the column friction torque limiter, and the control model of the permanent magnet motor were established by using ADAMS and MATLAB/Simulink software, realizing the joint simulation of the electromechanical coupling system. Dynamic response of speed, torque, and three-phase current of permanent magnet synchronous motor and speed, tension, and torque of scraper chain drive system as well as speed, torque, and meshing force of planetary drive of a scraper conveyor driven by a new type of permanent magnet torque-limiting reducer device were simulated and analyzed under impact load condition. The results show that the inrush load current with and without torque limiter protection is 2.9 and 7.7 times higher than that in stable operation, and the motor output power is reduced by about 48% under the inrush fault. The effect of shock loads on the motor at the load side is well reduced by the column friction torque limiter. When subjected to excessive shock loads, the chain drive system components are subjected to large forces between them. In this case, the torque limiter slips immediately, the system is unloaded and the drive components are protected against overload. The shock between the gears of the reducer is also increased by excessive shock loads, which are quickly and accurately protected by the torque limiter. Conventional systems are subjected to about 78% less load impact, proving that the permanent magnet limited-pitch reduction device is well suited for low-speed, high-torque engineering applications. The research findings have the potential to enhance the scraper conveyor drive system’s dependability and boost the coal machine device’s intelligence.

     

/

返回文章
返回