高级检索

基于永磁涡流传动的长距离带式输送机启动特性研究

Research on starting characteristics of long distance belt conveyor based on permanent magnet eddy current transmission

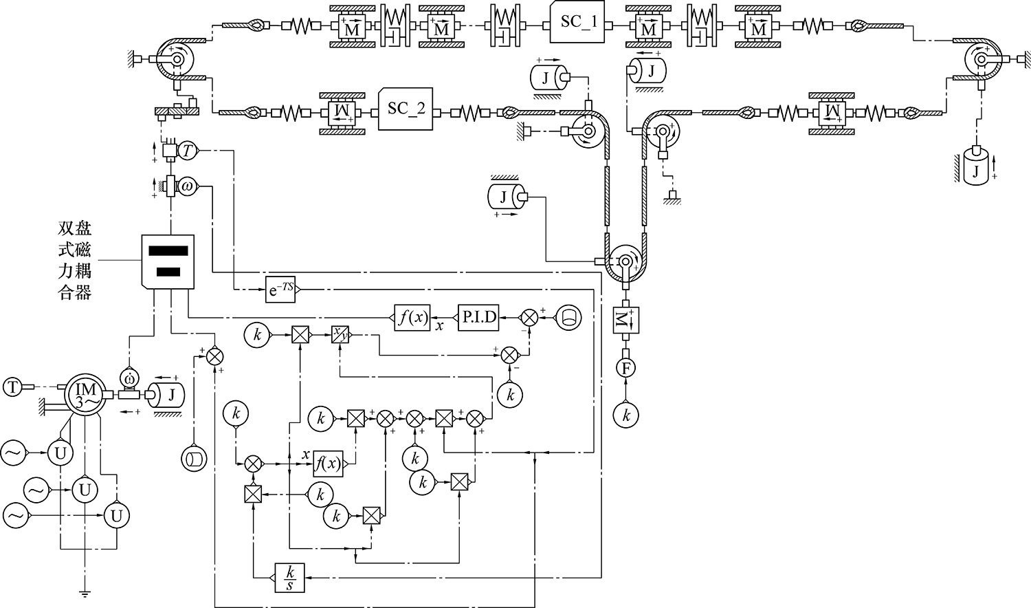
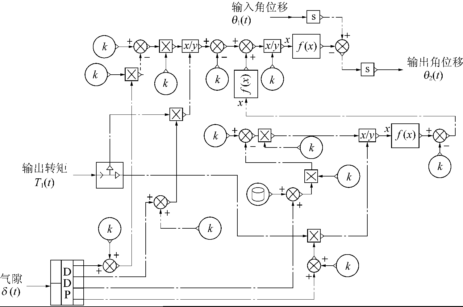
  • 摘要: 针对矿用带式输送机启动过程易出现打滑、淤带和断带等问题,基于永磁涡流传动技术,将双盘式磁力耦合器作为带式输送机的驱动装置,建立双盘式磁力耦合器动态数学模型,运用AMEsim软件搭建带式输送机系统仿真模型,设置启动时间分别为60、80和100 s,采用Harrison控制曲线启动时,研究带式输送机满载启动时机头、机尾部输送带的速度特性和张力特性,张紧装置位移特性以及双盘式磁力耦合器调速气隙特性,仿真结果表明:当启动时间为60 s时,带式输送机输送带速度波动大,动张力明显,尾部输送带最大张力达到29 kN,启动过程不平稳;双盘式磁力耦合器调速时,气隙变化与带式输送机启动速度变化趋势相反,启动过程气隙从22 mm减小到4 mm;当启动时间为80 s和100 s时,带式输送机启动过程相对平稳,速度和张紧装置位移波动小,尾部输送带张力波动幅度分别为5 kN和3 kN;带式输送机启动过程存在最佳启动时间,继续延长时间,对带式输送机启动特性影响越来越小,80 s可作为合理启动时间。

     

    Abstract: In view of the problems such as slippage, silt belt and broken belt in the starting process of mining belt conveyor, based on the permanent magnet eddy current drive technology, the double disc magnetic coupler is used as the driving device of belt conveyor to establish the dynamic mathematical model of double discmagnetic coupler.Using AMEsim software to build a belt conveyor system simulation model and setting the starting time of 60 s, 80 s and 100 s respectively. When using the Harrison control curve to start, the velocity and tension characteristics of head and tail conveyor belts,displacement characteristics of tensioner and air gap characteristics of double disc magnetic coupler are studied during full load start of belt conveyor.The simulation results show that when the starting time is 60 seconds, the belt speed fluctuates greatly and the dynamic tension is obvious.The maximum tension of the tail belt reaches 29 kN, and the starting process is not stable.When the double disc magnetic coupler is adjusted, the air gap change is opposite to that of the belt conveyor starting speed, and the air gap decreases from 22 mm to 4 mm in the starting process. When starting time is 80 s and 100 s, the belt conveyor starts relatively smoothly, the fluctuation of speed and tension device displacement is small, and the fluctuationof tail belt tension is 5 kN and 3 kN respectively.The best time exists in the starting process of belt conveyor, continuing to extend the time to trigger the impact characteristics of the smaller belt conveyor, and the 80 s can be used as reasonable starting time.

     

/

返回文章
返回