Abstract:
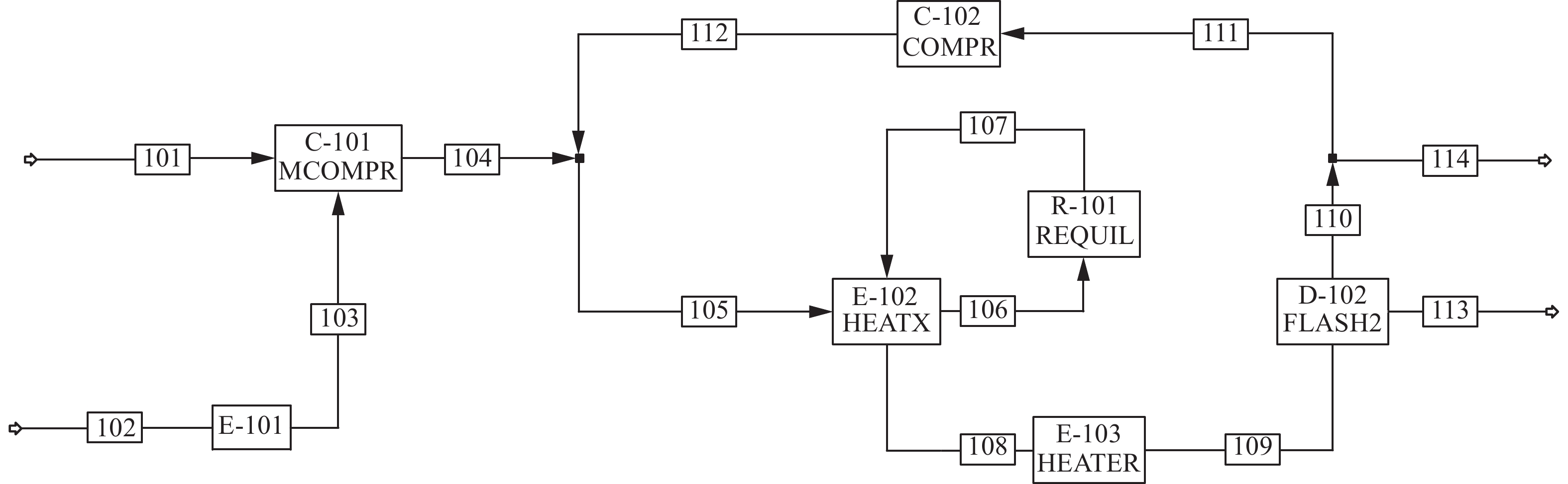
Methanol is one of the important basic chemical raw materials. In order to realize the efficient utilization of synthesis gas to methanol, the process simulation software Aspen Plus is used to establish a methanol model with an annual output of 1 million tons. Firstly, under certain hypothetical conditions, Aspen Plus is used to establish a methanol synthesis reactor model based on an equilibrium reactor. The synthesis gas is the gas produced by the pressurized pulverized gasifier. The simulation results of a domestic methanol plant with an annual output of 1 million tons show that the simulation results are basically consistent with the actual operation data. The absolute deviation between the design value composed of feed gas and purge gas and the actual simulation value is within ± 2%, the precision of industrial simulation is achieved. On the basis of this model, the influence of recycle ratio of syngas from BGL gasifier and syngas produced by solid slag discharge pulverized coal pressurized gasifier on methanol yield during methanol synthesis were explored. The results show that the H / C ratio of feed gas is 2.05, and the effective gas consumption ton of methanol synthesis feed gas produced by BGL gasification, solid slag removal and crushed coal pressurized gasification is
2247Nm
3 and
2461Nm
3 respectively. With the increase of methane content in the two feed gases, the conversion of H
2, CO and CO
2 in the feed gas decreases, and the methanol yield decreases. Under the same operating conditions, as the circulation ratio increases from 1.5 to 5.0, the methanol output shows a parabola rising trend. Only when the circulation ratio of BGL gasification feed gas and solid slag removal crushed coal pressurized feed gas in methanol synthesis is not lower than 2.00 and 4.93 respectively, the annual methanol output can reach 1 million tons. The compressor power consumption shows a linear rising trend with the increase of the circulation ratio.