高级检索

基于无线电磁传输的防冲钻孔机器人钻进轨迹随钻测量方法

Drilling trajectory measurement method while drilling for drilling robot forrockburst prevention based on wireless electromagnetic transmission

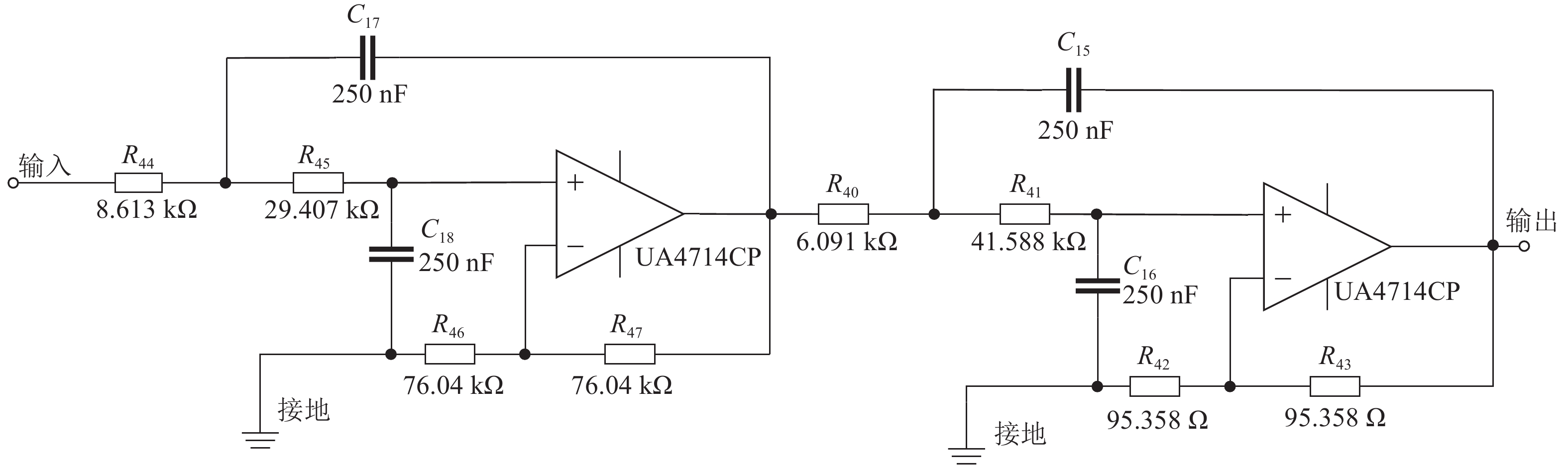
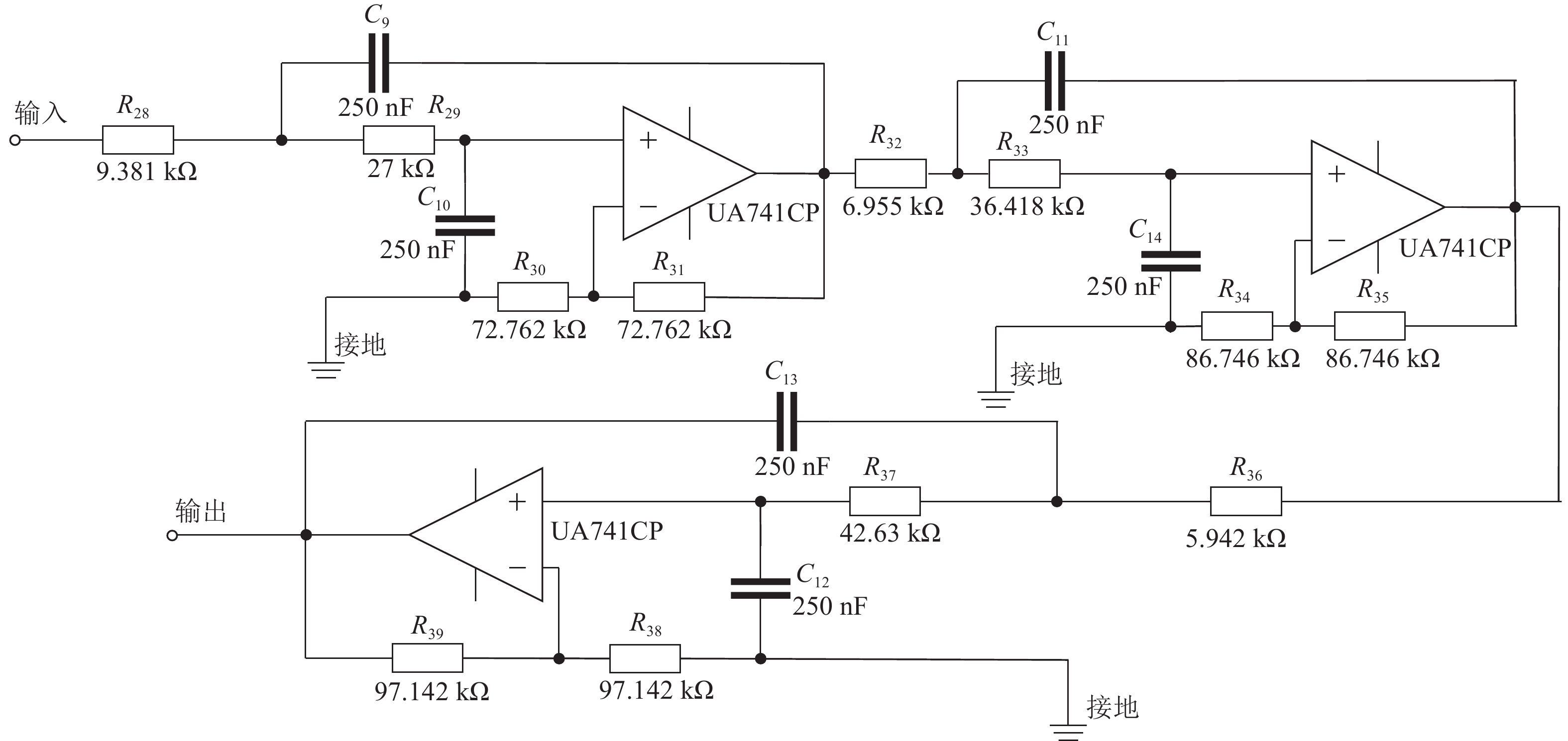
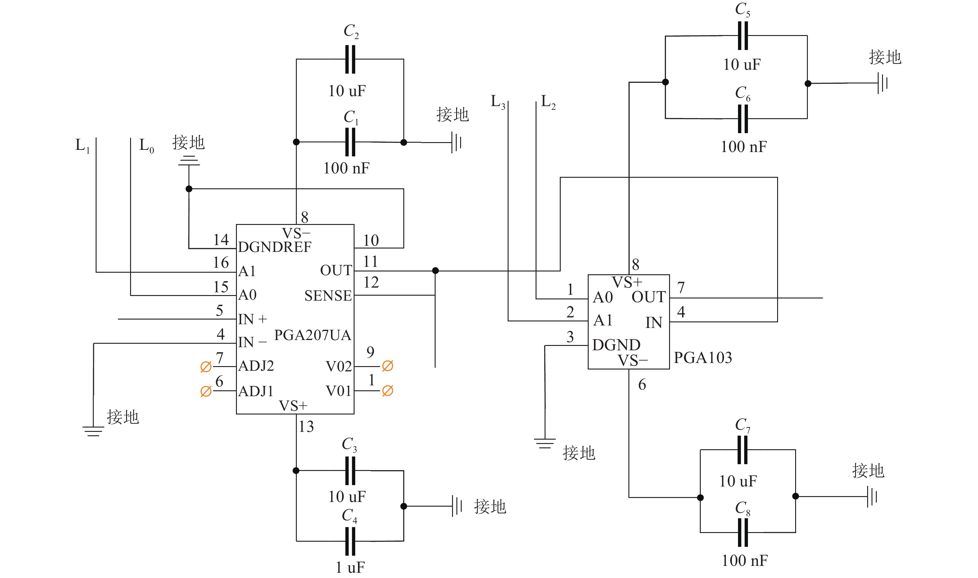
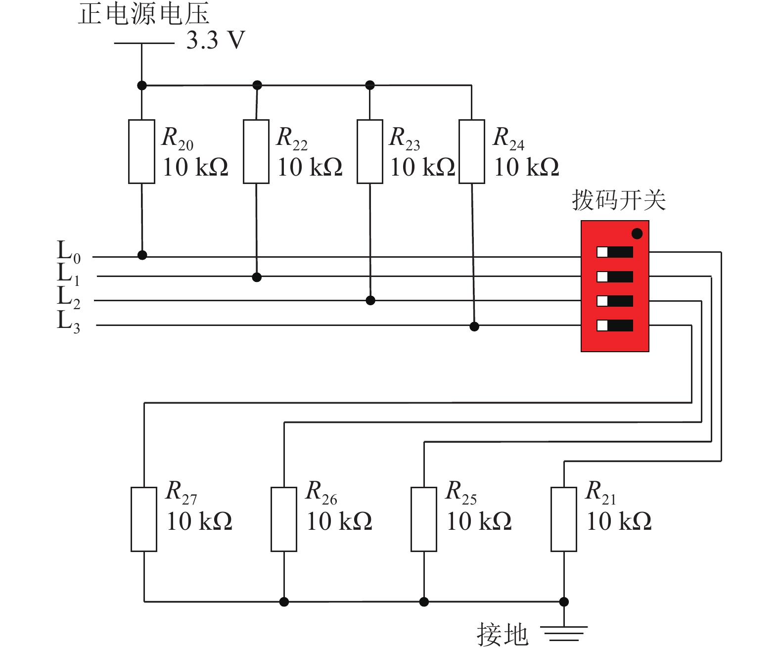
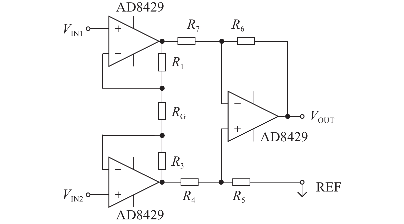
  • 摘要: 防冲钻孔机器人是高地应力矿井实现无人化卸压的必要装备,研发可靠的钻进轨迹随钻测量系统是保障钻孔卸压效果的重要措施。为此,在分析钻进轨迹算随钻测量基本原理的基础上,研制了基于无线电磁传输技术的钻进轨迹随钻测量钻杆;分析了不同电磁信号调制方式的频谱效益和抗噪声性能,设计了钻杆姿态信号的频移键控(FSK)调制和解调流程,进而开发了先放大后滤波的微弱信号调理系统,设计了相应的功能电路,并基于Multisim软件对其进行了测试,各电路模块满足设计要求。对比分析了5种轨迹解算算法的精度和执行效率,选择了均角全距法进行钻进轨迹解算,研究了基于小波滤波的惯性测量单元测量数据振动误差处理方法,验证了小波滤波算法对于提高姿态角解算精度的有效性。提出了基于拉线位移传感器与机器人动作标志位的钻进深度测量方法,并开展了地面试验与井下试验。试验结果表明:所设计的微弱信号调理系统可以实现煤矿井下微弱信号的接收与处理,基于拉线位移传感器与机器人动作标志位的钻进深度测量方法可以提高钻进轨迹的拟合精度。

     

    Abstract: Drilling robot for rockburst prevention is a necessary equipment for achieving unmanned pressure relief in coal mines with high in-situ stress. Developing a reliable drilling trajectory measurement system while drilling is an important measure to ensure the effectiveness of drilling pressure relief. Based on analysis of basic principle of drilling trajectory measurement while drilling, a drilling trajectory measurement drill rod based on wireless electromagnetic transmission technology is developed. The spectral efficiency and anti-noise performance of different electromagnetic signal modulation methods are analyzed, and the FSK modulation and demodulation process for drill rod attitude signals are designed, so as to develop a weak signal conditioning system that amplifies before filtering. The Corresponding functional circuits are designed and tested using Multisim software, and each circuit module met the design requirements. A comparative analysis is conducted on the accuracy and execution efficiency of five trajectory calculation algorithms, and the mean angle full range method is chosen for drilling trajectory calculation. The vibration error processing method for inertial measurement unit measurement data based on wavelet filtering is studied, and the effectiveness of wavelet filtering algorithm in improving attitude angle calculation accuracy is also verified. A drilling depth measurement method based on wire displacement sensors and robot action markers is proposed, and the surface and underground experiments are conducted. The experimental results show that the designed weak signal conditioning system can achieve the reception and processing of weak signals in underground coal mines. The drilling depth measurement method based on wire displacement sensors and robot action markers can improve the fitting accuracy of the drilling trajectory.

     

/

返回文章
返回