高级检索

液压支架供液系统快速泵控补液稳压方法

Rapid pump-controlled replenishment pressure-stabilizing method of the hydraulic support fluid supply system

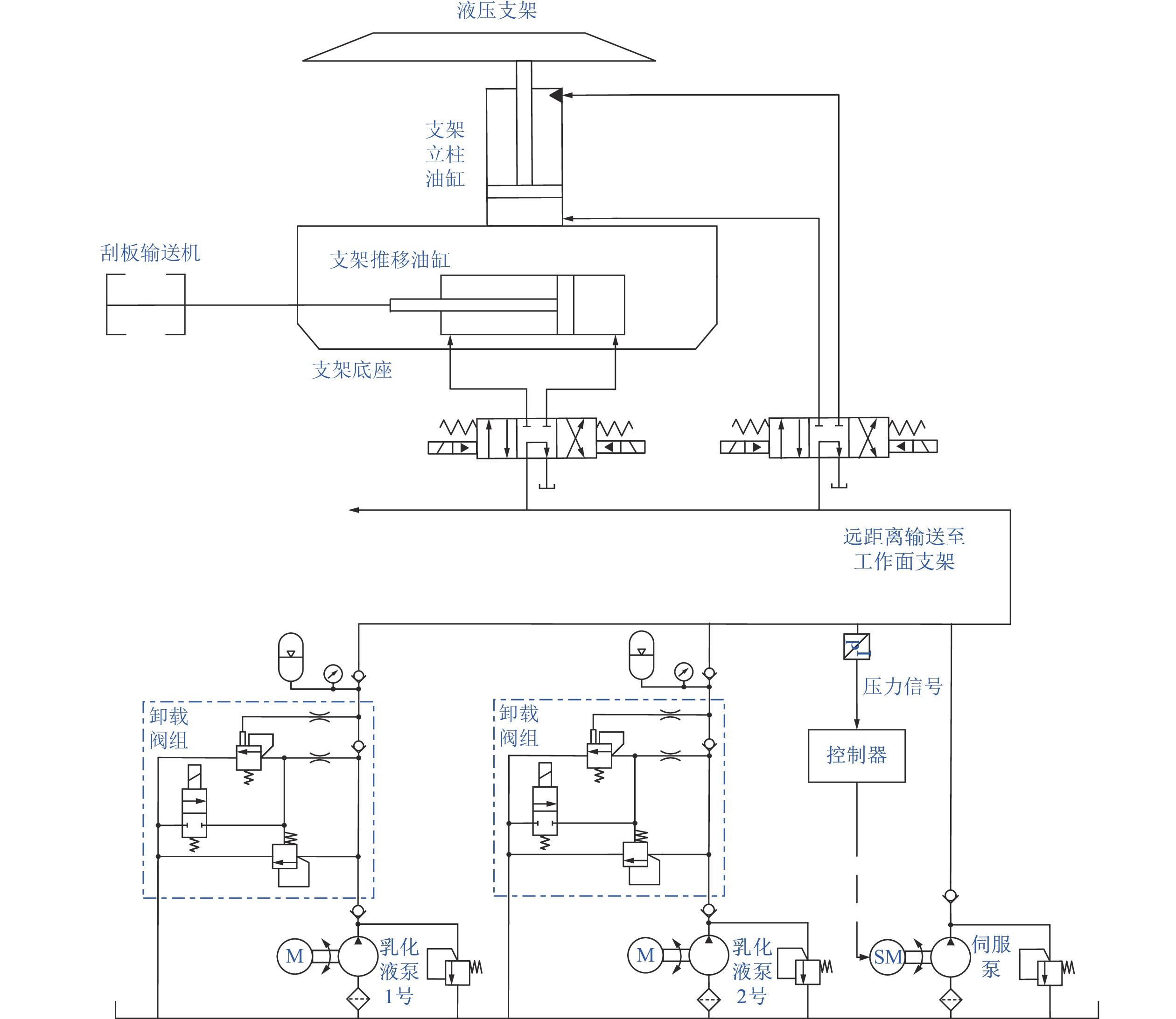
  • 摘要: 针对目前液压支架跟机动作过程中系统供液流量适配不及时、不合理导致的系统压力冲击大、波动频繁等问题,提出了基于伺服泵的快速泵控补液稳压供液系统新构型,推导出适应支架动作的稳压供液流量的计算模型,给出了快速泵控补液稳压供液系统构型中伺服泵参数配置方法。搭建了AMESim与Simulink联合仿真模型,按照对应不同支架动作的差异性稳压供液流量策略,对比了多泵联动传统供液形式与快速泵控补液稳压供液形式下的系统压力变动特性和支架动作周期,并进行实验验证。结果表明:根据系统压力变化趋势、执行机构结构参数,能够准确得出执行机构不同动作的需液量,进而形成稳压补液流量计算方法;结合快速泵控补液稳压供液方式,改善了系统压力变动特性,并加快了支架动作周期,支架动作过程中升柱和顺序推刮板输送机动作压力波动幅值分别减少23%和56%,动作时间分别缩短了1.5%和5%,降柱和拉架动作的系统压力波动次数减少,动作时间分别缩短了5.7%和3.2%。支架整个动作过程中供液系统压力均不低于卸载阀恢复压力,系统压力波动次数减少25%,支架整体动作时间缩短了4.2%。

     

    Abstract: A new configuration of a rapid pump-controlled replenishment pressure-stabilizing supply system based on servo pumps is proposed to address the problems of untimely and unreasonable system supply flowrate adaptation during the current hydraulic support follow-up action process, resulting in large system pressure shocks and frequent fluctuations. A calculation model for stable pressure supply flowrate adapted to support action is derived, and a parameter configuration method for servo pump in the rapid pump-controlled replenishment pressure-stabilizing supply system configuration is provided. A co-simulation model of AMESim and Simulink is built, and according to the different pressure stabilized liquid supply flow strategies corresponding to different support actions, the system pressure variation characteristics and support operation period under the multi-pump linkage traditional liquid supply mode and the rapid pump-controlled liquid replenishment pressure-stabilizing liquid supply mode are compared, and experimental verification is conducted. The results show that: according to the pressure change trend of the system and the structure parameters of the actuator, the liquid demand of different actions of the actuator can be accurately obtained, and then the calculation method of the replenishment flow of the pressure regulator can be formed. Combined with the rapid pump-controlled liquid replenishing and stable pressure supply mode, the system pressure fluctuation characteristics were improved and the operation period of the support was accelerated. During the operation of the support, the pressure fluctuation amplitude of the lifting column action and the sequential pushing action were reduced by 23% and 56%, the operation time were shortened by 1.5% and 5%, the system pressure fluctuation times of the descending col-umn and the pulling frame were reduced by 5.7% and 3.2% respectively. During the whole operation of the support, the pressure of the liquid supply system is not lower than the recovery pressure of the unloading valve, the number of system pressure fluctuations is reduced by 25%, and the overall operation time of the support is shortened by 4.2%.

     

/

返回文章
返回