Abstract:
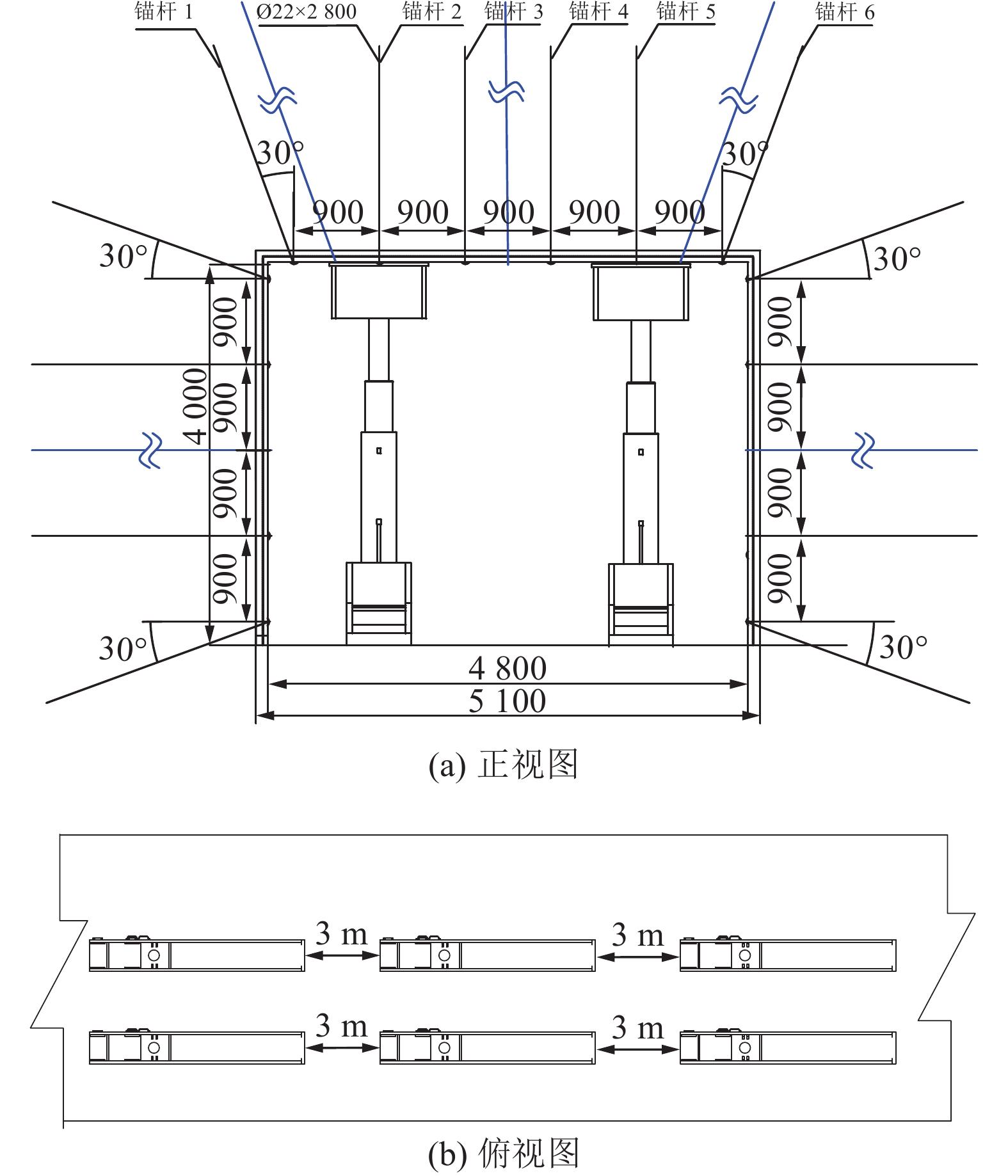
At present, according to the domestic evaluation theory of coal drift rock burst resistance capacity, assume that the working resistance of anchor rods is uniformly distributed. According to the site survey, the working resistance of roof anchor rods with the rock burst on the hazardous coal drift has presented the obvious discreteness. To study the correlation between the weak surface of the drift rock burst resistance and the non-uniform working resistance of the anchor rods, a calculation model of the critical stress of surrounding rocks and the rock burst energy absorbed by the anchor rods under the non-uniform working resistance of the roof anchor rods has been established, and the distribution characteristics of the critical stress and rock burst energy absorbed by the roof anchor rods on different positions have been obtained, which have been used to make analysis in combination with the stress in case of the occurrence of rock burst and determine the initial destruction position in case of the occurrence of rock burst under specific conditions. Therefore, a sort of rock burst weak surface classification method has been proposed. The typical rock burst coal mine−haulage drift No. 6305 of Xinjulong Coal Mine is taken as an engineering example. The results show that the critical stress and dynamic load trigger value of surrounding rocks are positively correlated with the working resistance of anchor rods, while the rock burst energy absorbed by anchor anchor rods is negatively correlated with the working resistance of anchor rods. Under the non-uniform working resistance of roof anchor rods, the critical stress, dynamic load trigger value and rock burst energy absorbed by anchor rods on each position of roof anchor rods present obvious differences. The 350.10, 424.10 m haulage drift of the advance working face is taken as a research object. According to the previous similar research results, assume that there is a Ms 2.5 seismic source located 20 m above the drift roof, and there are 11 sections that meet the stress conditions for the occurrence of rock burst. Therefore, it is found that the rock burst easily occur under dynamic load disturbance. In combination with the strengthening measures of the unit support, it is found through calculation that the roof can withstand the rock burst of more than 5 powers of strong mine earthquake and meet the requirements of local rock burst prevention. Based on the regional - local secondary rock burst risk assessment system required by
the Rules for the Prevention and Control of Rock Burst in Coal Mines (2018), the three-level (namely, regional - local - weak surface) risk assessment method is proposed and discussed in application, which facilitates the prevention and control of weak surface rock burst risks.