高级检索

矿井智能通风与关键技术研究

Research on technology of key steps of intelligent ventilation in mines

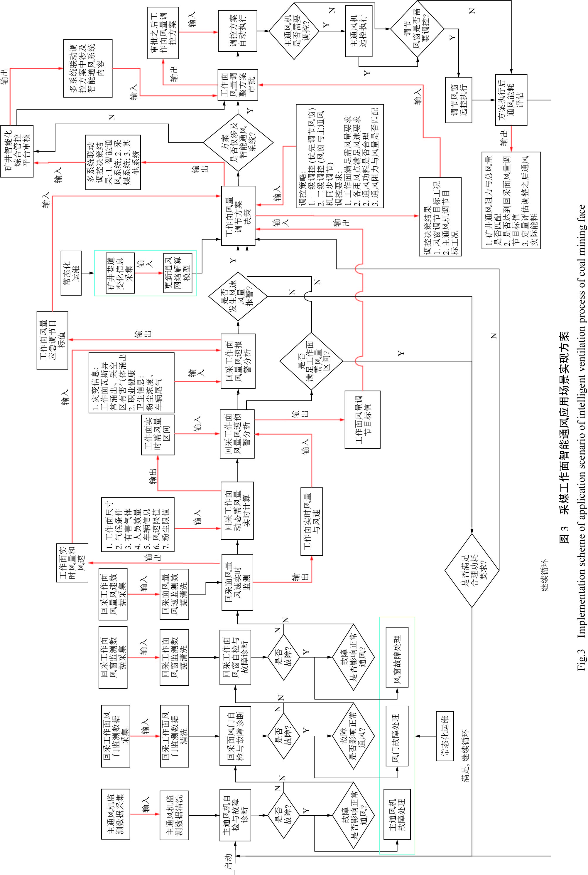
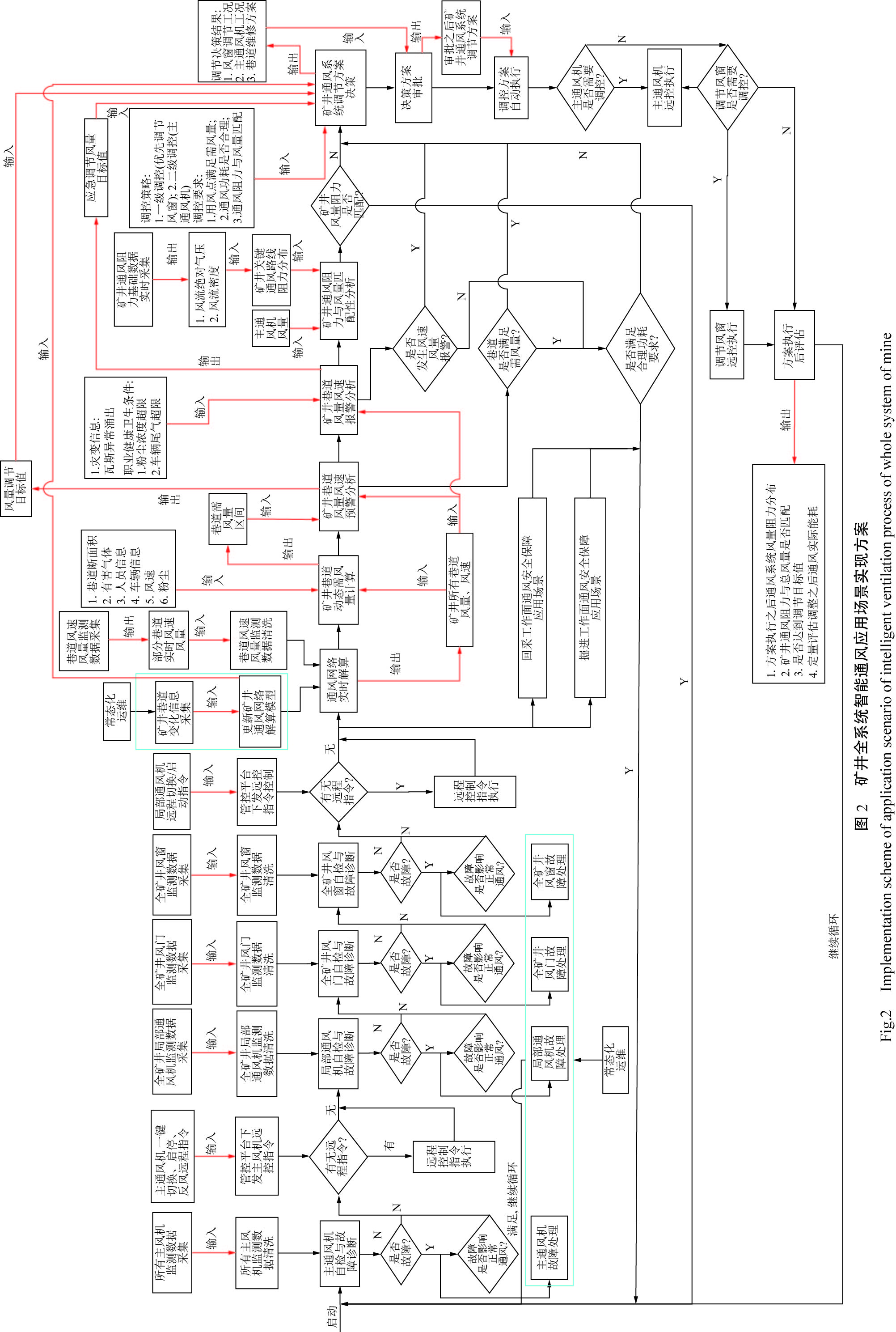
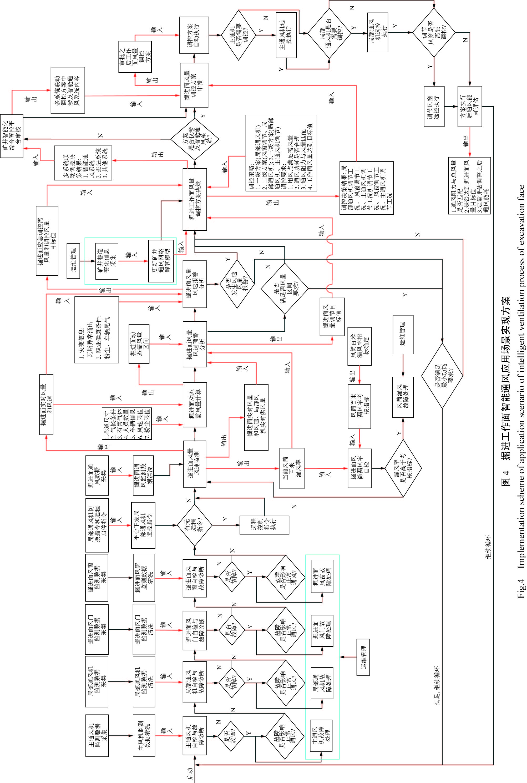
  • 摘要: 为使智能通风系统建设更加有序、可控,提出了矿井智能通风流程环节,将矿井智能通风流程按照生产环节划分为6个板块,即感知监测、分析诊断、智能决策、方案审批、远程集控联控、执行反馈,共包含24个具体环节,建立了各个环节输入输出要素和环节之间的功能逻辑关系。按照“矿井通风系统整体规划+采掘用风区域重点细化”思路,提出了矿井全系统智能通风应用场景实现方案和采煤工作面与掘进工作面2个细化的智能通风应用场景实现方案,将矿井智能通风各个具体环节融入具体的应用场景中。为实现智能通风应用场景,基于逻辑分层思想优化了矿井智能通风系统整体架构,规划了由硬件驱动层、功能模块层、计算处理层、数据存储层、数据采集层构成的矿井智能通风管控平台。针对通风感知监测、分析诊断、智能决策、远程集控联控4个矿井智能通风关键板块中涉及的风量风速监测感知、通风阻力在线监测、全风网风量风压解算、灾源判识和灾变定位、矿井动态需风量计算、通风系统故障诊断、风量按需调控方案决策、应急控风方案决策、无人化远程控风、无人化应急控风10个关键环节,总结分析了目前各个关键环节关键技术现状,提出了各个关键环节关键技术实现路径,通过关键技术迭代升级,最终实现矿井通风系统全生命周期内时刻处于稳定可靠、安全可控、高效节能、应急降灾的运行状态。

     

    Abstract: The process steps of intelligent ventilation in mines were proposed, which could make the ventilation system more orderly and controllable. The process of intelligent ventilation in mines was divided into six process sections according to the production process, namely perception monitoring, analysis and diagnosis, intelligent decision-making, scheme approval, remote centralized control and joint control, and execution feedback, which included a total of 24 specific process steps. The input and output elements of each process step and the functional logical relationship between the process steps were clarified. According to the concept of “overall plan of the mine ventilation system+key refinement of the mining air area”, the scheme for implementing the intelligent ventilation process of the entire mine system and two refined intelligent ventilation process application scenarios for the coal mining and excavation working faces were proposed. The intelligent ventilation process steps of the mine were integrated into specific application scenarios. In order to achieve intelligent ventilation application scenarios, the overall architecture of the mine intelligent ventilation system was optimized based on the logical layering concept. The mine intelligent ventilation control platform consisting of hardware driver layer, functional module layer, computing processing layer, data storage layer, and data acquisition layer was planned and designed. The four key process sections of intelligent ventilation involved ten key process sections,which were ventilation perception monitoring, analysis and diagnosis, intelligent decision-making, remote centralized control and joint control. The ten key process steps included monitoring and perception of air volume and wind speed, online monitoring of ventilation resistance, analysis of air volume and pressure in the entire air network, identification and identification of disaster sources, calculation of dynamic air demand in mines, diagnosis of ventilation system faults, decision-making of on-demand air volume control plans, decision-making of emergency air control plans, unmanned remote air control, and unmanned emergency air control. The current technological status of the ten key process steps were summarized and analyzed, and the technical implementation paths for the ten key process steps were proposed. Through iterative upgrades of various intelligent ventilation key technologies, the mine ventilation system was ultimately achieved to be in the stable, reliable, safe, controllable, efficient, energy-saving, and emergency disaster reduction operation state throughout its entire lifecycle.

     

/

返回文章
返回