高级检索

矿井带式输送机液压拉紧Fuzzy-PID控制技术研究

Research on hydraulic tension Fuzzy-PID control technology of mine belt conveyor

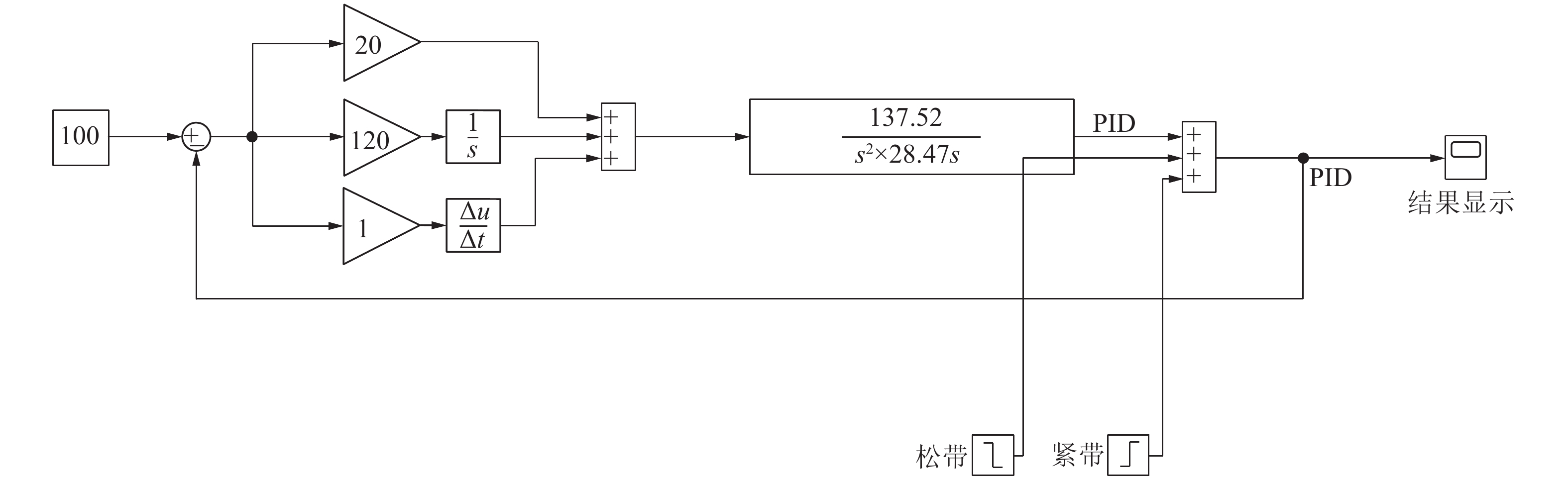
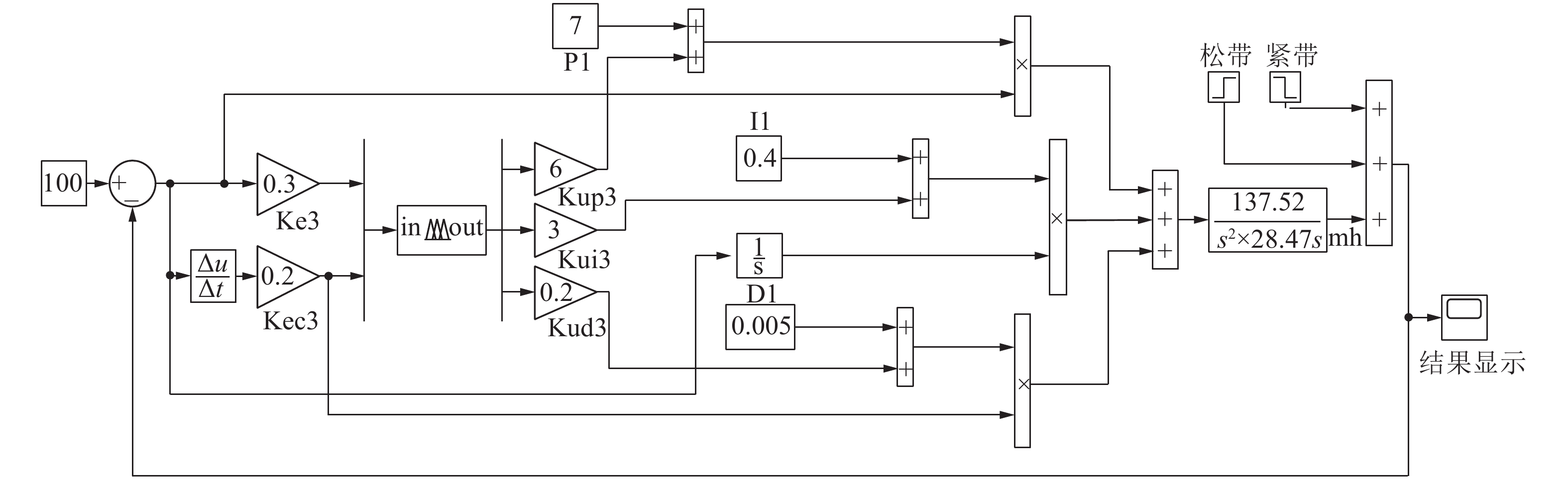
  • 摘要: 针对矿井传统带式输送机拉紧系统响应速度慢、调节能力差、拉紧控制时变性和非线性等问题,提出了一种矿井带式输送机液压拉紧系统Fuzzy-PID控制(基于模糊算法的PID控制)方法。首先,根据液压拉紧装置建立数学模型,其次通过Matlab内置的Simulink仿真库分别对Fuzzy-PID控制器和PID控制器的液压拉紧系统进行仿真,得出输送带拉紧张力启动响应阶段和张力突变的调节响应图,并做出对比分析。最后,通过试验测试来验证算法模型的有效性。仿真结果表明:矿井带式输送机液压拉紧Fuzzy-PID控制系统不仅在启动阶段还有张力突变过程中都具有更好的稳态性能、更快的响应速度。在拉紧装置启动响应阶段的张力超调量降低了13.5%、到达期望值的时间缩短了0.5 s。在拉紧装置张力突变即模拟拉紧和松带阶段,当张力增加时,Fuzzy-PID控制器的调节速度缩短了0.4 s,超调量下降了4%。当张力减少时,Fuzzy-PID控制器的调节速度缩短了0.3 s,超调量降低了2%。试验结果表明:采用Fuzzy-PID控制的效果更佳优异稳定,且损耗更小。对比于PID控制,Fuzzy-PID控制效果更为良好,平均时间缩短31%且总体趋于稳定。对于矿井带式输送机这种连续运输作业的设备,Fuzzy-PID控制技术为矿井带式输送带平稳运行提供了一定保障,不仅减少了电能浪费,也降低了维护保养带式输送机的保养成本。

     

    Abstract: Aiming at the problems of slow response speed, poor regulation, time-varying and nonlinear tensioning control of traditional belt conveyor tensioning system in mine, a Fuzzy-PID control (PID control based on fuzzy algorithm) method of hydraulic tensioning system of belt conveyor in mine is proposed. Firstly, a mathematical model is established according to the hydraulic tensioning device, and secondly, the hydraulic tensioning system with Fuzzy-PID controller and PID controller are simulated by the built-in Simulink simulation library of Matlab, respectively, to derive the start-up response stage of the conveyor belt tensioning force and the regulation response graph of the sudden change of tension, and to make a comparative analysis. Finally, the effectiveness of the algorithm model is verified by experimental tests. The simulation results show that the hydraulic belt conveyor tensioning Fuzzy-PID control system has better steady state performance and faster response speed not only in the start-up phase but also during the sudden change of tension. The overshoot of tension in the start-up response phase of the tensioning device is reduced by 13.5%, and the time to reach the desired value is shortened by 0.5 s. The tension change of the tensioning device is the simulated tensioning and loosening stage, when the tension is increased, the speed of regulation of the Fuzzy-PID controller is shortened by 0.4 s, and the overshoot is reduced by 4%. When the tension decreases, the regulation speed of the Fuzzy-PID controller is shortened by 0.3 s and the overshoot is reduced by 2%. The experimental results show that the effect of using Fuzzy-PID control is better and more stable with less loss. Compared with PID control, Fuzzy-PID control is more effective, the average time is reduced by 31% and the overall tendency is stable. For the mine belt conveyor such as continuous transportation equipment, Fuzzy-PID control technology for the mine belt conveyor smooth operation provides a certain guarantee, not only reduces the waste of electricity, but also reduces the maintenance cost of maintenance belt conveyor.

     

/

返回文章
返回