高级检索

基于SSA−LSTM的风速异常波动检测方法

Detection method of wind speed anomaly fluctuation based on SSA−LSTM

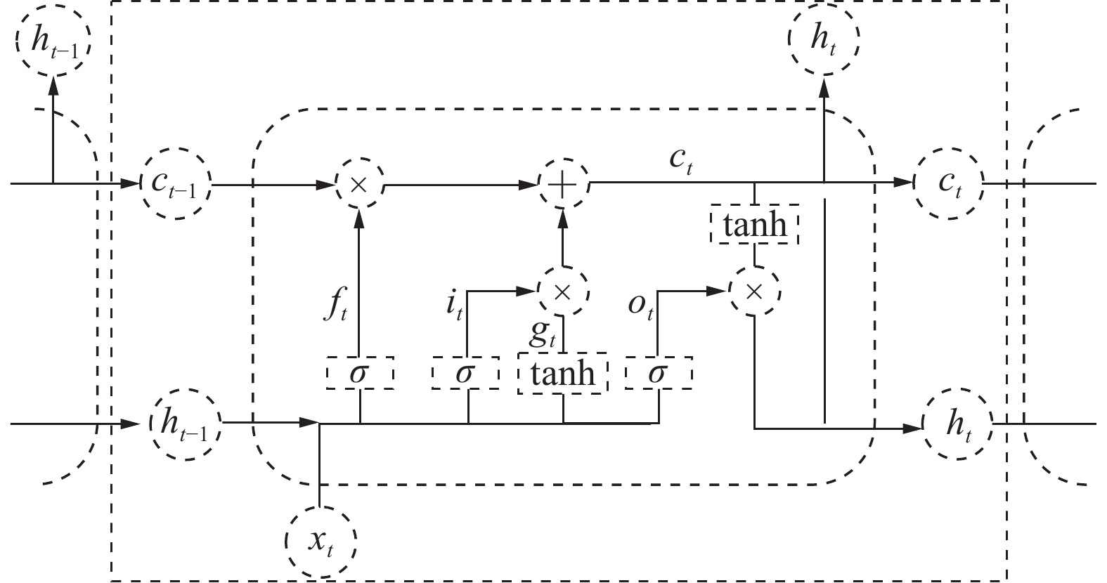
  • 摘要: 针对传统统计方法对风门开闭导致传感器监测数据异常波动的漏报率和误报率高的问题,通过挖掘风速传感器中时间序列数据中的数据特征,提出了一种基于奇异谱分析法(SSA)与长短期记忆神经网络(LSTM)组合的SSA−LSTM风速异常波动检测方法。首先利用SSA对风速传感器监测数据进行预处理,将风速数据分解为趋势分量、周期分量和噪声分量,通过重组趋势分量和噪声分量去除因湍流脉动产生的数据噪声;然后对LSTM进行参数优化,利用优化后的LSTM模型对预处理数据进行预测并得到重构风速;最后以对数概率密度函数计算监测风速与重构风速的异常分数,通过计算训练集数据样本的异常分数设定阈值对监测风速进行异常检测。试验结果表明:SSA去除因湍流脉动产生的数据噪声效果较好,在不影响数据波动情况下去除噪声分量,有助于提高风速重构效果和异常检测准确率;LSTM在无异常波动时能正确重构因湍流脉动导致的小幅波且与实际数据拟合效果较好,在有异常波动时根据历史波动趋势对异常波动段进行重构,可有效提高异常检测的准确率。通过对比分析,所提方法比ARIMA、BP、CNN模型的重构效果更好,异常检测准确率为99.2%,F1-Score为0.97,验证了所提方法的可靠性。表明本文所提方法在检测因风门开闭导致的风速异常波动上具有一定的应用价值。

     

    Abstract: Aiming at the problem of high leakage rate and false alarm rate of traditional statistical methods for abnormal fluctuation in sensor monitoring data caused by dampers opening and closing, a SSA-LSTM wind speed abnormal fluctuation detection method based on the combination of Singular Spectrum Analysis (SSA) and Long and Short-Term Memory Neural Network (LSTM) was proposed by mining the data features in the time-series data in the wind speed sensors. Firstly, SSA was used to pre-process the wind speed sensor monitoring data, and the wind speed data was decomposed into trend component, periodic component and noise component. The data noise generated by turbulent pulsation was removed via reorganizing the trend component and noise component. The LSTM parameters was then optimized, and the optimized LSTM model was used to predict the pre-processed data and obtain the reconstructed wind speed. Finally, the anomaly fraction of the monitored wind speed and reconstructed wind speed was calculated by using the logarithmic probability density function. Anomaly detection for monitoring wind speed was performed by calculating the threshold set value of training set data samples. The experimental results shown that, the removing effect for the data noise generated by turbulence pulsation via SSA was better. Removing the noise component without affecting the data fluctuation was helpful in improving the wind speed reconstruction effect and the anomaly detection accuracy. LSTM can correctly reconstruct the small amplitude wave due to turbulence pulsation without anomalous fluctuation and fits well with the actual data. The reconstruction of abnormal fluctuation segment based on historical fluctuation trend when there was abnormal fluctuation can effectively improve the accuracy of anomaly detection. Through comparative analysis, the reconstruction effect of proposed method in this paper was better than ARIMA, BP and CNN models, with an anomaly detection accuracy of 99.2% and an F1-Score of 0.97, which verified the reliability of the proposed method. The method proposed in the paper has important application value in detecting the abnormal fluctuation of wind speed caused by the opening and closing of dampers.

     

/

返回文章
返回